电脑桌面
添加小米粒文库到电脑桌面
安装后可以在桌面快捷访问

企业管理表格 品质管理F纵表格VIP免费

企业管理表格 品质管理F纵表格_第1页
1/2
企业管理表格 品质管理F纵表格_第2页
2/2
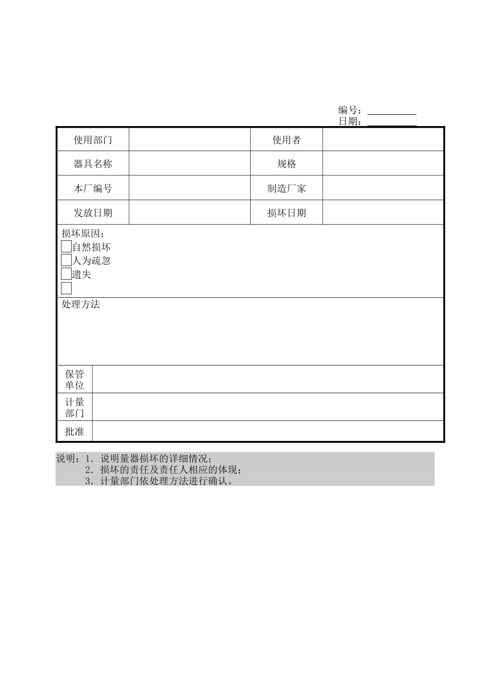
六F01年度计量器具检定计划表日期:编号器具名称型号规格检定周期使用部门计划/完成日期备注1234说明:1.所有的检验仪器、量具均应列管;2.实施定期检定、校正。六F04计量仪器损坏处理单编号:日期:使用部门使用者器具名称规格本厂编号制造厂家发放日期损坏日期损坏原因:自然损坏人为疏忽遗失处理方法保管单位计量部门批准说明:1.说明量器损坏的详细情况;2.损坏的责任及责任人相应的体现;3.计量部门依处理方法进行确认。

1、当您付费下载文档后,您只拥有了使用权限,并不意味着购买了版权,文档只能用于自身使用,不得用于其他商业用途(如 [转卖]进行直接盈利或[编辑后售卖]进行间接盈利)。
2、本站所有内容均由合作方或网友上传,本站不对文档的完整性、权威性及其观点立场正确性做任何保证或承诺!文档内容仅供研究参考,付费前请自行鉴别。
3、如文档内容存在违规,或者侵犯商业秘密、侵犯著作权等,请点击“违规举报”。

碎片内容

企业管理表格 品质管理F纵表格

确认删除?
VIP
微信客服
  • 扫码咨询
会员Q群
  • 会员专属群点击这里加入QQ群
客服邮箱
回到顶部