电脑桌面
添加小米粒文库到电脑桌面
安装后可以在桌面快捷访问

铸造、机械类培训资料VIP专享VIP免费

铸造、机械类培训资料_第1页
1/45
铸造、机械类培训资料_第2页
2/45
铸造、机械类培训资料_第3页
3/45
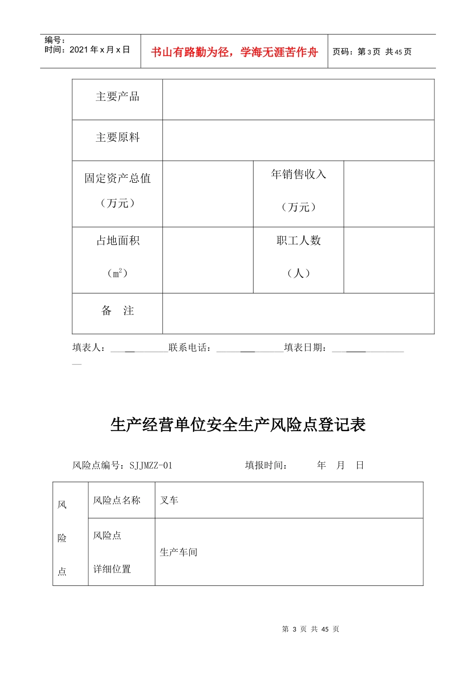
第1页共45页编号:时间:2021年x月x日书山有路勤为径,学海无涯苦作舟页码:第1页共45页附件1:生产经营单位安全生产风险点名册单位名称(盖章):潍坊XXX有限公司第2页共45页第1页共45页编号:时间:2021年x月x日书山有路勤为径,学海无涯苦作舟页码:第2页共45页法定代表人(签字):年月日生产经营单位基本信息单位名称法定代表人联系电话组织机构代码(或工商营业执照注册号)详细地址邮政编码行业类别生产经营活动类型第3页共45页第2页共45页编号:时间:2021年x月x日书山有路勤为径,学海无涯苦作舟页码:第3页共45页主要产品主要原料固定资产总值(万元)年销售收入(万元)占地面积(m2)职工人数(人)备注填表人:__________联系电话:___________填表日期:_____________生产经营单位安全生产风险点登记表风险点编号:SJJMZZ-01填报时间:年月日风险点风险点名称叉车风险点详细位置生产车间第4页共45页第3页共45页编号:时间:2021年x月x日书山有路勤为径,学海无涯苦作舟页码:第4页共45页基本情况诱发事故类型触电、车辆伤害伤亡/财产损失预测行车损坏损失约0.2万元、人员伤亡风险等级4级风险管控责任部门办公室责任人张亮亮手机号码15005369965采取管控措施情况1.建立特种设备、特种作业人员管理制度和叉车操作规程.2.定期检查、维护保养。3.设置当心车辆伤害、当心机械伤害等警示标志。4.作业人员取得相关特种作业操作证。存在隐患情况1.缺少叉车维护保养记录。2.叉车未注册登记,未定期检验。第5页共45页第4页共45页编号:时间:2021年x月x日书山有路勤为径,学海无涯苦作舟页码:第5页共45页应急处置主要措施1制定现场处置方案,定期演练。2设置急救箱,配备紫药水、绷带、纱布等物品。3一旦失控,及时拨打120急救电话。属地监管政府主管部门专业监管部门生产经营单位安全生产风险点登记表风险点编号:SJJMZZ-02填报时间:年月日风风险点名称电炉第6页共45页第5页共45页编号:时间:2021年x月x日书山有路勤为径,学海无涯苦作舟页码:第6页共45页险点基本情况风险点详细位置生产车间诱发事故类型触电、高温烫伤伤亡/财产损失预测电炉损坏造成损失约0.7万元、操作人员伤亡风险等级4级风险管控责任部门办公室责任人张亮亮手机号码15005369965采取管控措施情况1.建立电烘箱操作规程.2.定期检查、维护保养。3.设置当心触电、注意高温、当心烫伤警示标志。4.加强电气安全管理。5.作业人员定期培训。6.设置漏电保护器。第7页共45页第6页共45页编号:时间:2021年x月x日书山有路勤为径,学海无涯苦作舟页码:第7页共45页存在隐患情况1缺少电烘箱检查维护保养记录。2未进行触电急救安全知识培训。应急处置主要措施1制定现场处置方案,定期演练。2设置急救箱,配备紫药水、绷带、纱布等物品。3一旦失控,及时拨打120急救电话。属地监管政府主管部门专业监管部门第8页共45页第7页共45页编号:时间:2021年x月x日书山有路勤为径,学海无涯苦作舟页码:第8页共45页生产经营单位安全生产风险点登记表风险点编号:SJJMZZ-03填报时间:年月日风险点基本情况风险点名称电动葫芦(行车)风险点详细位置生产车间诱发事故类型触电、起重伤害伤亡/财产损失预测电动葫芦损坏损失约0.3万元、人员伤亡风险等级4级风险管控责任部门办公室责任人张亮亮手机号码15005369965采取管控措施情况1.建立电动葫芦操作规程.2.定期检查、维护保养。3.设置当心吊物、当心触电警示标志。4.加强电气安全管理。第9页共45页第8页共45页编号:时间:2021年x月x日书山有路勤为径,学海无涯苦作舟页码:第9页共45页存在隐患情况1缺少电动葫芦维护保养记录。2未进行触电急救安全知识培训。3,操作规程不完善。应急处置主要措施1制定现场处置方案,定期演练。2设置急救箱,配备紫药水、绷带、纱布等物品。3一旦失控,及时拨打120急救电话。属地监管政府主管部门专业监管部门第10页共45页第9页共45页编号:时间:2021年x月x日书山有路勤为径,学海无涯苦作舟页码:第10页共45页生产经营单位安全生产风险点登记表风险点编号:SJJMZZ-04填报时间:年月日风险点基本情况风险点名称钻床风险点详细位置生产车间诱发事故...

1、当您付费下载文档后,您只拥有了使用权限,并不意味着购买了版权,文档只能用于自身使用,不得用于其他商业用途(如 [转卖]进行直接盈利或[编辑后售卖]进行间接盈利)。
2、本站所有内容均由合作方或网友上传,本站不对文档的完整性、权威性及其观点立场正确性做任何保证或承诺!文档内容仅供研究参考,付费前请自行鉴别。
3、如文档内容存在违规,或者侵犯商业秘密、侵犯著作权等,请点击“违规举报”。

碎片内容

铸造、机械类培训资料

确认删除?
VIP
微信客服
  • 扫码咨询
会员Q群
  • 会员专属群点击这里加入QQ群
客服邮箱
回到顶部