电脑桌面
添加小米粒文库到电脑桌面
安装后可以在桌面快捷访问

马铃薯淀粉HACCP计划VIP免费

马铃薯淀粉HACCP计划_第1页
1/6
马铃薯淀粉HACCP计划_第2页
2/6
马铃薯淀粉HACCP计划_第3页
3/6
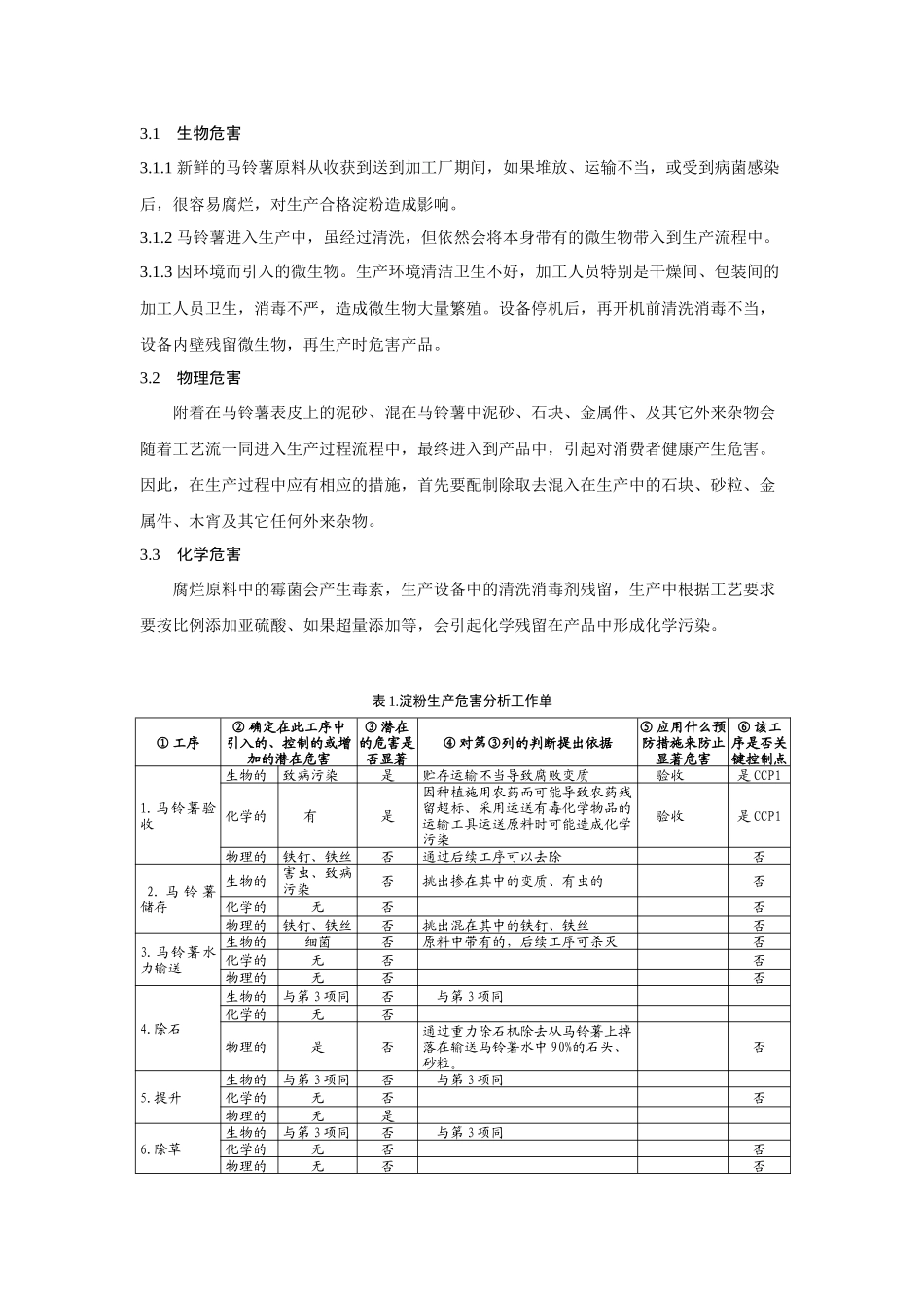
马铃薯淀粉HACCP计划相关资料1生产工艺流程1.1原淀粉的生产工艺流程马铃薯验收→堆放→输送清洗→除石(草)→除铁→清洗→破碎→除铁→除取砂粒→淀粉与纤维分离→淀粉乳浓缩提取细胞液→淀粉乳脱水→淀粉干燥均容→冷却→干淀粉过筛→除铁→自动称重、包装→复称→金属于检测→储存→销售。2生产工艺控制2.1原淀粉生产重要步骤的工艺控制要求2.1.1马铃薯验收质检员对交售的新鲜马铃薯原料认真检查验收,确保新鲜不变质,来自与公司签有交售协议的基地农户。2.1.2堆放收购进厂的马铃薯堆放在储存沟中,要保持通风,不得爆晒,雨淋。2.1.3清洗采用水力输送马铃薯,在输送过程中将马铃薯表皮及混在马铃薯原料中泥砂提去,同时也是清泡马铃薯表皮的泥土。2.1.4除石除草在水的输送过程中,通过第一级重力除石机除取95%的石块,再经除草钩捡去输送水中的马铃薯秧杆、杂草,并在输送过程中进行除铁,然后再经过第二级重力除石机除去5%的石块。2.1.5马铃薯清洗马铃薯在输送中经过了清泡,在进入车间要经两级滚筒清洗机进行再次清洗,再次脱水、然后再输送到马铃薯储斗。2.1.6马铃薯磨碎在储存斗的马铃薯被输送到锉磨机破碎,释放出淀粉颗粒与纤维混合的马铃薯浆料经除铁后在由泵输送到旋流除砂器,除取砂粒。2.1.7马铃薯浆料除砂浆料进入除砂单元后,经两级旋流除砂器,将混入其中的几乎肉眼看不到的细砂除去。再进入到淀粉提取单元进行淀粉与纤维的分离。2.1.8淀粉与纤维分离马铃薯浆料经淀粉四级离心分离抽提筛将分离出淀粉乳液。在该单元中要加入浓度在7.5%的亚硫酸溶液,防止马铃薯浆料与空气接触氧化变色,同时促使淀粉颗粒与细胞壁快速分离及杀菌。2.1.9淀粉乳洗涤淀粉乳液经泵输送进入17级旋流器进行触级浓缩、洗涤提取淀粉颗粒,并分离出不溶性蛋白颗粒、可溶性物质、细纤维等物质。形成被浓缩、洗涤后的纯净淀粉乳送去脱水。2.1.10淀粉乳脱水纯净的淀粉加入工艺软水进行稀释,分成两部份。其中一部份被专用泵送入真空脱水机进行真空负压脱水,形成湿淀粉并自流到全封闭皮带输送机送至下一个工段进行湿淀粉干燥。另一部份纯净的淀粉乳被专用泵送至变性淀粉车间的反应罐,用于生产变性淀粉。2.1.11湿淀粉干燥湿淀粉经封闭式皮带输送机输送到喂料斗,然后经喂料螺旋输送机输送到干燥系统,在干燥脉冲管内与过滤后的热空气混合交换,使淀粉颗粒游离水和结合水蒸发,行成水承汽被引风机排入大气,淀粉得到干燥。2.1.12淀粉均容被干燥后的淀粉沿着旋风分离器出口进入密封螺旋输送机,然后再进入闭风螺旋输送机,经自流管进入均容仓,这个过程是全封闭流程。采用回流方式调整商品淀粉水分、白度和其它理化指标,使均容后的产品各项指标达到规定要求再进行筛理。2.1.13淀粉筛理均容后达到要求的干淀粉,要经过65目的高方型平筛进行触级筛理,得到商品淀粉的细度在100目过筛时,通过率达到99.90%为合格商品淀粉。2.1.14除铁将商品淀粉经过输送提升后进入磁选机,将商品淀粉在输送过程中可能掉落的金属构件除取,然后淀粉被输送到包装前集料斗,这个流程必须是全封的。2.1.15金属检测集料斗内的淀粉自流进入自动称重包装机,进行称重、缝包后自动落入平皮带输送机输送进入自动报警金属检测仪进行检测。2.1.16被检测合格的包装商品淀粉通过平皮带输送机输送到成品库码垛堆放、出售。3马铃薯淀粉生产中的危害分析3.1生物危害3.1.1新鲜的马铃薯原料从收获到送到加工厂期间,如果堆放、运输不当,或受到病菌感染后,很容易腐烂,对生产合格淀粉造成影响。3.1.2马铃薯进入生产中,虽经过清洗,但依然会将本身带有的微生物带入到生产流程中。3.1.3因环境而引入的微生物。生产环境清洁卫生不好,加工人员特别是干燥间、包装间的加工人员卫生,消毒不严,造成微生物大量繁殖。设备停机后,再开机前清洗消毒不当,设备内壁残留微生物,再生产时危害产品。3.2物理危害附着在马铃薯表皮上的泥砂、混在马铃薯中泥砂、石块、金属件、及其它外来杂物会随着工艺流一同进入生产过程流程中,最终进入到产品中,引起对消费者健康产生危害。因此,在生产过程中应有相应的措施,首先要配制除取去混入在生产中的...

1、当您付费下载文档后,您只拥有了使用权限,并不意味着购买了版权,文档只能用于自身使用,不得用于其他商业用途(如 [转卖]进行直接盈利或[编辑后售卖]进行间接盈利)。
2、本站所有内容均由合作方或网友上传,本站不对文档的完整性、权威性及其观点立场正确性做任何保证或承诺!文档内容仅供研究参考,付费前请自行鉴别。
3、如文档内容存在违规,或者侵犯商业秘密、侵犯著作权等,请点击“违规举报”。

碎片内容

马铃薯淀粉HACCP计划

确认删除?
VIP
微信客服
  • 扫码咨询
会员Q群
  • 会员专属群点击这里加入QQ群
客服邮箱
回到顶部