电脑桌面
添加小米粒文库到电脑桌面
安装后可以在桌面快捷访问

钢筋机械连接试验报告VIP免费

钢筋机械连接试验报告_第1页
1/27
钢筋机械连接试验报告_第2页
2/27
钢筋机械连接试验报告_第3页
3/27
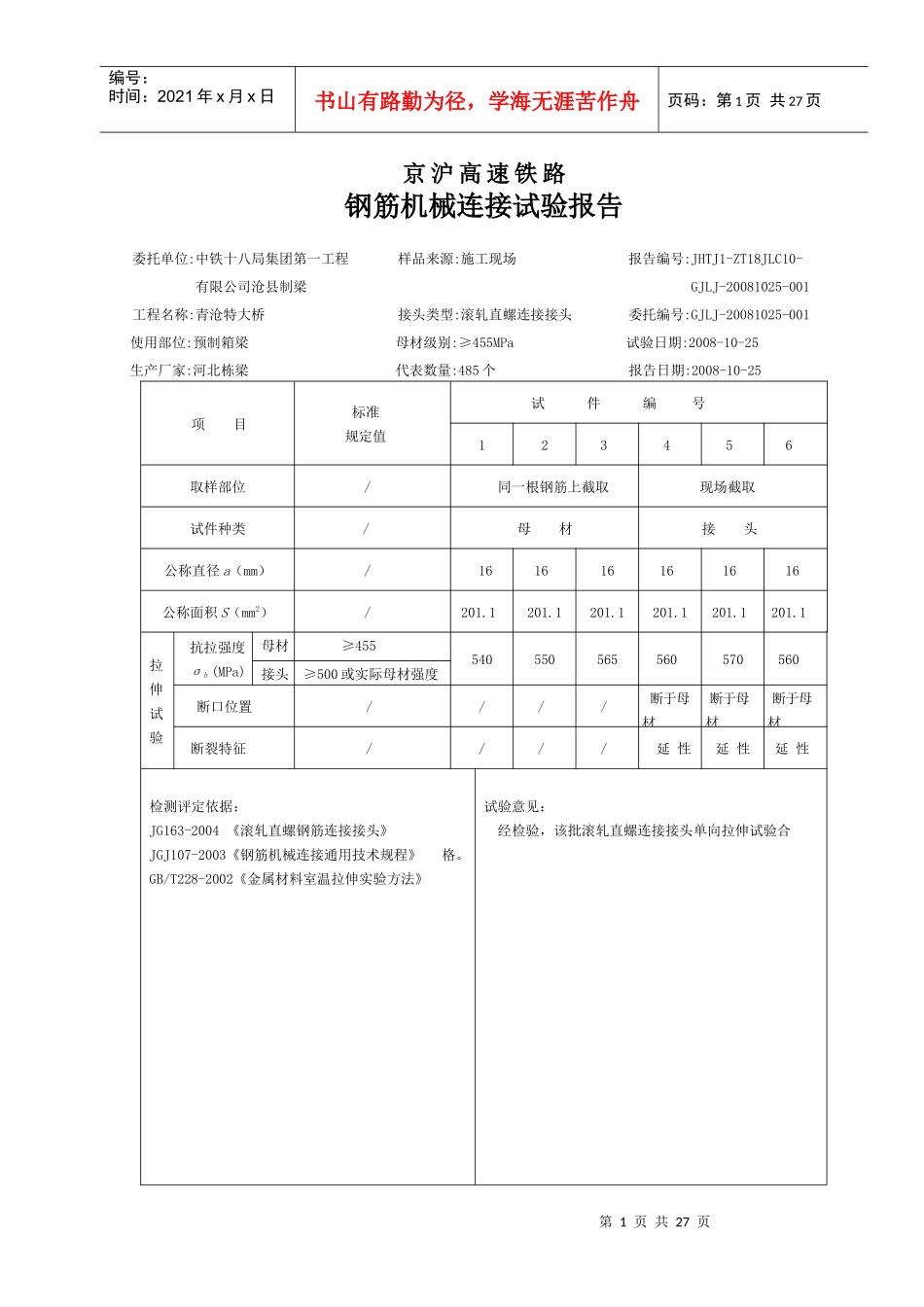
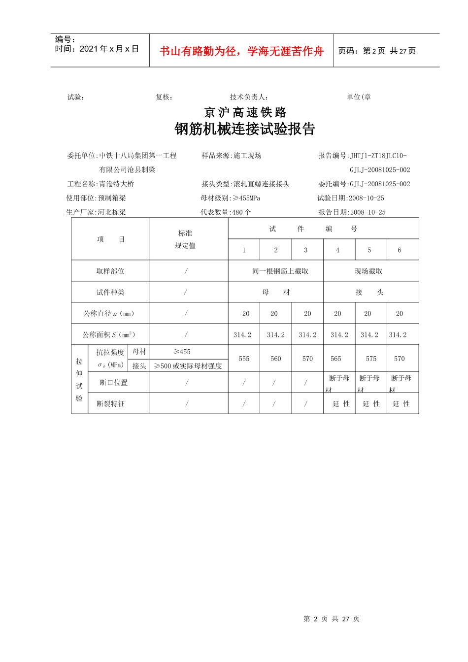
第1页共27页编号:时间:2021年x月x日书山有路勤为径,学海无涯苦作舟页码:第1页共27页京沪高速铁路钢筋机械连接试验报告委托单位:中铁十八局集团第一工程样品来源:施工现场报告编号:JHTJ1-ZT18JLC10-有限公司沧县制梁GJLJ-20081025-001工程名称:青沧特大桥接头类型:滚轧直螺连接接头委托编号:GJLJ-20081025-001使用部位:预制箱梁母材级别:≥455MPa试验日期:2008-10-25生产厂家:河北栋梁代表数量:485个报告日期:2008-10-25项目标准规定值试件编号123456取样部位/同一根钢筋上截取现场截取试件种类/母材接头公称直径a(mm)/161616161616公称面积S(mm2)/201.1201.1201.1201.1201.1201.1拉伸试验抗拉强度σb(MPa)母材≥455540550565560570560接头≥500或实际母材强度断口位置////断于母材断于母材断于母材断裂特征////延性延性延性检测评定依据:JG163-2004《滚轧直螺钢筋连接接头》JGJ107-2003《钢筋机械连接通用技术规程》GB/T228-2002《金属材料室温拉伸实验方法》试验意见:经检验,该批滚轧直螺连接接头单向拉伸试验合格。第2页共27页第1页共27页编号:时间:2021年x月x日书山有路勤为径,学海无涯苦作舟页码:第2页共27页试验:复核:技术负责人:单位(章京沪高速铁路钢筋机械连接试验报告委托单位:中铁十八局集团第一工程样品来源:施工现场报告编号:JHTJ1-ZT18JLC10-有限公司沧县制梁GJLJ-20081025-002工程名称:青沧特大桥接头类型:滚轧直螺连接接头委托编号:GJLJ-20081025-002使用部位:预制箱梁母材级别:≥455MPa试验日期:2008-10-25生产厂家:河北栋梁代表数量:480个报告日期:2008-10-25项目标准规定值试件编号123456取样部位/同一根钢筋上截取现场截取试件种类/母材接头公称直径a(mm)/202020202020公称面积S(mm2)/314.2314.2314.2314.2314.2314.2拉伸试验抗拉强度σb(MPa)母材≥455555560570565575570接头≥500或实际母材强度断口位置////断于母材断于母材断于母材断裂特征////延性延性延性第3页共27页第2页共27页编号:时间:2021年x月x日书山有路勤为径,学海无涯苦作舟页码:第3页共27页检测评定依据:JG163-2004《滚轧直螺钢筋连接接头》JGJ107-2003《钢筋机械连接通用技术规程》GB/T228-2002《金属材料室温拉伸实验方法》试验意见:经检验,该批滚轧直螺连接接头单向拉伸试验合格。试验:复核:技术负责人:单位(章)京沪高速铁路钢筋机械连接试验报告委托单位:中铁十八局集团第一工程样品来源:施工现场报告编号:JHTJ1-ZT18JLC10-有限公司沧县制梁GJLJ-20081025-003工程名称:青沧特大桥接头类型:滚轧直螺连接接头委托编号:GJLJ-20081025-003使用部位:预制箱梁母材级别:≥455MPa试验日期:2008-10-25生产厂家:河北栋梁代表数量:479个报告日期:2008-10-25项目标准规定值试件编号123456取样部位/同一根钢筋上截取现场截取试件种类/母材接头公称直径a(mm)/282828282828公称面积S(mm2)/615.8615.8615.8615.8615.8615.8拉伸试抗拉强度σb(MPa)母材≥455540555545550565550接头≥500或实际母材强度断口位置////断于母材断于母材断于母材第4页共27页第3页共27页编号:时间:2021年x月x日书山有路勤为径,学海无涯苦作舟页码:第4页共27页验断裂特征////延性延性延性检测评定依据:JG163-2004《滚轧直螺钢筋连接接头》JGJ107-2003《钢筋机械连接通用技术规程》GB/T228-2002《金属材料室温拉伸实验方法》试验意见:经检验,该批滚轧直螺连接接头单向拉伸试验合格。试验:复核:技术负责人:单位(章)京沪高速铁路钢筋机械连接试验报告委托单位:中铁十八局集团第一工程样品来源:施工现场报告编号:JHTJ1-ZT18JLC10-有限公司沧县制梁GJLJ-20081028-001工程名称:青沧特大桥接头类型:滚轧直螺连接接头委托编号:GJLJ-20081028-001使用部位:预制箱梁母材级别:≥455MPa试验日期:2008-10-28生产厂家:河北栋梁代表数量:483个报告日期:2008-10-28项目标准规定值试件编号123456取样部位/同一根钢筋上截取现场截取试件种类/母材接头公称直径a(mm)/282828282828公称面积S(mm2)/615.8615.8615.8615.8615.8615.8拉抗拉强度母材≥455560545550560570565第5页共27页第4页共27页编号:时...

1、当您付费下载文档后,您只拥有了使用权限,并不意味着购买了版权,文档只能用于自身使用,不得用于其他商业用途(如 [转卖]进行直接盈利或[编辑后售卖]进行间接盈利)。
2、本站所有内容均由合作方或网友上传,本站不对文档的完整性、权威性及其观点立场正确性做任何保证或承诺!文档内容仅供研究参考,付费前请自行鉴别。
3、如文档内容存在违规,或者侵犯商业秘密、侵犯著作权等,请点击“违规举报”。

碎片内容

钢筋机械连接试验报告

中小学教育精品资料+ 关注
实名认证
内容提供者

中小学教育资料,优质文档创作者

确认删除?
VIP
微信客服
  • 扫码咨询
会员Q群
  • 会员专属群点击这里加入QQ群
客服邮箱
回到顶部