电脑桌面
添加小米粒文库到电脑桌面
安装后可以在桌面快捷访问

金融危机下的生存和发展VIP免费

金融危机下的生存和发展_第1页
1/10
金融危机下的生存和发展_第2页
2/10
金融危机下的生存和发展_第3页
3/10
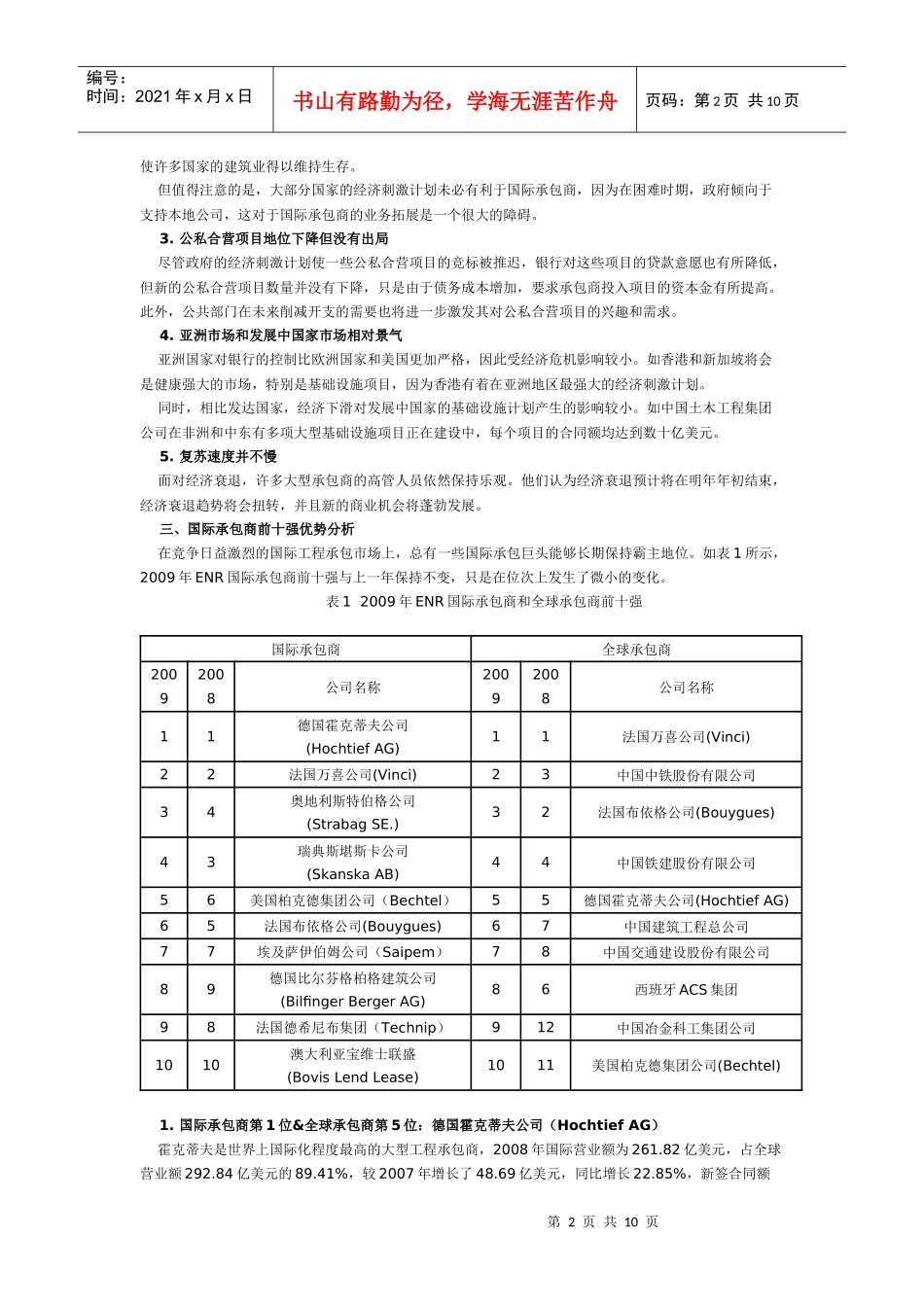
第1页共10页编号:时间:2021年x月x日书山有路勤为径,学海无涯苦作舟页码:第1页共10页金融危机下的生存与发展——从2009年度国际承包商和全球承包商225强排行榜看国际承包市场近日,美国《工程新闻记录》(ENR)杂志发布了2009年度国际承包商和全球承包商前225强排行榜。一、总体状况2008年,由美国金融危机引发的全球经济衰退对国际建筑市场造成了不同程度的打击,一些市场的项目受到打击,被终止或推迟。但由于过去持续数年的全球建筑市场繁荣,许多国际承包巨头均积累了大量的订单,因此尽管大部分市场目前处于低迷状态,他们仍可依靠已签合同来予以缓解。从ENR最大225家国际承包商的收入数字中也可以看出2008年年初繁荣的市场规模。2008年,前225家国际承包商的海外市场总营业额达到3900.1亿美元,相比2007年的3102.5亿美元增加了25.7%。工业和基础设施项目规模的扩大,以及许多业主对承包商为项目垫资的需求的提高,在一定程度上推动了世界范围内超大型建筑公司的发展。在2008年ENR前225家全球承包商的榜单上,有177家企业的全球营业额超过了10亿美元,比2007年增加了17家,入围的最低要求达到7.09亿美元,比2007年的6.1亿美元提高了将近1亿美元。二、态势分析在全球金融危机、经济衰退、信贷紧缩下,国际建筑市场呈现出以下趋势:1.小公司大风险金融危机对那些规模较小、实力较弱的建筑公司影响最大。在过去数年快速增长的市场需求推动下,许多规模较小的承包商逐渐发展壮大,但由于建筑业是典型的高财务杠杆类行业,当前银行信贷紧缩将可能导致这些承包商衰退到市场繁荣前的水平,甚至完全消失,退出建筑市场。另一方面,与小公司不同,一些现金充裕的大公司仍不断投资,将这场危机看作是一个机会,通过在通货紧缩的市场上投资以实现低成本的资本开支。2.基础设施项目地位提升欧洲的许多大型承包商依靠基础设施订单来缓解全球经济衰退对建筑市场造成的影响。很多国家已决定实施经济刺激计划,通过开展重大基础设施项目来支持经济发展。这些由政府资助的大型基础设施项目第2页共10页第1页共10页编号:时间:2021年x月x日书山有路勤为径,学海无涯苦作舟页码:第2页共10页使许多国家的建筑业得以维持生存。但值得注意的是,大部分国家的经济刺激计划未必有利于国际承包商,因为在困难时期,政府倾向于支持本地公司,这对于国际承包商的业务拓展是一个很大的障碍。3.公私合营项目地位下降但没有出局尽管政府的经济刺激计划使一些公私合营项目的竞标被推迟,银行对这些项目的贷款意愿也有所降低,但新的公私合营项目数量并没有下降,只是由于债务成本增加,要求承包商投入项目的资本金有所提高。此外,公共部门在未来削减开支的需要也将进一步激发其对公私合营项目的兴趣和需求。4.亚洲市场和发展中国家市场相对景气亚洲国家对银行的控制比欧洲国家和美国更加严格,因此受经济危机影响较小。如香港和新加坡将会是健康强大的市场,特别是基础设施项目,因为香港有着在亚洲地区最强大的经济刺激计划。同时,相比发达国家,经济下滑对发展中国家的基础设施计划产生的影响较小。如中国土木工程集团公司在非洲和中东有多项大型基础设施项目正在建设中,每个项目的合同额均达到数十亿美元。5.复苏速度并不慢面对经济衰退,许多大型承包商的高管人员依然保持乐观。他们认为经济衰退预计将在明年年初结束,经济衰退趋势将会扭转,并且新的商业机会将蓬勃发展。三、国际承包商前十强优势分析在竞争日益激烈的国际工程承包市场上,总有一些国际承包巨头能够长期保持霸主地位。如表1所示,2009年ENR国际承包商前十强与上一年保持不变,只是在位次上发生了微小的变化。表12009年ENR国际承包商和全球承包商前十强国际承包商全球承包商20092008公司名称20092008公司名称11德国霍克蒂夫公司(HochtiefAG)11法国万喜公司(Vinci)22法国万喜公司(Vinci)23中国中铁股份有限公司34奥地利斯特伯格公司(StrabagSE.)32法国布依格公司(Bouygues)43瑞典斯堪斯卡公司(SkanskaAB)44中国铁建股份有限公司56美国柏克德集团公司(Bechtel)55德国霍克蒂夫公司(HochtiefAG)65法国布依格公司(Bouygues)67中国建...

1、当您付费下载文档后,您只拥有了使用权限,并不意味着购买了版权,文档只能用于自身使用,不得用于其他商业用途(如 [转卖]进行直接盈利或[编辑后售卖]进行间接盈利)。
2、本站所有内容均由合作方或网友上传,本站不对文档的完整性、权威性及其观点立场正确性做任何保证或承诺!文档内容仅供研究参考,付费前请自行鉴别。
3、如文档内容存在违规,或者侵犯商业秘密、侵犯著作权等,请点击“违规举报”。

碎片内容

金融危机下的生存和发展

中小学教育精品资料+ 关注
实名认证
内容提供者

中小学教育资料,优质文档创作者

确认删除?
VIP
微信客服
  • 扫码咨询
会员Q群
  • 会员专属群点击这里加入QQ群
客服邮箱
回到顶部