电脑桌面
添加小米粒文库到电脑桌面
安装后可以在桌面快捷访问

颐和南园工程基坑支护施工方案VIP免费

颐和南园工程基坑支护施工方案_第1页
1/11
颐和南园工程基坑支护施工方案_第2页
2/11
颐和南园工程基坑支护施工方案_第3页
3/11
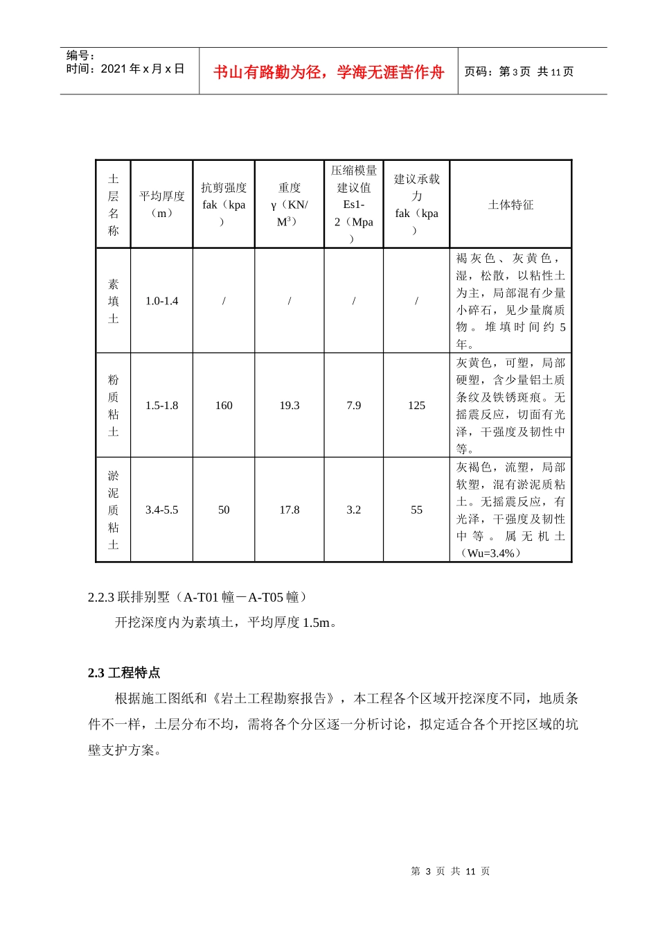
第1页共11页编号:时间:2021年x月x日书山有路勤为径,学海无涯苦作舟页码:第1页共11页颐和南园工程基坑支护施工方案1、编制依据(1)颐和南园工程施工图纸一套;(2)施工现场有关地质资料及岩土工程勘察报告;(3)相关的标准图集;(4)国家、江苏省和行业有关工程建设标准、规范和规程;(5)施工现场实地踏勘;(6)我公司其它类似工程的施工经验总结。2、工程概况2.1工程简介本工程位于南京江宁开发区新区大道以北、内环路以南,根据总平面设计,整个工程分为商业区(A、B、C区)、会所(A、B、C、D区)、联排别墅(A-T01幢-A-T05幢)三个大区。总建筑面积23000m2,其中商业用房建筑面积7002.64m2,局部地下1层,地上2~3层;会所建筑面积6173.46m2,地下1层,地上3层;联排别墅建筑面积6260.82m2,局部半地下1层,地上2~3层。工程采用钢筋砼框架结构,联排别墅基础形式采用独立基础,商业用房、会所基础形式采用管桩基础。2.2地质条件根据江苏建材地质工程勘察院提供的《岩土工程勘察报告》,本工程地质条件分别如下:2.2.1商业区(A、B、C区)开挖深度内基本为素填土层,平均厚度:1.10m~1.4m。2.2.2会所(A、B、C、D区)(1)会所A区地质条件:开挖深度内基本为素填土层,平均厚度:1.10m~1.4m。(2)会所B区地质条件:根据《岩土工程勘察报告》,场地土层分布及厚度不均。第2页共11页第1页共11页编号:时间:2021年x月x日书山有路勤为径,学海无涯苦作舟页码:第2页共11页开挖深度内,第一层基本为素填土、部分地区为粉质粘土;第二层为粉质粘土,是开挖深度内主要土层结构;第三层基本为粉土,局部地区有少量淤泥质粉质粘土,其土体特性具体表现如下表:土层名称平均厚度(m)抗剪强度fak(kpa)重度γ(KN/M3)压缩模量建议值Es1-2(Mpa)建议承载力fak(kpa)土体特征素填土0.8-3.2////褐灰色、灰黄色,湿,松散,以粘性土为主,局部混有少量小碎石,见少量腐质物。堆填时间约5年。粉质粘土1.7-4.216019.37.9125灰黄色,可塑,局部硬塑,含少量铝土质条纹及铁锈斑痕。无摇震反应,切面有光泽,干强度及韧性中等。淤泥质粘土3.4-5.55017.83.255灰褐色,流塑,局部软塑,混有淤泥质粘土。无摇震反应,有光泽,干强度及韧性中等。属无机土(Wu=3.4%)粉土6.8-11.315418.87.5110灰黄色-青灰色,局部混有粉砂。稍密-中密,湿-很湿,摇震反应迅速,无光泽,干强度及韧性低。(3)会所C区地质条件:开挖深度内基本为素填土层,平均厚度:1.10m~1.3m。(4)会所D区地质条件:根据《岩土工程勘察报告》,场地土层分布及厚度不均。开挖深度内,第一层基本为素填土;第二层为粉质粘土,是开挖深度内主要土层结构;第三层基本为淤泥质粉质粘土,其土体特性具体表现如下表:第3页共11页第2页共11页编号:时间:2021年x月x日书山有路勤为径,学海无涯苦作舟页码:第3页共11页土层名称平均厚度(m)抗剪强度fak(kpa)重度γ(KN/M3)压缩模量建议值Es1-2(Mpa)建议承载力fak(kpa)土体特征素填土1.0-1.4////褐灰色、灰黄色,湿,松散,以粘性土为主,局部混有少量小碎石,见少量腐质物。堆填时间约5年。粉质粘土1.5-1.816019.37.9125灰黄色,可塑,局部硬塑,含少量铝土质条纹及铁锈斑痕。无摇震反应,切面有光泽,干强度及韧性中等。淤泥质粘土3.4-5.55017.83.255灰褐色,流塑,局部软塑,混有淤泥质粘土。无摇震反应,有光泽,干强度及韧性中等。属无机土(Wu=3.4%)2.2.3联排别墅(A-T01幢-A-T05幢)开挖深度内为素填土,平均厚度1.5m。2.3工程特点根据施工图纸和《岩土工程勘察报告》,本工程各个区域开挖深度不同,地质条件不一样,土层分布不均,需将各个分区逐一分析讨论,拟定适合各个开挖区域的坑壁支护方案。第4页共11页第3页共11页编号:时间:2021年x月x日书山有路勤为径,学海无涯苦作舟页码:第4页共11页3、方案选择3.1场地设计情况场地设计情况一览表设计值区域自然地面平均绝对标高±0.00相对绝对标高设计基底相对标高地下平均水位绝对标高预计挖土深度商业区8.5m10.1m-2.75m7.371m1.15m会所A区8.5m9.25m-1.00m7.48m0.25m会所B区9.0m9.25m-3.90m-4.35m7.48...

1、当您付费下载文档后,您只拥有了使用权限,并不意味着购买了版权,文档只能用于自身使用,不得用于其他商业用途(如 [转卖]进行直接盈利或[编辑后售卖]进行间接盈利)。
2、本站所有内容均由合作方或网友上传,本站不对文档的完整性、权威性及其观点立场正确性做任何保证或承诺!文档内容仅供研究参考,付费前请自行鉴别。
3、如文档内容存在违规,或者侵犯商业秘密、侵犯著作权等,请点击“违规举报”。

碎片内容

颐和南园工程基坑支护施工方案

确认删除?
VIP
微信客服
  • 扫码咨询
会员Q群
  • 会员专属群点击这里加入QQ群
客服邮箱
回到顶部