电脑桌面
添加小米粒文库到电脑桌面
安装后可以在桌面快捷访问

电力电子与电力传动综合实验指导书正文VIP免费

电力电子与电力传动综合实验指导书正文_第1页
1/40
电力电子与电力传动综合实验指导书正文_第2页
2/40
电力电子与电力传动综合实验指导书正文_第3页
3/40
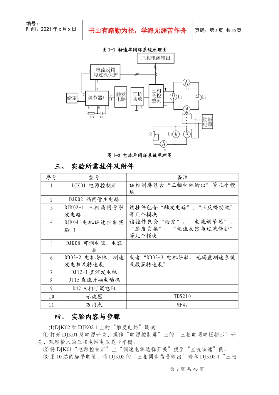
第1页共40页编号:时间:2021年x月x日书山有路勤为径,学海无涯苦作舟页码:第1页共40页第一部分绪论本指导书是根据《电力电子与电力传动》课程实验教学大纲编写的,适用于电气工程及其自动化专业。一、本课程实验的作用与任务电力电子与电力传动实验是《电力电子技术》、《电力拖动控制系统》课程中重要的实践环节,通过实验,使学生加深对课堂教学内容的理解,培养学生使用某些设备的能力和运用实验方法研究电力电子技术、电力拖动自动控制的初步能力。对于进一步加强理论和实践相结合,提高学生分析问题、解决问题的能力有重要意义。本课程实验的主要任务是提高学生动手能力,在试验过程中遇到问题,能够分析思考和解决。对于实验结果能够按照理论知识进行解释,从而可以深化所学理论知识,把理论和实践统一起来。二、本课程实验的基础知识电力电子与电力传动实验的内容主要包括单闭环不可逆直流调速系统、双闭环不可逆直流调速系统、逻辑无环流可逆直流调速系统、双闭环控制可逆直流脉宽调速系统(H桥)、三相异步电机变频调速、半桥型开关稳压电源的性能研究、反激式电流控制开关稳压电源实验、直流斩波电路的性能研究等内容。三、本课程实验教学项目及其教学要求序号实验项目名称学时教学目标、要求1单闭环不可逆直流调速系统2主电路、控制电路的接线。对于实验过程中的问题能够解决,解释、记录实验数据。2双闭环不可逆直流调速系统2主电路、控制电路的接线。对于实验过程中的问题能够解决,解释、记录实验数据。3逻辑无环流可逆直流调速系统2主电路、控制电路的接线。对于实验过程中的问题能够解决,解释、记录实验数据。4双闭环控制可逆直流脉宽调速系统(H桥)2主电路、控制电路的接线。对于实验过程中的问题能够解决,解释、记录实验数据。5三相异步电机变频调速实验2主电路、控制电路的接线。对于实验过程中的问题能够解决,解释、记录实验数据。熟练掌握数字示波器的使用。6半桥型开关稳压电源的性能研究2主电路、控制电路的接线。对于实验过程中的问题能够解决,解释、记录实验数据。熟练掌握数字示波器的使用。7反激式电流控制开关稳压电源实验2主电路、控制电路的接线。对于实验过程中的问题能够解决,解释、记录实验数据。熟练掌握数字示波器的使用。8直流斩波电路的性能研究2主电路、控制电路的接线。对于实验过程中的问题能够解决,解释、记录实验数据。熟练掌握数字示波器的使用。第2页共40页第1页共40页编号:时间:2021年x月x日书山有路勤为径,学海无涯苦作舟页码:第2页共40页合计16第二部分基本实验指导实验一单闭环不可逆直流调速系统实验一、实验目的(1)了解单闭环直流调速系统的原理、组成及各主要单元部件的原理。(2)掌握晶闸管直流调速系统的一般调试过程。(3)认识闭环反馈控制系统的基本特性。二、实验原理为了提高直流调速系统的动静态性能指标,通常采用闭环控制系统(包括单闭环系统和多闭环系统)。对调速指标要求不高的场合,采用单闭环系统,而对调速指标较高的则采用多闭环系统。按反馈的方式不同可分为转速反馈,电流反馈,电压反馈等。在单闭环系统中,转速单闭环使用较多。在本装置中,转速单闭环实验是将反映转速变化的电压信号作为反馈信号,经“速度变换”后接到“速度调节器”的输入端,与“给定”的电压相比较经放大后,得到移相控制电压Uct,用作控制整流桥的“触发电路”,触发脉冲经功放后加到晶闸管的门极和阴极之间,以改变“三相全控整流”的输出电压,这就构成了速度负反馈闭环系统。电机的转速随给定电压变化,电机最高转速由速度调节器的输出限幅所决定,速度调节器采用P(比例)调节对阶跃输入有稳态误差,要想消除上述误差,则需将调节器换成PI(比例积分)调节。这时当“给定”恒定时,闭环系统对速度变化起到了抑制作用,当电机负载或电源电压波动时,电机的转速能稳定在一定的范围内变化。第3页共40页第2页共40页编号:时间:2021年x月x日书山有路勤为径,学海无涯苦作舟页码:第3页共40页图1-1转速单闭环系统原理图图1-2电流单闭环系统原理图三、实验所需挂件及附件序号型号备注1DJK01电源控制屏该控制屏包含“三...

1、当您付费下载文档后,您只拥有了使用权限,并不意味着购买了版权,文档只能用于自身使用,不得用于其他商业用途(如 [转卖]进行直接盈利或[编辑后售卖]进行间接盈利)。
2、本站所有内容均由合作方或网友上传,本站不对文档的完整性、权威性及其观点立场正确性做任何保证或承诺!文档内容仅供研究参考,付费前请自行鉴别。
3、如文档内容存在违规,或者侵犯商业秘密、侵犯著作权等,请点击“违规举报”。

碎片内容

电力电子与电力传动综合实验指导书正文

确认删除?
VIP
微信客服
  • 扫码咨询
会员Q群
  • 会员专属群点击这里加入QQ群
客服邮箱
回到顶部