电脑桌面
添加小米粒文库到电脑桌面
安装后可以在桌面快捷访问

电力线路施工工艺简介VIP专享VIP免费

电力线路施工工艺简介_第1页
1/34
电力线路施工工艺简介_第2页
2/34
电力线路施工工艺简介_第3页
3/34
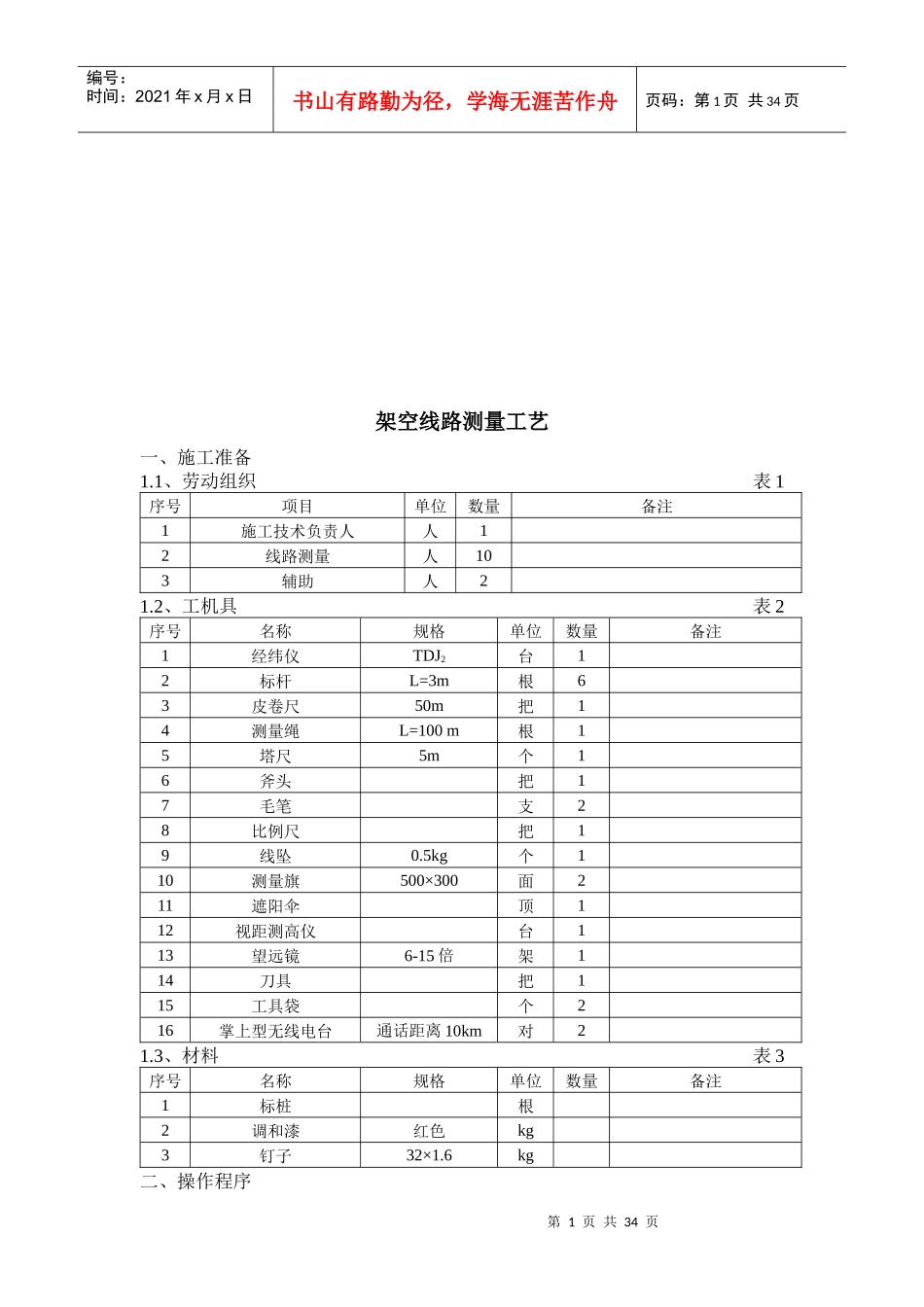
目录一、架空线路测量施工工艺DY-1……………………………………………………………………………1二、土质坑开挖施工工艺DY-2-1…………………………………………………………………………3三、石质坑开挖施工工艺DY-2-2…………………………………………………………………………7四、立杆工艺DY-4-1…………………………………………………………………………11五、普通拉线安装工艺DY-5-1…………………………………………………………………………16六、弓型拉线安装工艺DY-5-2…………………………………………………………………………19七、水平拉线安装工艺DY-5-3…………………………………………………………………………24八、撑杆安装工艺DY-5-4…………………………………………………………………………28九、电力线路导线架设施工工艺DY-7-1…………………………………………………………………………31十、杆上变压器安装工艺DY-8-1A………………………………………………………………………40十一、越级变台安装工艺DY-8-1B………………………………………………………………………44十二、高压电缆冷缩型终端头制作工艺DY-9-4F………………………………………………………………………48十三、杆上设备接地施工工艺DY-10-1………………………………………………………………………54第1页共34页编号:时间:2021年x月x日书山有路勤为径,学海无涯苦作舟页码:第1页共34页架空线路测量工艺一、施工准备1.1、劳动组织表1序号项目单位数量备注1施工技术负责人人12线路测量人103辅助人21.2、工机具表2序号名称规格单位数量备注1经纬仪TDJ2台12标杆L=3m根63皮卷尺50m把14测量绳L=100m根15塔尺5m个16斧头把17毛笔支28比例尺把19线坠0.5kg个110测量旗500×300面211遮阳伞顶112视距测高仪台113望远镜6-15倍架114刀具把115工具袋个216掌上型无线电台通话距离10km对21.3、材料表3序号名称规格单位数量备注1标桩根2调和漆红色kg3钉子32×1.6kg二、操作程序第2页共34页第1页共34页测量准备线路的定测及定杆位测量资料整理编号:时间:2021年x月x日书山有路勤为径,学海无涯苦作舟页码:第2页共34页2.1、工序流程图图1架空线路测量工序流程图2.2、操作要领2.2.1、测量准备①检查清点线路测量所用的仪器和工具应齐全,仪器状态良好。②根据设计提供的电线路纵断面图、平面布置图和地形实际情况,确定线路实际走向,应符合《铁路技术管理规程》,《铁路电力施工规范》的规定。③在设计提出的线路控制点(线路起点、转角点、终点,设备安装点)的桩位上,钉上标桩。当标桩附近有永久性建筑时,须用皮尺测出二者之间的距离。若没有时,要设置辅桩,并做好标记。2.2.2、线路的定测及定杆位关于架空电线路的定测方法,由于路径难易程度的不同,测量方法也不相同。一般常用的测量方法有标杆测量法和仪器测量法。标杆测量法适用于各种条件的电线路,特别对长大直线及线路转角处用经纬仪测量不易偏离路径,杆位较准且效率高。下面介绍用仪器对线路定测的步骤:①确定直线段线路中心线。在线路控制点的标桩上,稳固安放经纬仪,将其对中、调平,使水平度盘中心位于标桩的铅垂线上;然后瞄准直线另一端控制点上设置的标杆,读取水平度盘的读数,并做记录。②线路转角测定。将经纬仪平稳安放于线路转角点,并对中,调平;然后分别测定线路的中心线和记录水平度盘的读数。两读数之差,即为线路的水平转角的度数。为保证水平转角度测量的精确度,消除仪器的误差,需采取正倒镜盘左盘右两次复测,取两次读数的平均值。③定杆位。具体步骤如下:a.档距测量,用测量绳顺确定的线路中心线,量出每根电杆之间的设计档距;将数根标杆连续立在中心线上。b.用经纬仪(或目测)指挥各标杆成一直线,然后在标杆处钉上杆位标桩。c.在杆位标桩顶部用红漆做上标记,其侧面注明杆号;并做好记录;然后在线路中心线上距杆桩3m处钉上辅助标桩。d.向前延伸时,将第一根标杆移到最前面,与原来的标杆成一直线,中间依次插入标杆,轮流移杆逐步向前延伸。④确定杆高。根据电线路的实际情况,确定电杆的规格...

1、当您付费下载文档后,您只拥有了使用权限,并不意味着购买了版权,文档只能用于自身使用,不得用于其他商业用途(如 [转卖]进行直接盈利或[编辑后售卖]进行间接盈利)。
2、本站所有内容均由合作方或网友上传,本站不对文档的完整性、权威性及其观点立场正确性做任何保证或承诺!文档内容仅供研究参考,付费前请自行鉴别。
3、如文档内容存在违规,或者侵犯商业秘密、侵犯著作权等,请点击“违规举报”。

碎片内容

电力线路施工工艺简介

确认删除?
VIP
微信客服
  • 扫码咨询
会员Q群
  • 会员专属群点击这里加入QQ群
客服邮箱
回到顶部