电脑桌面
添加小米粒文库到电脑桌面
安装后可以在桌面快捷访问

电动车三合一喇叭接线图VIP免费

电动车三合一喇叭接线图_第1页
1/7
电动车三合一喇叭接线图_第2页
2/7
电动车三合一喇叭接线图_第3页
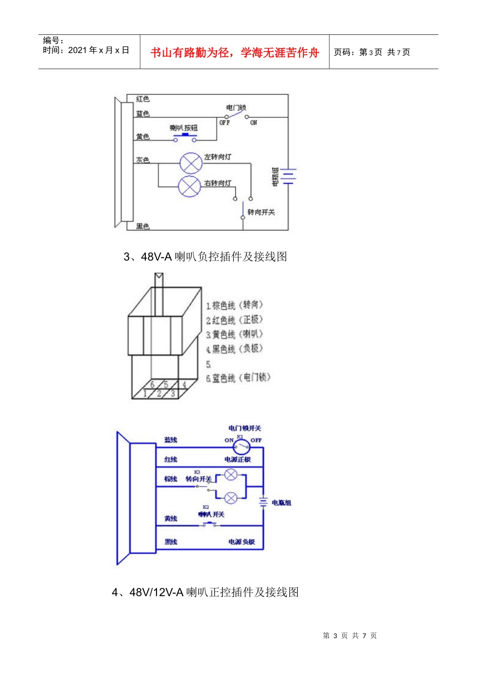
3/7
第1页共7页编号:时间:2021年x月x日书山有路勤为径,学海无涯苦作舟页码:第1页共7页电动车三合一喇叭接线图1、48V-A喇叭正控插件及接线图第2页共7页第1页共7页编号:时间:2021年x月x日书山有路勤为径,学海无涯苦作舟页码:第2页共7页2、48V-B两档锁正控插件及接线图第3页共7页第2页共7页编号:时间:2021年x月x日书山有路勤为径,学海无涯苦作舟页码:第3页共7页3、48V-A喇叭负控插件及接线图4、48V/12V-A喇叭正控插件及接线图第4页共7页第3页共7页编号:时间:2021年x月x日书山有路勤为径,学海无涯苦作舟页码:第4页共7页5、48V/12V-A喇叭负控插件及接线图第5页共7页第4页共7页编号:时间:2021年x月x日书山有路勤为径,学海无涯苦作舟页码:第5页共7页第6页共7页第5页共7页编号:时间:2021年x月x日书山有路勤为径,学海无涯苦作舟页码:第6页共7页第7页共7页第6页共7页编号:时间:2021年x月x日书山有路勤为径,学海无涯苦作舟页码:第7页共7页

1、当您付费下载文档后,您只拥有了使用权限,并不意味着购买了版权,文档只能用于自身使用,不得用于其他商业用途(如 [转卖]进行直接盈利或[编辑后售卖]进行间接盈利)。
2、本站所有内容均由合作方或网友上传,本站不对文档的完整性、权威性及其观点立场正确性做任何保证或承诺!文档内容仅供研究参考,付费前请自行鉴别。
3、如文档内容存在违规,或者侵犯商业秘密、侵犯著作权等,请点击“违规举报”。

碎片内容

电动车三合一喇叭接线图

您可能关注的文档

确认删除?
VIP
微信客服
  • 扫码咨询
会员Q群
  • 会员专属群点击这里加入QQ群
客服邮箱
回到顶部