电脑桌面
添加小米粒文库到电脑桌面
安装后可以在桌面快捷访问

黑臭河道整治工程施工组织设计VIP免费

黑臭河道整治工程施工组织设计_第1页
1/34
黑臭河道整治工程施工组织设计_第2页
2/34
黑臭河道整治工程施工组织设计_第3页
3/34
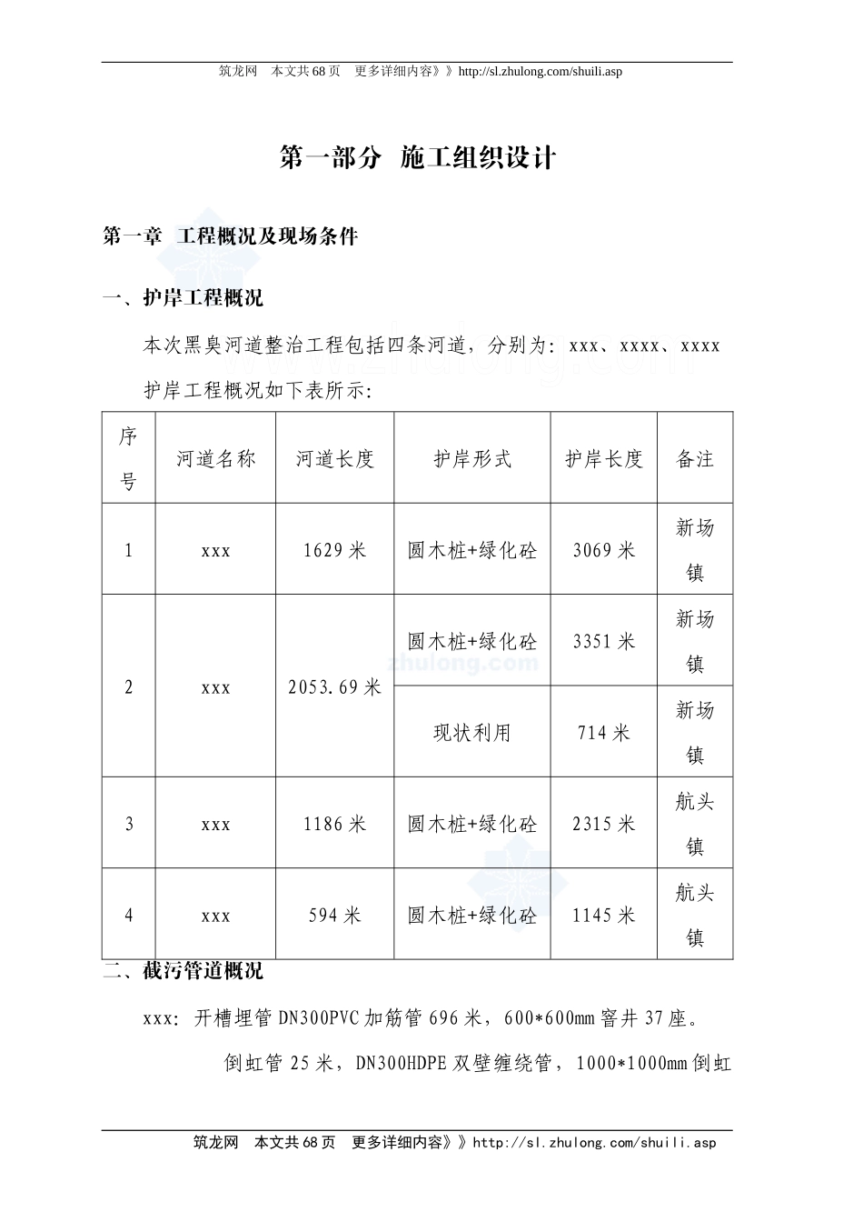
筑龙网本文共68页更多详细内容》》http://sl.zhulong.com/shuili.asp第一部分施工组织设计第一章工程概况及现场条件一、护岸工程概况本次黑臭河道整治工程包括四条河道,分别为:xxx、xxxx、xxxx护岸工程概况如下表所示:序号河道名称河道长度护岸形式护岸长度备注1xxx1629米圆木桩+绿化砼3069米新场镇2xxx2053.69米圆木桩+绿化砼3351米新场镇现状利用714米新场镇3xxx1186米圆木桩+绿化砼2315米航头镇4xxx594米圆木桩+绿化砼1145米航头镇二、截污管道概况xxx:开槽埋管DN300PVC加筋管696米,600*600mm窨井37座。倒虹管25米,DN300HDPE双壁缠绕管,1000*1000mm倒虹筑龙网本文共68页更多详细内容》》http://sl.zhulong.com/shuili.asp筑龙网本文共68页更多详细内容》》http://sl.zhulong.com/shuili.asp井2座。xxx:开槽埋管DN300PVC加筋管1031米,600*600mm窨井52座。倒虹管70米,DN300HDPE双壁缠绕管,1000*1000mm倒虹井4座。三、现场条件3.1、交通条件本工程道路交通条件较好,xx公路、xx路及xx耕路可以利用,xx镇有xxx公路、xxx公路等可以利用。内场交通条件:经过现场踏勘,现我们对现场的实际情况有了初步的了解,我们计划进场后立即对现场可以利用的机耕路进行加固,在没有机耕路的地方修筑施工便道,便道结构图如下:筑龙网本文共68页更多详细内容》》http://sl.zhulong.com/shuili.asp截水沟砂砾石厚250mm碎石厚100mm基土压实筑龙网本文共68页更多详细内容》》http://sl.zhulong.com/shuili.asp3.2、临时设施搭设条件施工管理项目部我们拟搭建在xx镇,位于xx东路和xxx交叉处,该处有一块空地,我们将立即联系当地政府,做好前期协调工作。3.3、弃土场(排泥场)条件本工程将产生大量的弃土,我们在已与当地政府进行了沟通并达成共识,当地政府也将积极配合我们并提供该地区地势低洼段以供堆土。3.4、施工围堰本工程计划施工方式如下,将要整治的河道两端修筑木桩拦河坝,再将水位降至2.50米以下20cm左右,然后施工护岸,护岸施工完毕后再继续施工挖除拦河坝,用挖泥船进行疏浚。首先,我们在施工前一定会去海事局办理的“水上水下施工作业许可证”。为保证工程顺利实施,本工程施工必须采用有桩围堰,围堰平均高度1.5m,平均底高程2.0m,顶高程3.5m。围堰结构图如下:筑龙网本文共68页更多详细内容》》http://sl.zhulong.com/shuili.asp筑龙网本文共68页更多详细内容》》http://sl.zhulong.com/shuili.asp第二章施工特点、难点及处理方案本工程涉及到河道疏浚、护岸、绿化等,工程量较大、结构形式多且工作延长面较长、较广,且河道沿线局部地区两侧居民房屋较多,施工时需要协调管理,为此我公司拟成立一个项目部,在项目部的统一领导和指挥下,进行各分部、分项工作的流水作业,充分发挥人员、机具及其材料的利用率,从而发挥出最大的生产效率。一、截污管道处理本工程的目的就是为解决河道的黑臭问题,所以,我们不仅会保质保量按期完成管道工程,在施工前,还会做到以下事宜:首先,对原有管道进行踏勘,保证管道标高、位置的准确;再次,在施工时,处理好临时排污的处理工作,同业主、环保局及时联系好,保证施工期间污水筑龙网本文共68页更多详细内容》》http://sl.zhulong.com/shuili.asp筑龙网本文共68页更多详细内容》》http://sl.zhulong.com/shuili.asp有出路。三、施工“不扰民”本河道沿岸两侧较多区域都有民房和企业,为响应文明施工,更好的提高工程素质,我们针对本工程施工中容易产生扰民现象的几点进行了探讨,把扰民减小到最低程度。3.1、前期协调我们在进场前先联系当地政府,与当地政府机构、企事业单位及居民群众搞好协作关系,做到“施工不扰民”措施。为群众、也为我们自己在施工中得到最好的配合,顺利的完成工程。3.2、施工影响3.2.1、施工噪音根据规定要求,我们坚决不在夜间22点至早晨6点该时间段内使用各种噪声超标的施工机械3.2.2、扬尘控制我们将统一指派洒水车在天气干燥时每天2-4小时洒一次水,并在每次土方开挖工程完工时对开挖出的余土用绿网进行遮盖,最大程度上做好扬尘控制措施。四、管线保护我们将在进场前联系建设单位了解本工程地...

1、当您付费下载文档后,您只拥有了使用权限,并不意味着购买了版权,文档只能用于自身使用,不得用于其他商业用途(如 [转卖]进行直接盈利或[编辑后售卖]进行间接盈利)。
2、本站所有内容均由合作方或网友上传,本站不对文档的完整性、权威性及其观点立场正确性做任何保证或承诺!文档内容仅供研究参考,付费前请自行鉴别。
3、如文档内容存在违规,或者侵犯商业秘密、侵犯著作权等,请点击“违规举报”。

碎片内容

黑臭河道整治工程施工组织设计

您可能关注的文档

中小学教育精品资料+ 关注
实名认证
内容提供者

中小学教育资料,优质文档创作者

确认删除?
VIP
微信客服
  • 扫码咨询
会员Q群
  • 会员专属群点击这里加入QQ群
客服邮箱
回到顶部