电脑桌面
添加小米粒文库到电脑桌面
安装后可以在桌面快捷访问

第5章建筑电气施工VIP免费

第5章建筑电气施工_第1页
1/4
第5章建筑电气施工_第2页
2/4
第5章建筑电气施工_第3页
3/4
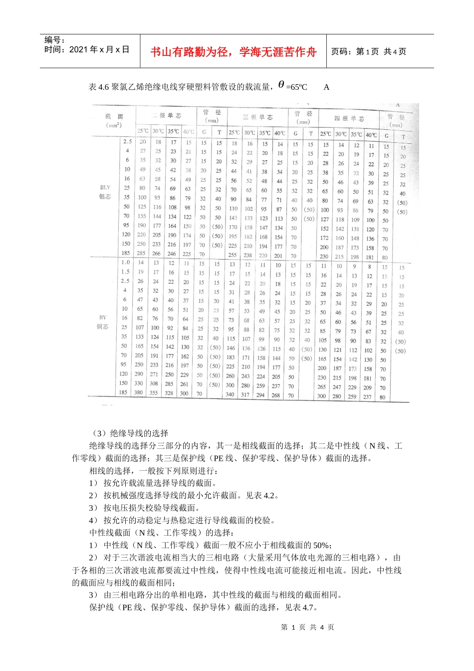
第1页共4页编号:时间:2021年x月x日书山有路勤为径,学海无涯苦作舟页码:第1页共4页表4.6聚氯乙烯绝缘电线穿硬塑料管敷设的载流量,θ=65ºCA(3)绝缘导线的选择绝缘导线的选择分三部分的内容,其一是相线截面的选择;其二是中性线(N线、工作零线)截面的选择;其三是保护线(PE线、保护零线、保护导体)截面的选择。相线的选择,一般按下列原则进行:1)按允许载流量选择导线的截面。2)按机械强度选择导线的最小允许截面。见表4.2。3)按电压损失校验导线截面。4)按允许的动稳定与热稳定进行导线截面的校验。中性线截面(N线、工作零线)的选择:1)中性线(N线、工作零线)截面一般不应小于相线截面的50%;2)对于三次谐波电流相当大的三相电路(大量采用气体放电光源的三相电路),由于各相的三次谐波电流都要流过中性线,使得中性线电流可能接近相电流。因此,中性线的截面应与相线的截面相同;3)由三相电路分出的单相电路,其中性线的截面与相线的截面相同。保护线(PE线、保护零线、保护导体)截面的选择,见表4.7。第2页共4页第1页共4页编号:时间:2021年x月x日书山有路勤为径,学海无涯苦作舟页码:第2页共4页表4.7保护导体的截面相线的截面积S(mm2)相应保护导体的最小截面积SP(mm2)S≤16S16800S/2注:S指柜(屏、台、箱、盘)电源进线相线截面积,且两者(S、SP)材质相同。4.3.3塑料护套线配线塑料护套线配线多用于居住及办公室等建筑室内电气照明线路。它具有防潮、耐酸和耐腐蚀、线路造价较低和安装方便等特点。按敷设方式分有明配和暗配(空心楼板内敷设)两种。按导线的固定方式分有铝线卡和塑料钢钉电线卡两种。1、明配塑料护套线的施工程序明配塑料护套线的施工程序:首先确定配线的位置,第二步敷设支持物和保护管,最后敷设导线。(1)配线位置的确定塑料护套线配线应避开烟道、热源和各种管道,线路对地和其他管道间的最小距离应分别满足规范要求。根据设计图纸要求,按线路的走向,确定线路中心线,并标明照明器具及穿墙套管的导线分支点的位置,以及接近电气器具旁的支持点和线路转角处导线支持点的位置。(2)敷设支持物和保护管1)敷设塑料护套线的保护管。为了保护导线不受意外损伤,护套绝缘电线与接地导体及不发热的管道紧贴交叉时,应加绝缘管保护,敷设在易受机械损伤的场所应用钢管保护。当塑料护套线穿过墙壁时,可用钢管、硬质塑料管或瓷管保护,其保护管突出墙面的长度为3-10mm。当塑料护套线穿过楼板时必须用钢管保护,其保护高度距地面不应低于1.8m,如在装设开关的地方,可保护到开关的高度。2)敷设塑料护套线的支持物。护套线的支持点位置,应根据电气器具的位置及导线截面大小来确定。在线路终端、转弯以及电气器具、设备或盒(箱)的边缘应用线卡固定,其固定点的距离宜为50-100mm。直线部位导线的线卡固定点间距应均匀分布,其距离为150~100mm。两根护套线敷设遇有十字交叉时,交叉口处的四方都应有固定点,护套线配线各固定点的位置如图4.11所示。第3页共4页第2页共4页编号:时间:2021年x月x日书山有路勤为径,学海无涯苦作舟页码:第3页共4页图4.11塑料护套线固定点位置(a)直线部分;(b)转角部分;(c)十字交叉;(d)进入木台;(e)进入管子塑料钢钉电线卡是近年来使用比较广泛的塑料护套线支持件。敷设时,将导线卡入后,用水泥钉将线卡直接钉入建筑物混凝土结构或砖墙上,施工方法简便。每个线卡只能卡一根导线,线卡的大小规格应与导线规格相匹配。如图4.12所示。图4.12塑料钢钉电线卡1-塑料护套线;2-电线卡;3-钢钉(3)线路敷设塑料护套线在敷设前应勒直、勒平。敷设的方法如图4.13所示。在夹持铝线卡的过程中应进行检查,如有偏斜,用小锤轻敲线夹,予以纠正。多根护套线成排平行或垂直敷设时,应上下或左右排列紧密,间距一致,不能有明显空隙。要求所敷设的线路应横平竖直,不应松驰、扭绞和曲折,且平直度和垂直度不应大于5mm。护套线在同一平面上转弯时,弯曲半径应不小于护套线宽度的3倍;在不同平面上转弯时,弯曲半径应不小于护套线厚度的3倍。护套线在弯曲时,不应损伤线...

1、当您付费下载文档后,您只拥有了使用权限,并不意味着购买了版权,文档只能用于自身使用,不得用于其他商业用途(如 [转卖]进行直接盈利或[编辑后售卖]进行间接盈利)。
2、本站所有内容均由合作方或网友上传,本站不对文档的完整性、权威性及其观点立场正确性做任何保证或承诺!文档内容仅供研究参考,付费前请自行鉴别。
3、如文档内容存在违规,或者侵犯商业秘密、侵犯著作权等,请点击“违规举报”。

碎片内容

第5章建筑电气施工

中小学教育精品资料+ 关注
实名认证
内容提供者

中小学教育资料,优质文档创作者

确认删除?
VIP
微信客服
  • 扫码咨询
会员Q群
  • 会员专属群点击这里加入QQ群
客服邮箱
回到顶部