电脑桌面
添加小米粒文库到电脑桌面
安装后可以在桌面快捷访问

电气设备点检标准概述VIP专享VIP免费

电气设备点检标准概述_第1页
1/34
电气设备点检标准概述_第2页
2/34
电气设备点检标准概述_第3页
3/34
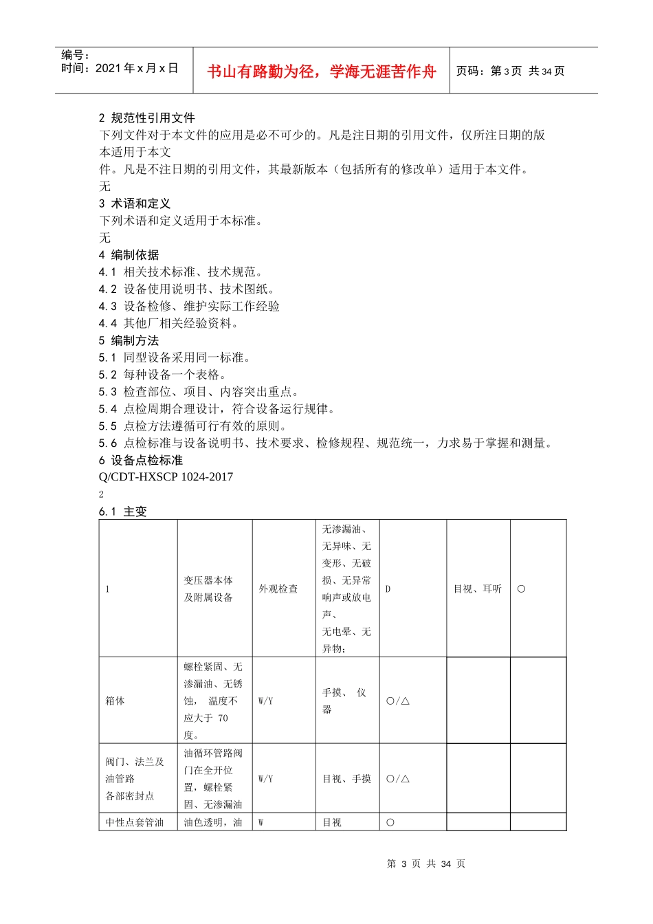
第1页共34页编号:时间:2021年x月x日书山有路勤为径,学海无涯苦作舟页码:第1页共34页目次前言.............................................................................III1范围..............................................................................12规范性引用文件....................................................................13术语和定义........................................................................14编制依据..........................................................................15编制方法..........................................................................16设备点检标准......................................................................16.1主变..........................................................................26.2高厂变........................................................................46.3启备变........................................................................66.4干式变压器....................................................................86.5励磁变压器....................................................................96.6发电机离相封闭母线...........................................................106.7高厂变、高备变共箱封闭母线...................................................116.8330kVSF6开关...............................................................126.9330kV线路避雷器..............................................................136.10330kV架构、支持瓷瓶及架空导线...............................................14第2页共34页第1页共34页编号:时间:2021年x月x日书山有路勤为径,学海无涯苦作舟页码:第2页共34页6.116kV配电装置.................................................................156.12380VPC配电柜..............................................................176.13380VMCC配电柜.............................................................196.14发电机......................................................................206.156kV交流电动机...............................................................246.16直流电动机..................................................................296.17380V交流电动机..............................................................306.18照明设备....................................................................326.19电除尘......................................................................326.20就地控制柜..................................................................346.21电缆........................................................................35Q/CDT-HXSCP1024-2017II前言本标准按照第二热电厂Q/CDT-HXSCP1001-2017《标准编写规定》给出的规则起草。本标准代替原电气设备点检标准,与上一版相比主要变化如下:——对上一版本格式进行了规范化修改。本标准由第二热电厂标准化委员会提出。本标准由第二热电厂技术标准专业委员会归口。本标准起草部门:技术设备部。本标准主要起草人:喻峰、张高慧、王超。本标准2006年11月首次发布,本次为第一次修订。Q/CDT-HXSCP1024-20171电气设备点检标准1范围本标准规定了第二热电厂电气设备的点检部位、点检项目、点检内容、点检标准、点检周期及点检方法。本标准适用于第二热电厂电气设备的点检工作。第3页共34页第2页共34页编号:时间:2021年x月x日书山有路勤为径,学海无涯苦作舟页码:第3页共34页2规范性引用文件下列文件对于本文件的应用是必不可少的。凡是注日期的引用文件,仅所注日期的版本适用于本文件。凡是不注日期的引用文件,其最新版本(包括所有的修改单)适用于本文件。无3术语和定义下列术语和定义...

1、当您付费下载文档后,您只拥有了使用权限,并不意味着购买了版权,文档只能用于自身使用,不得用于其他商业用途(如 [转卖]进行直接盈利或[编辑后售卖]进行间接盈利)。
2、本站所有内容均由合作方或网友上传,本站不对文档的完整性、权威性及其观点立场正确性做任何保证或承诺!文档内容仅供研究参考,付费前请自行鉴别。
3、如文档内容存在违规,或者侵犯商业秘密、侵犯著作权等,请点击“违规举报”。

碎片内容

电气设备点检标准概述

确认删除?
VIP
微信客服
  • 扫码咨询
会员Q群
  • 会员专属群点击这里加入QQ群
客服邮箱
回到顶部