电脑桌面
添加小米粒文库到电脑桌面
安装后可以在桌面快捷访问

电力电气设备和其它电气设备制造业VIP免费

电力电气设备和其它电气设备制造业_第1页
1/14
电力电气设备和其它电气设备制造业_第2页
2/14
电力电气设备和其它电气设备制造业_第3页
3/14
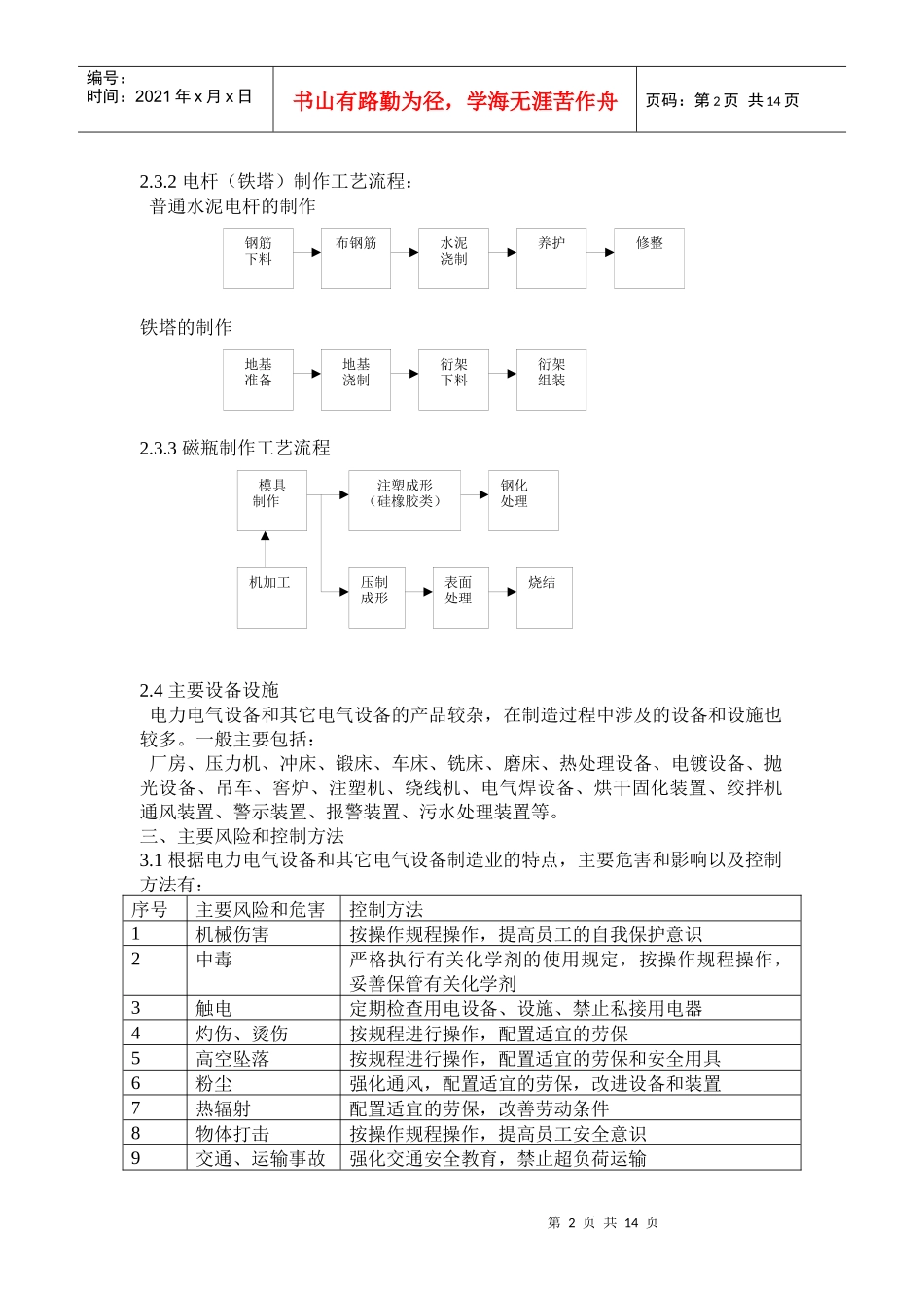
第1页共14页编号:时间:2021年x月x日书山有路勤为径,学海无涯苦作舟页码:第1页共14页电力电气设备和其它电气设备制造业审核指导书一、目的和范围为指导审核员了解电力电气设备和其它电气设备制造的工艺流程和主要风险,熟悉相关的法律、法规,了解工艺过程和风险控制措施,制定本指导书。本指导书适用制造业OSH管理体系审核指导。二、专业范畴和主要的工艺流程2.1专业范畴电力电气设备和其它电气设备制造业包括:(1)发电设备的制造(如发电机等);(2)输送电设备的制造(如变压器、供电线路、电杆和铁塔、绝缘装置等);(3)起动设备的制造(包括:配电盘、配电板、磁力起动器、起动开关等);(4)用电设备的制造(包括:电机、变压器、电热炉、开关、电动工具等);(5)保护设备的制造(包括:断电器、超压保护器、熔断器、漏电保护器等)2.2专业特点电力电气设备和其它电气设备制造业有如下特点:1)本专业的产品质量要求和安全性能要求强。属国家进行强制安全管理的产品。2)本专业产品的制造工艺繁杂,各种不同的产品有其独特的制造工艺和要求。因而在职业安全健康的危害和危险都不一样,控制的要求、方法和程度各不相同。3)本专业产品的耐用性和可靠性要求比较高。4)电力电气设备和其它电气设备制造过程中涉及多种外包产品,对外包产品的质量控制是同样是保证本专业产品的重要关键,所以应重视供方的控制。2.3工艺流程图由于电力电气设备和其它电气设备的产品非常多,不可能一一列出其工艺流程,现将典型的产品工艺流程展示如下:2.3.1电机制造工艺流程:砂钢片冲压线圈绕制定型绝缘处理固化固化碳制压制组装试验机加工外壳浇制第2页共14页第1页共14页编号:时间:2021年x月x日书山有路勤为径,学海无涯苦作舟页码:第2页共14页2.3.2电杆(铁塔)制作工艺流程:普通水泥电杆的制作铁塔的制作2.3.3磁瓶制作工艺流程2.4主要设备设施电力电气设备和其它电气设备的产品较杂,在制造过程中涉及的设备和设施也较多。一般主要包括:厂房、压力机、冲床、锻床、车床、铣床、磨床、热处理设备、电镀设备、抛光设备、吊车、窖炉、注塑机、绕线机、电气焊设备、烘干固化装置、绞拌机通风装置、警示装置、报警装置、污水处理装置等。三、主要风险和控制方法3.1根据电力电气设备和其它电气设备制造业的特点,主要危害和影响以及控制方法有:序号主要风险和危害控制方法1机械伤害按操作规程操作,提高员工的自我保护意识2中毒严格执行有关化学剂的使用规定,按操作规程操作,妥善保管有关化学剂3触电定期检查用电设备、设施、禁止私接用电器4灼伤、烫伤按规程进行操作,配置适宜的劳保5高空坠落按规程进行操作,配置适宜的劳保和安全用具6粉尘强化通风,配置适宜的劳保,改进设备和装置7热辐射配置适宜的劳保,改善劳动条件8物体打击按操作规程操作,提高员工安全意识9交通、运输事故强化交通安全教育,禁止超负荷运输钢筋下料布钢筋水泥浇制养护修整地基准备地基浇制衍架下料衍架组装模具制作注塑成形(硅橡胶类)钢化处理机加工压制成形表面处理烧结第3页共14页第2页共14页编号:时间:2021年x月x日书山有路勤为径,学海无涯苦作舟页码:第3页共14页10违章操作持证上岗,进行操作培训11噪声伤害进行技术改造,改进劳动条件12化学物伤害按操作规程操作,严格执行有关化学物质的使用规定,妥善保管有关化学物质13食物中毒严格遵守食品卫生法,把好食品采购、制作、贮存关,注意饮水安全14传染病提高员工防病意识,强化防疫宣传15废物伤害新、改、扩建项目坚持按:三同时“要求实施,对现有的废气、废物、废水排放进行治理,使之符合规定要求16职业病提高员工防病意识,改善劳动条件。3.2应急响应措施3.2.1编制应急手册,并使每个员工都能掌握应急程序和方法。3.2.2设置安全通道,并将安全通道的位置、路线明示。3.2.3设置并经常性地保持消防设施完好,保持消防通道的畅通。3.2.4对员工进行应急培训,经常性地进行应急演习。3.2.5准备相应的急救药品和用品,设立专用通讯设备,与当地急救系统、救灾系统、支援系统建立联系,一旦需要能提供充足的支持。五、审核重点及审核方法5.1...

1、当您付费下载文档后,您只拥有了使用权限,并不意味着购买了版权,文档只能用于自身使用,不得用于其他商业用途(如 [转卖]进行直接盈利或[编辑后售卖]进行间接盈利)。
2、本站所有内容均由合作方或网友上传,本站不对文档的完整性、权威性及其观点立场正确性做任何保证或承诺!文档内容仅供研究参考,付费前请自行鉴别。
3、如文档内容存在违规,或者侵犯商业秘密、侵犯著作权等,请点击“违规举报”。

碎片内容

电力电气设备和其它电气设备制造业

确认删除?
VIP
微信客服
  • 扫码咨询
会员Q群
  • 会员专属群点击这里加入QQ群
客服邮箱
回到顶部