电脑桌面
添加小米粒文库到电脑桌面
安装后可以在桌面快捷访问

电子技术实训指导书2doc-实训二、使用Protel9VIP免费

电子技术实训指导书2doc-实训二、使用Protel9_第1页
1/8
电子技术实训指导书2doc-实训二、使用Protel9_第2页
2/8
电子技术实训指导书2doc-实训二、使用Protel9_第3页
3/8
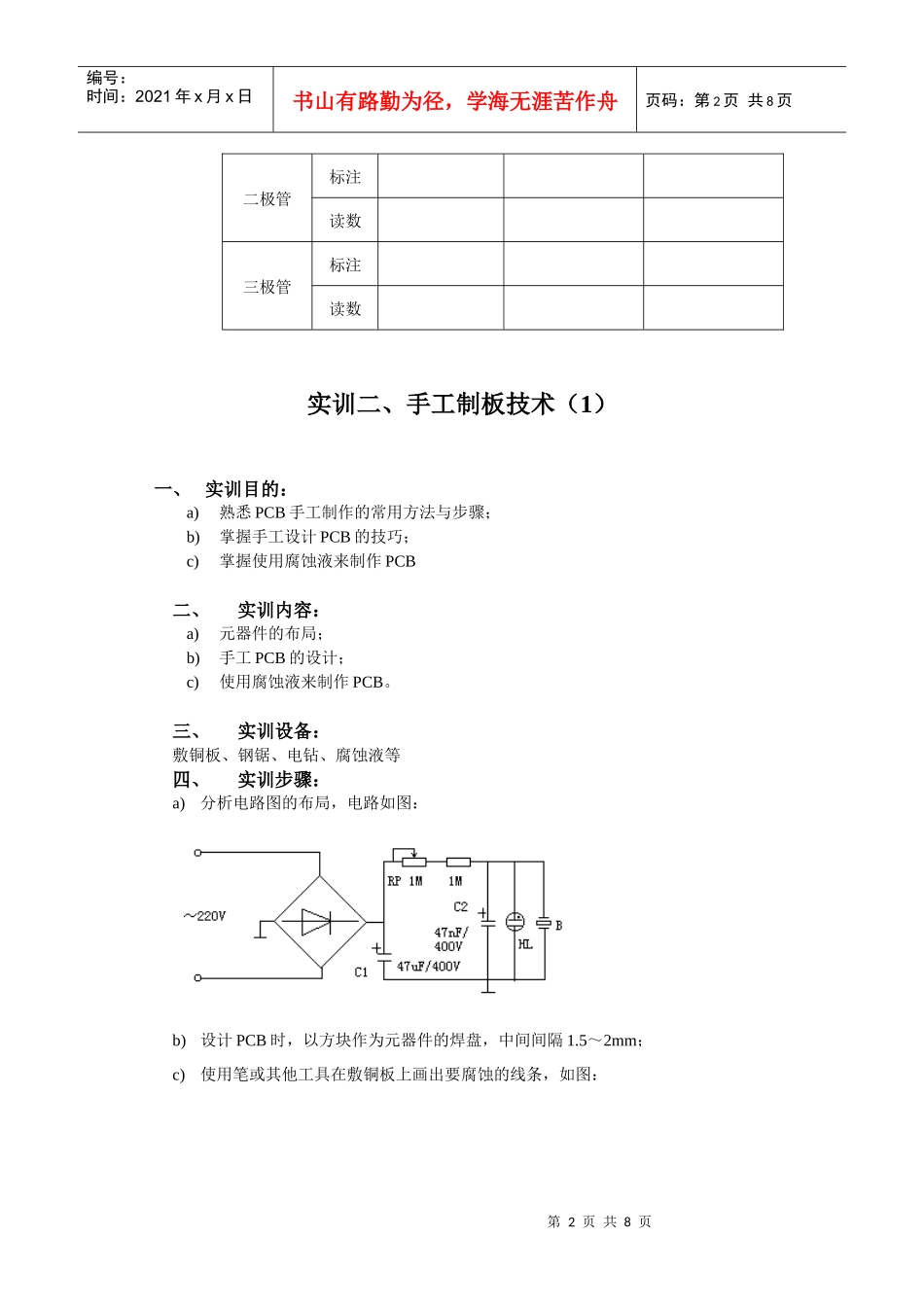
第1页共8页编号:时间:2021年x月x日书山有路勤为径,学海无涯苦作舟页码:第1页共8页实训一、常用电子元器件的识别与测试一、实训目的:1.熟悉常用电子元器件的外形结构;2.掌握常用电子元器件参数的识别;3.掌握使用万用表测试常用电子元器件参数。二、实训内容:1.常用电子元器件的外形结构的认识;2.常用电子元器件参数的识别;3.使用万用表测试常用电子元器件参数。三、实训设备:电阻、电容等常用电子元器件,万用表四、实训步骤:1.通过对常用电子元器件实物的观察,识别各种电子元器件,能说出它的名称。比如电阻(包括碳膜电阻、金属膜电阻怕、排阻等)、电容(包括电解电容、瓷片电容、独石电容等)、二极管(包括整流二极管、开关二极管等)、三极管(包括金属封装三极管、塑封三极管等)、发光二极管(包括小直径和大直径、白光、红光、绿光、黄光、蓝光等)、数码管、点阵管、按键、串行接口、并行接口、集成电路等等;2.对电阻上,可以通过直接读取色环参数来确定电阻的阻值;对电容上,通过数值参数的读取来确定具体的容量值;对二极管和三极管上,通过参数的读取来确定管子的性能和使用情况;3.使用万用表的电阻档、电容档、二极管档和三极管档等分别测试各类电子元器件的参数以及元器件的性能状况。类别测量参数1参数2参数3电阻标注读数电容标注读数第2页共8页第1页共8页编号:时间:2021年x月x日书山有路勤为径,学海无涯苦作舟页码:第2页共8页二极管标注读数三极管标注读数实训二、手工制板技术(1)一、实训目的:a)熟悉PCB手工制作的常用方法与步骤;b)掌握手工设计PCB的技巧;c)掌握使用腐蚀液来制作PCB二、实训内容:a)元器件的布局;b)手工PCB的设计;c)使用腐蚀液来制作PCB。三、实训设备:敷铜板、钢锯、电钻、腐蚀液等四、实训步骤:a)分析电路图的布局,电路如图:b)设计PCB时,以方块作为元器件的焊盘,中间间隔1.5~2mm;c)使用笔或其他工具在敷铜板上画出要腐蚀的线条,如图:第3页共8页第2页共8页编号:时间:2021年x月x日书山有路勤为径,学海无涯苦作舟页码:第3页共8页d)使用剪刀将透明胶带进行裁减,然后按照设计的图,用透明胶带粘在不能被腐蚀掉的铜层上面;e)将浓盐酸、浓过氧化氢和水以1:2:1的比例混合后成为腐蚀液;f)把贴好胶带的敷铜板放入腐蚀液中,不停摇晃容器加快腐蚀速度;g)经过1分钟左右的时间腐蚀好后,用镊子夹出来在自来水中冲洗干净;h)将腐蚀好的板子上的胶带去掉,再用钻头将焊点进行打孔;i)对线路板进行美观等工艺的制作。实训三、电子线路焊接技术一、实训目的:4.掌握元器件在线路板上的布局;5.掌握常用电子元器件在线路板上插装形状;6.掌握使用电烙铁焊接的工艺。二、实训内容:a)元器件的布局;b)常用电子元器件的插装;c)使用电烙铁焊接。三、实训设备:电烙铁、松香、焊锡丝、剪子等四、实训步骤:a)根据制作好的线路板,按照元器件在线路板上的位置进行布局,确定安装的元器件类型、参数、引脚的正负极等;b)按照元器件在线路板上安装的位置以及大小情况,确定元器件在线路板上安装时第4页共8页第3页共8页编号:时间:2021年x月x日书山有路勤为径,学海无涯苦作舟页码:第4页共8页的形式,分别采取卧式、立式等;c)将元器件安装在线路板上之后并翻转,使背面的焊点朝上;d)将已经加热好的电烙铁的细头接触焊点和元器件引脚1-2秒,然后将焊锡丝送到焊点位置;e)通过加热使焊丝熔化,跟焊盘上的铜和元器件的引脚焊接在一起,时间不超过2秒钟;f)全部焊接完毕,使用剪子将多余的引脚剪掉;g)通过摇动元器件观察引脚焊接的工艺情况,若松动则需要重新补焊。实训四、收音机的组装与调试一、实训目的:7.通过对收音机的安装、焊接及调试,了解电子产品的装配过程;8.掌握元器件的识别及质量检验;9.学习整机的装配工艺;10.学习整机调试和测试;11.学习收音机故障检查和维修。二、实训内容:a)收音机电路元器件的识别及质量检验;b)手工焊接收音机电路;c)对收音机进行调试和故障检修。三、实训设备:收音机元器件套件、电烙铁、焊锡丝、万用表等四、实训步骤:一、实验准备(1)按材料清单清点全套零件,并保管好...

1、当您付费下载文档后,您只拥有了使用权限,并不意味着购买了版权,文档只能用于自身使用,不得用于其他商业用途(如 [转卖]进行直接盈利或[编辑后售卖]进行间接盈利)。
2、本站所有内容均由合作方或网友上传,本站不对文档的完整性、权威性及其观点立场正确性做任何保证或承诺!文档内容仅供研究参考,付费前请自行鉴别。
3、如文档内容存在违规,或者侵犯商业秘密、侵犯著作权等,请点击“违规举报”。

碎片内容

电子技术实训指导书2doc-实训二、使用Protel9

您可能关注的文档

确认删除?
VIP
微信客服
  • 扫码咨询
会员Q群
  • 会员专属群点击这里加入QQ群
客服邮箱
回到顶部