电脑桌面
添加小米粒文库到电脑桌面
安装后可以在桌面快捷访问

民用航空货运管理单VIP免费

民用航空货运管理单_第1页
1/3
民用航空货运管理单_第2页
2/3
民用航空货运管理单_第3页
3/3
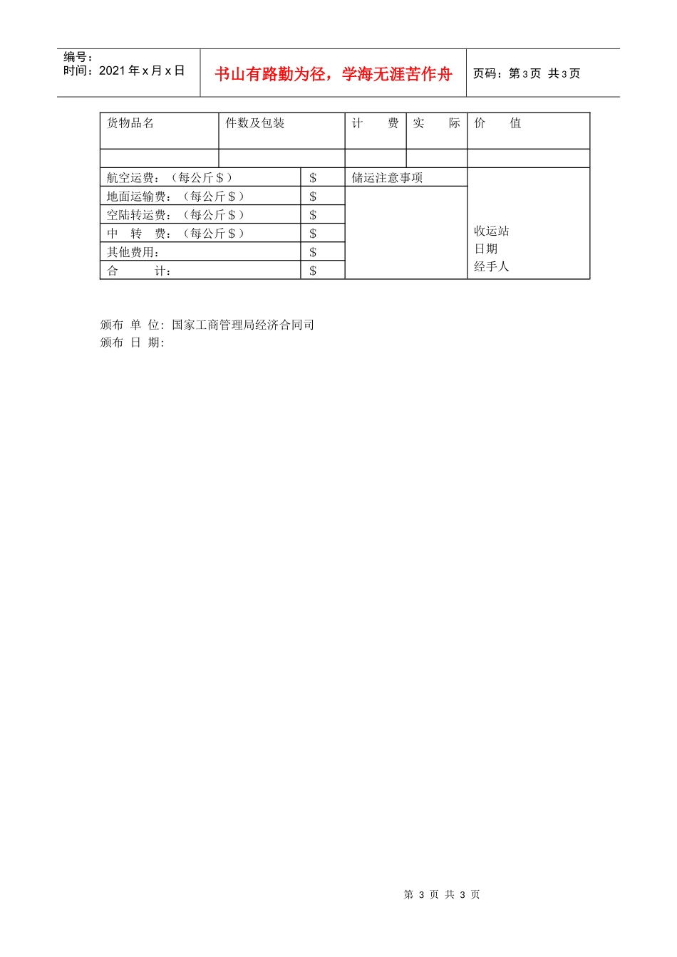
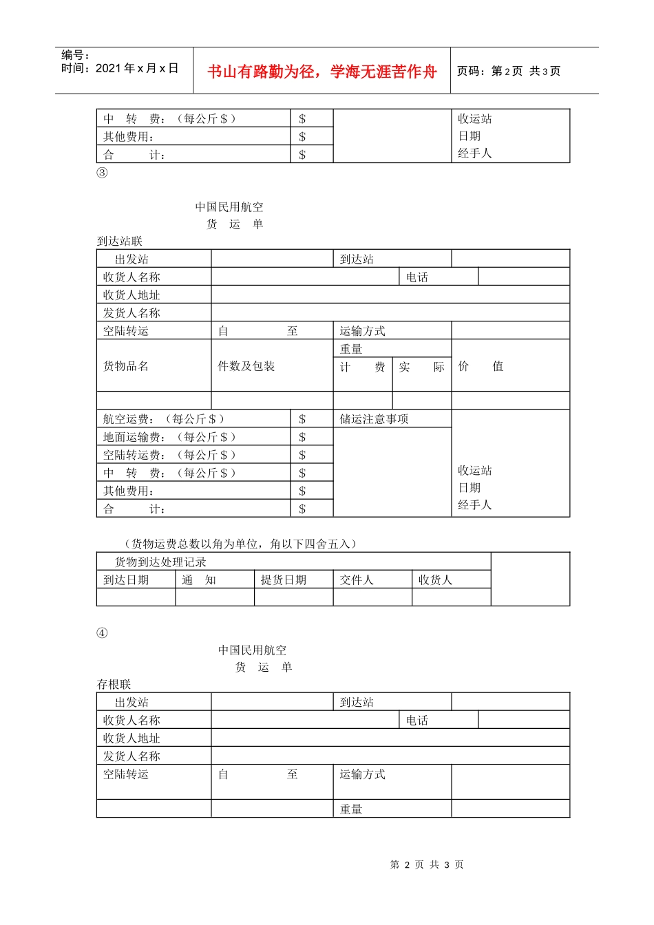
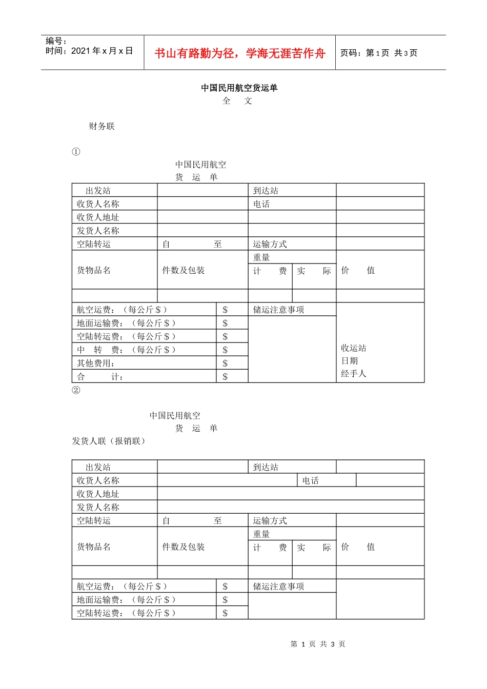
第1页共3页编号:时间:2021年x月x日书山有路勤为径,学海无涯苦作舟页码:第1页共3页中国民用航空货运单全文财务联①中国民用航空货运单出发站到达站收货人名称电话收货人地址发货人名称空陆转运自至运输方式货物品名件数及包装重量价值计费实际航空运费:(每公斤$)$储运注意事项收运站日期经手人地面运输费:(每公斤$)$空陆转运费:(每公斤$)$中转费:(每公斤$)$其他费用:$合计:$②中国民用航空货运单发货人联(报销联)出发站到达站收货人名称电话收货人地址发货人名称空陆转运自至运输方式货物品名件数及包装重量价值计费实际航空运费:(每公斤$)$储运注意事项地面运输费:(每公斤$)$空陆转运费:(每公斤$)$第2页共3页第1页共3页编号:时间:2021年x月x日书山有路勤为径,学海无涯苦作舟页码:第2页共3页收运站日期经手人中转费:(每公斤$)$其他费用:$合计:$③中国民用航空货运单到达站联出发站到达站收货人名称电话收货人地址发货人名称空陆转运自至运输方式货物品名件数及包装重量价值计费实际航空运费:(每公斤$)$储运注意事项收运站日期经手人地面运输费:(每公斤$)$空陆转运费:(每公斤$)$中转费:(每公斤$)$其他费用:$合计:$(货物运费总数以角为单位,角以下四舍五入)货物到达处理记录到达日期通知提货日期交件人收货人④中国民用航空货运单存根联出发站到达站收货人名称电话收货人地址发货人名称空陆转运自至运输方式重量第3页共3页第2页共3页编号:时间:2021年x月x日书山有路勤为径,学海无涯苦作舟页码:第3页共3页货物品名件数及包装价值计费实际航空运费:(每公斤$)$储运注意事项收运站日期经手人地面运输费:(每公斤$)$空陆转运费:(每公斤$)$中转费:(每公斤$)$其他费用:$合计:$颁布单位:国家工商管理局经济合同司颁布日期:

1、当您付费下载文档后,您只拥有了使用权限,并不意味着购买了版权,文档只能用于自身使用,不得用于其他商业用途(如 [转卖]进行直接盈利或[编辑后售卖]进行间接盈利)。
2、本站所有内容均由合作方或网友上传,本站不对文档的完整性、权威性及其观点立场正确性做任何保证或承诺!文档内容仅供研究参考,付费前请自行鉴别。
3、如文档内容存在违规,或者侵犯商业秘密、侵犯著作权等,请点击“违规举报”。

碎片内容

民用航空货运管理单

您可能关注的文档

中小学文库+ 关注
实名认证
内容提供者

精品资料应用尽有

确认删除?
VIP
微信客服
  • 扫码咨询
会员Q群
  • 会员专属群点击这里加入QQ群
客服邮箱
回到顶部