电脑桌面
添加小米粒文库到电脑桌面
安装后可以在桌面快捷访问

某药厂厂房与设施管理VIP免费

某药厂厂房与设施管理_第1页
1/21
某药厂厂房与设施管理_第2页
2/21
某药厂厂房与设施管理_第3页
3/21
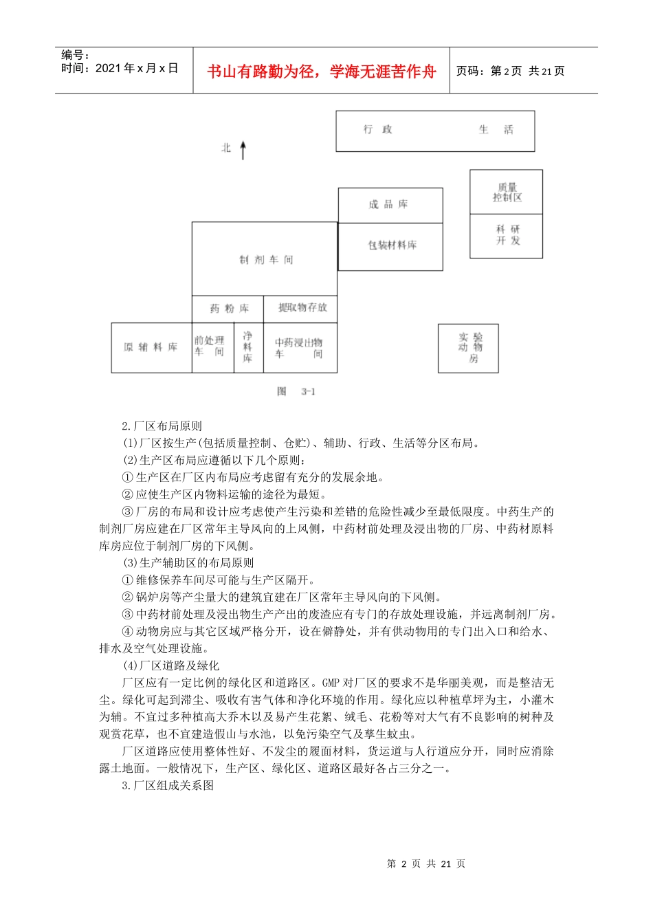
第1页共21页编号:时间:2021年x月x日书山有路勤为径,学海无涯苦作舟页码:第1页共21页厂房与设施第一节概述一、指导原则为了符合药品生产要求,GMP对厂房的位置选择、结构设计、建设改造、维护和保养提出了具体的指导原则:1.厂区环境、厂房的设计布局应适合生产操作,并能有效地避免因交叉污染等因素影响药品质量,使产生差错的危险降至最低限度。2.厂区环境、厂房的设计布局应便于清洗、保养和维修。二、中成药生产厂房设计的特殊性由于中成药生产的特殊性而导致厂房设计的特殊性。1.中药材来源渠道多,含杂质也较多。在制剂生产前需进行中药材原料的加工处理。2.中药材前处理、浸出物生产及中药辅料制剂生产前的加工处理等要与制剂生产分设厂房。3.中药材前处理操作厂房应考虑有良好的通风、除尘、除烟、降温等设施。4.中药材浸出物生产厂房应考虑有效的除湿、排风设施。5.中药材体积大、品种多,中药成方制剂又多为复方,故所需原料仓贮面积较大。6.中药材前处理及浸出物生产产生废渣较多,体积也较大,应有垃圾处理设施并与厂房相隔一定距离。第二节中成药生产环境及厂区布局一、生产环境GMP对药品生产环境的要求应是整洁无尘,无污染源。1.新厂址选择或改、扩建厂房时应考虑远离交通要道至少30米以上,以50米以上为宜。否则空气中含尘浓度过高,对生产区尤其是洁净厂房净化空调系统的初、高效空气过滤器有直接的影响,并增加污染机会。如确系不能选择理想的厂址时,厂房应建于空气污染源常年主导风向的上风侧。以北京为例,中药生产企业中的老企业大多是从手工作坊发展起来的,位于市中心的较多,规模也较小,不适应生产发展的需要,由于中药生产规模化、系列化的逐步形成,除个别老企业外,大部分中药生产企业在扩建、改建时,新厂厂址都选择在郊区,使生产环境大大优于市区,尤其优于工业企业集中的区域。北京郊区的环境远远优于城区。据资料统计,北京1980年10月至1981年l1月的大气含尘浓度,农村为3.56万(≥0.5μ粒径)粒/升,而城市却高达10.99万(≥0.5μ粒径)粒/升。2.水源水质应符合中成药生产工艺用水要求。二、厂区布局l.厂区布局示意图第2页共21页第1页共21页编号:时间:2021年x月x日书山有路勤为径,学海无涯苦作舟页码:第2页共21页2.厂区布局原则(l)厂区按生产(包括质量控制、仓贮)、辅助、行政、生活等分区布局。(2)生产区布局应遵循以下几个原则:①生产区在厂区内布局应考虑留有充分的发展余地。②应使生产区内物料运输的途径为最短。③厂房的布局和设计应考虑使产生污染和差错的危险性减少至最低限度。中药生产的制剂厂房应建在厂区常年主导风向的上风侧,中药材前处理及浸出物的厂房、中药材原料库房应位于制剂厂房的下风侧。(3)生产辅助区的布局原则①维修保养车间尽可能与生产区隔开。②锅炉房等产尘量大的建筑宜建在厂区常年主导风向的下风侧。③中药材前处理及浸出物生产产出的废渣应有专门的存放处理设施,并远离制剂厂房。④动物房应与其它区域严格分开,设在僻静处,并有供动物用的专门出入口和给水、排水及空气处理设施。(4)厂区道路及绿化厂区应有一定比例的绿化区和道路区。GMP对厂区的要求不是华丽美观,而是整洁无尘。绿化可起到滞尘、吸收有害气体和净化环境的作用。绿化应以种植草坪为主,小灌木为辅。不宜过多种植高大乔木以及易产生花絮、绒毛、花粉等对大气有不良影响的树种及观赏花草,也不宜建造假山与水池,以免污染空气及孳生蚊虫。厂区道路应使用整体性好、不发尘的履面材料,货运道与人行道应分开,同时应消除露土地面。一般情况下,生产区、绿化区、道路区最好各占三分之一。3.厂区组成关系图第3页共21页第2页共21页编号:时间:2021年x月x日书山有路勤为径,学海无涯苦作舟页码:第3页共21页图3-2第三节中成药生产厂房设计一、厂房设计原则GMP要求厂房的设计布局应使药品从原料接收、加工、包装至贴签生产的全过程均能将混药或污染的危险性降至最低限度。因而药品生产必须按照工艺和质量要求,在相应洁净级别的生产厂房中进行。这是保证所生产的药品不被污染的关键措施之一,也是实施GMP的基本要求。1.厂房设计思想及注意事...

1、当您付费下载文档后,您只拥有了使用权限,并不意味着购买了版权,文档只能用于自身使用,不得用于其他商业用途(如 [转卖]进行直接盈利或[编辑后售卖]进行间接盈利)。
2、本站所有内容均由合作方或网友上传,本站不对文档的完整性、权威性及其观点立场正确性做任何保证或承诺!文档内容仅供研究参考,付费前请自行鉴别。
3、如文档内容存在违规,或者侵犯商业秘密、侵犯著作权等,请点击“违规举报”。

碎片内容

某药厂厂房与设施管理

确认删除?
VIP
微信客服
  • 扫码咨询
会员Q群
  • 会员专属群点击这里加入QQ群
客服邮箱
回到顶部