电脑桌面
添加小米粒文库到电脑桌面
安装后可以在桌面快捷访问

某宾馆施工组织设计范文VIP免费

某宾馆施工组织设计范文_第1页
1/82
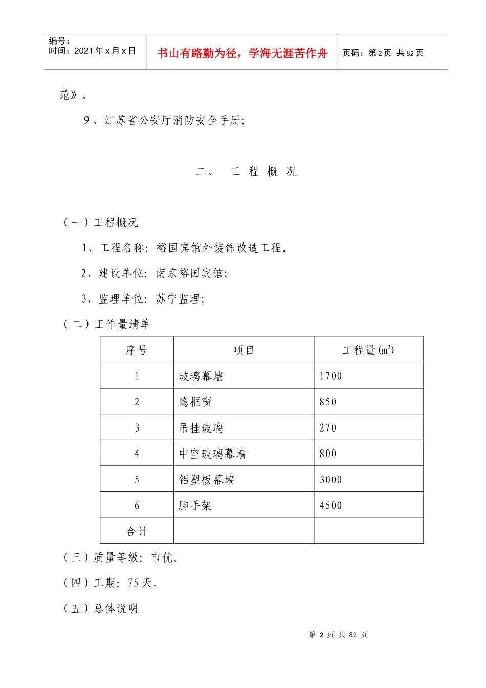
某宾馆施工组织设计范文_第2页
2/82
某宾馆施工组织设计范文_第3页
3/82
第1页共82页编号:时间:2021年x月x日书山有路勤为径,学海无涯苦作舟页码:第1页共82页一、编制说明(一)编制说明1、本方案编制对象为裕国宾馆外装饰改造工程。2、施工组织设计系本工程的竞标文件。本工程项目施工进度计划的安排,按日历天数排列,开工日期依据业主书面开工报告日期为准。(二)编制依据:1、工程招标文件及招标答疑纪要。2、裕国宾馆工程的建筑施工图。3、现行国家建筑安装、幕墙工程施工验收规范、技术规程及标准。(三)施工中应严格遵循下列有关规范、规程、规定执行:1、中华人民共和国颁发的《建筑安装工程施工及验收规范》。2、中华人民共和国颁发的《建筑安装工程质量检验评定标准》GBT300-88。3、中华人民共和国建筑行业标准《建筑幕墙》JG3035-1996。4、中华人民共和国行业标准《玻璃幕墙工程技术规范》JGJ102-96。5、中华人民共和国行业标准《金属板材与石材幕墙工程技术规范》。6、中华人民共和国国家标准《钢结构工程施工及验收规范》GB50205-95。7、江苏省建工局颁发的《建筑安装工程技术规程》。8、中华人民共和国颁发的《建筑安装工人安全技术操作规程》、《建筑施工高处作业安全技术规范》、《施工现场临时用电安全技术规第2页共82页第1页共82页编号:时间:2021年x月x日书山有路勤为径,学海无涯苦作舟页码:第2页共82页范》。9、江苏省公安厅消防安全手册;二、工程概况(一)工程概况1、工程名称:裕国宾馆外装饰改造工程。2、建设单位:南京裕国宾馆;3、监理单位:苏宁监理;(二)工作量清单序号项目工程量(m2)1玻璃幕墙17002隐框窗8503吊挂玻璃2704中空玻璃幕墙8005铝塑板幕墙30006脚手架4500合计(三)质量等级:市优。(四)工期:75天。(五)总体说明第3页共82页第2页共82页编号:时间:2021年x月x日书山有路勤为径,学海无涯苦作舟页码:第3页共82页本施工组织设计是对裕国宾馆外装饰改造工程在施工组织、施工管理劳动力组织、材料设备供应、施工工艺、进度计划、质量安全措施等作详细而周全的设计规划,使本工程外装饰施工的全过程中,各个环节始终处于受控状态,达到高质量、高标准、高水平,使业主称心满意,工程管理更加合理有效。三、施工步骤(一)施工步骤工作项目包括了材料加工、脚手架搭设、测量放线、后置埋件安装、龙骨、玻璃安装、铝板安装、注胶、拆除脚手架、清理现场等,采用综合小组分片流水作业,施工以先里后外、先上后下为原则。见以下施工网络图:(二)施工步骤网络图施工准备玻璃加工铝塑板加工材料进场测量放线龙骨部分校核玻璃、铝板部分注胶部分清洁埋件部分铝材加工清理第4页共82页第3页共82页编号:时间:2021年x月x日书山有路勤为径,学海无涯苦作舟页码:第4页共82页四、施工部署(一)施工部署为保证裕国宾馆外装饰改造工程在施工过程中做到有组织、有部署,使幕墙工程施工自始自终的有序进行,我们将组建裕国宾馆外装饰改造工程项目部,负责本工程的施工技术、质量、进度、安全、材料、文明施工等总体管理,公司领导及技术负责人统一指挥,直接协助项目部在装饰工程施工过程中各施工环节的协调工作,合理安排施工流水段,统筹协调好各分项,分部的施工,确保工程质量和施工进度。(二)施工组织1、主要施工管理人员职能:本幕墙工程一旦中标,我公司就专门成立裕国宾馆外装饰改造工程项目经理部。委派有丰富现场领导和管理经验的壹级项目经理担任本工定位固定校正定位清理刮胶注胶保护膜填料固定校正焊接打膨胀螺栓孔埋件安装第5页共82页第4页共82页编号:时间:2021年x月x日书山有路勤为径,学海无涯苦作舟页码:第5页共82页程项目负责人,并配备项目施工员、技术员、质量员、安全员、材料员、设备管理员等组成职能机构,全面负责本项目从开工到完工全过程的施工管理,生产指挥调度,技术质量安全,是我公司派驻本幕墙工程施工项目上的全权代理,对作业层负有管理与服务的职能,以确保本工程的质量与工期达到业主的要求。(1)项目经理:代表企业法人,对该工程全面质量负责,其职能为:负责项目经理部的全面工作,沟通部门之间、项目经理部与作业队之间、与总公司之间、与业主之间、与...

1、当您付费下载文档后,您只拥有了使用权限,并不意味着购买了版权,文档只能用于自身使用,不得用于其他商业用途(如 [转卖]进行直接盈利或[编辑后售卖]进行间接盈利)。
2、本站所有内容均由合作方或网友上传,本站不对文档的完整性、权威性及其观点立场正确性做任何保证或承诺!文档内容仅供研究参考,付费前请自行鉴别。
3、如文档内容存在违规,或者侵犯商业秘密、侵犯著作权等,请点击“违规举报”。

碎片内容

某宾馆施工组织设计范文

确认删除?
VIP
微信客服
  • 扫码咨询
会员Q群
  • 会员专属群点击这里加入QQ群
客服邮箱
回到顶部