电脑桌面
添加小米粒文库到电脑桌面
安装后可以在桌面快捷访问

燃气灶电磁阀VIP免费

燃气灶电磁阀_第1页
1/96
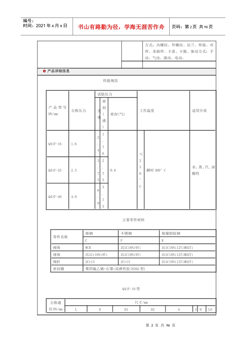
燃气灶电磁阀_第2页
2/96
燃气灶电磁阀_第3页
3/96
第1页共96页编号:时间:2021年x月x日书山有路勤为径,学海无涯苦作舟页码:第1页共96页燃气灶电磁阀民,为消费者做出一点奉献吧。小企业利润增速快于大型企业有色行业结构调整难度加大国家信息中心经济预测部产业处的报告认为,2006年以来,有色金属工业利润同比增长一倍多,其中小型企业利润增速远快于大中型企业,为该产业结构调整带来较大压力。1-5月份,有色金属工业规模以上企业实现工业产值4408.22亿元,累计同比增长53.79%,增速高于上年同期近21个百分点;完成销售收入4348.94亿元,累计同比增长56.42%,增幅比去年同期上涨22.27个百分点。在子行业中只有有色金属合金制造工业产值和销售收入同比增长速度低于50%,其余子行业2006年1-5月份均以50%以上高速增长。受国内经济高速增长和国际原材料市场价格一路走高双重影响,有色金属工业品出厂价格指数2006年持续走高,5月份位于近2年的最高值125.3点。1-5月份,有色金属行业共实现利润299.58亿元,累计同比增长106.94%,增幅比上年同期增加86.09个百分点,2006年以来全行业增速均保持在90%以上。子行业中,有色金属合金制造利润增速从高位下降,其余子行业利润增速继续攀升。值得注意的是,中小企业利润增速突飞猛进,其利润增速高达16球阀>>法兰球阀>>不锈钢球阀产品名称:不锈钢球阀产品型号:Q41F产品口径:DN15-DN250产品压力:1.6-10.0MPa产品材质:铸铁、铸钢、不锈钢等产品概括:生产标准:国家标准GB、机械标准JB、化工标准HG、美标API、ANSI、德标DIN、日本JIS、JPI、英标BS生产。阀体材质:铜、铸铁、铸钢、碳钢、WCB、WC6、WC9、20#、25#、锻钢、A105、F11、F22、不锈钢、304、304L、316、316L、铬钼钢、低温钢、钛合金钢等。工作压力1.0Mpa-50.0Mpa。工作温度:-196℃-650℃。连接第2页共96页第1页共96页编号:时间:2021年x月x日书山有路勤为径,学海无涯苦作舟页码:第2页共96页方式:内螺纹、外螺纹、法兰、焊接、对焊、承插焊、卡套、卡箍。驱动方式:手动、气动、液动、电动。产品详细信息性能规范产品型号DN/mm公称压力试验压力工作温度适用介质壳体密封(液)密封(气)Q41F-161.62.41.760.6≤250°C瞬时300°C水,蒸,汽,油酸性Q41F-252.53.752.75Q41F-404.06.03.75主要零件材料零件名称铸钢不锈钢铬镍钼钛钢CPR阀体WCBZG1C18Ni9TiZG1C18Ni12TiMO2Ti球体ZG1Cr18Ni9TiZG1C18Ni9TiZG1C18Ni12TiMO2Ti阀杆2Cr132Cr13ZG1C18Ni12TiMO2Ti密封圈聚四氟乙烯+石墨+高弹性胶(8202型)Q41F-16型公称通径DN/mm尺寸/mmLDD1D2bZHLO第3页共96页第2页共96页编号:时间:2021年x月x日书山有路勤为径,学海无涯苦作舟页码:第3页共96页-фd201401057555164-14110150251501158565164-141201603216513510078164-181451604018014511085164-1815525050200160125100184-1817530065220180145120184-1819530080250195160135208-18225320100280215180155208-8255320125320245210185228-18285400150360280240210248-2295400第4页共96页第3页共96页编号:时间:2021年x月x日书山有路勤为径,学海无涯苦作舟页码:第4页共96页32004003352952652612-23355450Q41F-25型公称通径DN/mm尺寸/mmLDD1D2bZ-фdHLO20140105755524-1411015025150115856524-14120160321651351007824-18145160401801451108534-181552505020016012510034-181753006522018014512038-181953008025019516013538-1822532010028023019016038-1825532012532027022018838-2328540015036030025021838-25295400200400360310278312-25335450Q41F-40型公称通径尺寸/mm第5页共96页第4页共96页编号:时间:2021年x月x日书山有路勤为径,学海无涯苦作舟页码:第5页共96页DN/mmLDD1D2D6fbZ-фdH201401057555512164-14110251501158065582164-141203218013510078662184-181404020014511085763204-1815550230160125100883204-18175652901801451201103228-18195803101951601351203228-182251003502301901601503248-232501254002702201881763288-252701504803002502182043308-2529020060037532028226033812-30350首页>>产品中心>>不锈钢保温球阀一、产品[保温球阀(替球阀)]的详细资料:产品名称...

1、当您付费下载文档后,您只拥有了使用权限,并不意味着购买了版权,文档只能用于自身使用,不得用于其他商业用途(如 [转卖]进行直接盈利或[编辑后售卖]进行间接盈利)。
2、本站所有内容均由合作方或网友上传,本站不对文档的完整性、权威性及其观点立场正确性做任何保证或承诺!文档内容仅供研究参考,付费前请自行鉴别。
3、如文档内容存在违规,或者侵犯商业秘密、侵犯著作权等,请点击“违规举报”。

碎片内容

燃气灶电磁阀

确认删除?
VIP
微信客服
  • 扫码咨询
会员Q群
  • 会员专属群点击这里加入QQ群
客服邮箱
回到顶部