电脑桌面
添加小米粒文库到电脑桌面
安装后可以在桌面快捷访问

汽车机械识图教案(DOC86页)VIP免费

汽车机械识图教案(DOC86页)_第1页
1/92
汽车机械识图教案(DOC86页)_第2页
2/92
汽车机械识图教案(DOC86页)_第3页
3/92
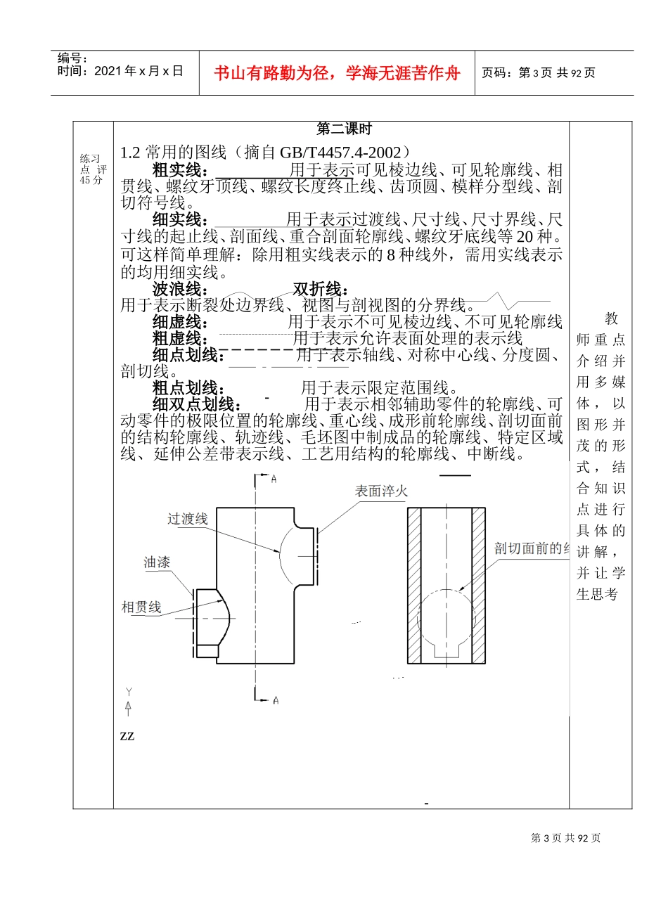
第1页共92页编号:时间:2021年x月x日书山有路勤为径,学海无涯苦作舟页码:第1页共92页讲次4课时2授课方法讲授、演示课题第一章:识图的基本知识教学目的要求熟悉图线的种类,线型应用及画法教学重点各种图线的使用教学难点用三角板、圆规绘制各种图线教具含电教设备多媒体教学设备时间分配教学内容及过程教学方法及教学内容的拾漏补遗复习导入10分第一课时第一章:识图的基本知识1.1机械图样图样:工程技术上根据投影方法并遵照国家标准的规定绘制成的用于工程施工或产品制造等用途的图叫做工程图样,简称图样。机械制造业所使用的图样称为机械图样。图样是工程技术人员借以表达和交流技术思想不可缺少的工程语言。立体图(轴测图)和视图立体图富有立体感,直观形象,度量性差,作图困难。视图能准确地表达出物体的形状和大小,且度量性好,作图方便。直观性较差,需将多个视图综合起来想象出空间形状。在视图上加注完整的尺寸、形状和位置公差、表面粗糙度要求、技术条件和标题栏等内容,就造成了工厂中常见的零件图。老师具体讲解、学生互动讨论第2页共92页编号:时间:2021年x月x日书山有路勤为径,学海无涯苦作舟页码:第2页共92页时间分配教学内容及过程教学方法及教学内容的拾漏补遗讲授35分用多媒体以图形并茂的形式,结合知识点进行具体的讲解,并让学生思考,举例说出自己平时见到过的零件。时间分配教学内容及过程教学方法及教学内容的拾漏补遗第3页共92页编号:时间:2021年x月x日书山有路勤为径,学海无涯苦作舟页码:第3页共92页练习点评45分第二课时1.2常用的图线(摘自GB/T4457.4-2002)粗实线:用于表示可见棱边线、可见轮廓线、相贯线、螺纹牙顶线、螺纹长度终止线、齿顶圆、模样分型线、剖切符号线。细实线:用于表示过渡线、尺寸线、尺寸界线、尺寸线的起止线、剖面线、重合剖面轮廓线、螺纹牙底线等20种。可这样简单理解:除用粗实线表示的8种线外,需用实线表示的均用细实线。波浪线:双折线:用于表示断裂处边界线、视图与剖视图的分界线。细虚线:用于表示不可见棱边线、不可见轮廓线粗虚线:用于表示允许表面处理的表示线细点划线:用于表示轴线、对称中心线、分度圆、剖切线。粗点划线:用于表示限定范围线。细双点划线:用于表示相邻辅助零件的轮廓线、可动零件的极限位置的轮廓线、重心线、成形前轮廓线、剖切面前的结构轮廓线、轨迹线、毛坯图中制成品的轮廓线、特定区域线、延伸公差带表示线、工艺用结构的轮廓线、中断线。zz教师重点介绍并用多媒体,以图形并茂的形式,结合知识点进行具体的讲解,并让学生思考第4页共92页编号:时间:2021年x月x日书山有路勤为径,学海无涯苦作舟页码:第4页共92页授课日期2016年9月4日20116年9月11日2016年9月9日2016年9月10日年月日第1-2节第5-6节第1-2节第1-2节第节班级16汽七16汽八16汽七16汽八讲次4课时2授课方法讲授、演示课题§1-1图纸幅面和格式教学目的要求1、了解图纸幅面、图框格式;2、掌握标题栏位置、格式与内容。教学重点1、基本幅面;2、标题栏和明细栏。教学难点标题栏和明细栏教具含电教设备多媒体教学设备时间分配教学内容及过程教学方法及教学内容的拾漏补遗后记上课时多举例第5页共92页编号:时间:2021年x月x日书山有路勤为径,学海无涯苦作舟页码:第5页共92页复习导入10分第一课时GB/T4457.4-2002的含义:GB:表示国标;T4457.4:表示推荐使用的文件号为4457.4;2002:表示2002年发布使用的。一、图纸幅面要采用国家标准规定的幅面尺寸B×L二、图框格式和尺寸1、图框格式在图纸上必须用粗实线画出图框。图框有两种格式:不留装订边和留装订边。同一产品中所以图样均应采用同一种格式。2、图框尺寸不留装订边的图纸,其四周边框的宽度相同(均为e)留装订边的图纸,其装订边宽度一律为25mm,其他三边一致。老师具体讲解、学生互动讨论第6页共92页编号:时间:2021年x月x日书山有路勤为径,学海无涯苦作舟页码:第6页共92页时间分配教学内容及过程教学方法及教学内容的拾漏补遗讲授35分学生观视频理解大概用多媒体以图形并茂的形式,结合知识点进行具体的讲解,并让学生思考,举例说出自己平...

1、当您付费下载文档后,您只拥有了使用权限,并不意味着购买了版权,文档只能用于自身使用,不得用于其他商业用途(如 [转卖]进行直接盈利或[编辑后售卖]进行间接盈利)。
2、本站所有内容均由合作方或网友上传,本站不对文档的完整性、权威性及其观点立场正确性做任何保证或承诺!文档内容仅供研究参考,付费前请自行鉴别。
3、如文档内容存在违规,或者侵犯商业秘密、侵犯著作权等,请点击“违规举报”。

碎片内容

汽车机械识图教案(DOC86页)

您可能关注的文档

确认删除?
VIP
微信客服
  • 扫码咨询
会员Q群
  • 会员专属群点击这里加入QQ群
客服邮箱
回到顶部