电脑桌面
添加小米粒文库到电脑桌面
安装后可以在桌面快捷访问

某发电厂工程施工组织设计VIP免费

某发电厂工程施工组织设计_第1页
1/31
某发电厂工程施工组织设计_第2页
2/31
某发电厂工程施工组织设计_第3页
3/31
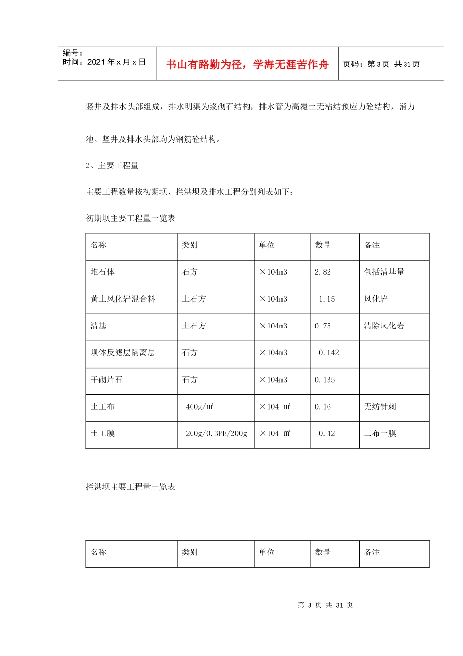
第1页共31页编号:时间:2021年x月x日书山有路勤为径,学海无涯苦作舟页码:第1页共31页目录第一章编制依据................................................................2第二章工程概况................................................................2第三章施工组织设计............................................................8第四章施工方案及技术要点.....................................................14第五章质量保证措施...........................................................29第六章安全保证措施...........................................................30第2页共31页第1页共31页编号:时间:2021年x月x日书山有路勤为径,学海无涯苦作舟页码:第2页共31页第一章编制依据1、贮灰场工程施工合同文件及工程施工设计图纸;2、《碾压式土坝施工技术规范》;3、《电厂建设施工及验收规范》(水工结构篇);4、国家现行的有关规定、规范、规程和定额。第二章工程概况1、基本状况本工程为××××发电厂×××贮灰场,位于×××××××发电公司东南3KM处,灰场占地总面积为63.3389公顷。灰场主要由两条自然冲沟组成,整个灰场长约1.7KM,宽约1.4KM。灰场由初期坝、拦洪坝和排水系统组成。在灰场下游建有初期坝一道,坝体采用黄土及风化岩混合体碾压成形,上游坝面为堆石体,坝顶宽度为6.0M,坝顶高程为D975.00M,上部设有道路,上下游设有浆砌片石排水沟。灰场上游建拦洪坝一座,坝体采用堆石体坝体,上游面为干砌片石并设置钢筋混凝土防浪墙,坝顶设有道路。灰场排水系统由排水明渠、消力池、Φ1200钢筋砼排水管、Φ1600钢筋混凝土砼排水管、第3页共31页第2页共31页编号:时间:2021年x月x日书山有路勤为径,学海无涯苦作舟页码:第3页共31页竖井及排水头部组成,排水明渠为浆砌石结构,排水管为高覆土无粘结预应力砼结构,消力池、竖井及排水头部均为钢筋砼结构。2、主要工程量主要工程数量按初期坝、拦洪坝及排水工程分别列表如下:初期坝主要工程量一览表名称类别单位数量备注堆石体石方×104m32.82包括清基量黄土风化岩混合料土石方×104m31.15风化岩清基土石方×104m30.75清除风化岩坝体反滤层隔离层石方×104m30.142干砌片石石方×104m30.135土工布400g/㎡×104㎡0.16无纺针刺土工膜200g/0.3PE/200g×104㎡0.42二布一膜拦洪坝主要工程量一览表名称类别单位数量备注第4页共31页第3页共31页编号:时间:2021年x月x日书山有路勤为径,学海无涯苦作舟页码:第4页共31页堆石体石方×104m32.55干砌片石石方×104m30.38浆砌片石石方m31300砾石碎石石方量m3450砼保护层砼量m3450清基土石方×104m30.55土工膜200g/0.5PE/200gm²1500二布一膜排水构筑物统计一览表名称数量结构排水明渠29.6m浆砌石结构消力池33.4m钢筋砼结构Φ1600排水管503节高覆土无粘结预应力钢筋砼结构Φ1600排水管连接段18节钢筋砼结构Φ1200排水管504节高覆土无粘结预应力钢筋砼结构Φ1200排水管连接段16节钢筋砼结构第5页共31页第4页共31页编号:时间:2021年x月x日书山有路勤为径,学海无涯苦作舟页码:第5页共31页1#竖井1个钢筋砼结构2#竖井1个钢筋砼结构3#竖井1个钢筋砼结构连接井1个钢筋砼结构排水头部2个钢筋砼结构3、地形状况及气象条件灰场地型为冲沟的狭长地带,地势高低不平,表面主要为素填土、山皮腐植土,结构松散杂乱堆积的圾洪积物及强风化的砂岩。无地质钻探报告,坝址位置在清基时如发现不良地质状况或地质问题需汇报监理及驻工地设计代表,以便作出妥善处理。×××属北温带大陆性季风气候,为半干旱气候区。冬季多风少雪,寒冷干燥,夏季暖热,雨量集中,年平均气温9℃,冬季最低气温达-28℃左右,最大冻土深度达92mm,故冬季施工有障碍,年平均降水量519.0mm,年平均蒸发量为1553.3mm,故较为干旱。4、施工工期要求施工工期初定为一年时间,即×年×月至×年×月,其中扣除冬季三个月时间不能施工期。5、其它施工条件施工准备工作本着方便节约的原则,统筹安排,满足施工需要,同时请求建设单位积极配合第6页共31页第5页共31页编号:时间:2021年x...

1、当您付费下载文档后,您只拥有了使用权限,并不意味着购买了版权,文档只能用于自身使用,不得用于其他商业用途(如 [转卖]进行直接盈利或[编辑后售卖]进行间接盈利)。
2、本站所有内容均由合作方或网友上传,本站不对文档的完整性、权威性及其观点立场正确性做任何保证或承诺!文档内容仅供研究参考,付费前请自行鉴别。
3、如文档内容存在违规,或者侵犯商业秘密、侵犯著作权等,请点击“违规举报”。

碎片内容

某发电厂工程施工组织设计

您可能关注的文档

确认删除?
VIP
微信客服
  • 扫码咨询
会员Q群
  • 会员专属群点击这里加入QQ群
客服邮箱
回到顶部