电脑桌面
添加小米粒文库到电脑桌面
安装后可以在桌面快捷访问

某小区供配电工程施工组织设计(DOC39页)VIP免费

某小区供配电工程施工组织设计(DOC39页)_第1页
1/29
某小区供配电工程施工组织设计(DOC39页)_第2页
2/29
某小区供配电工程施工组织设计(DOC39页)_第3页
3/29
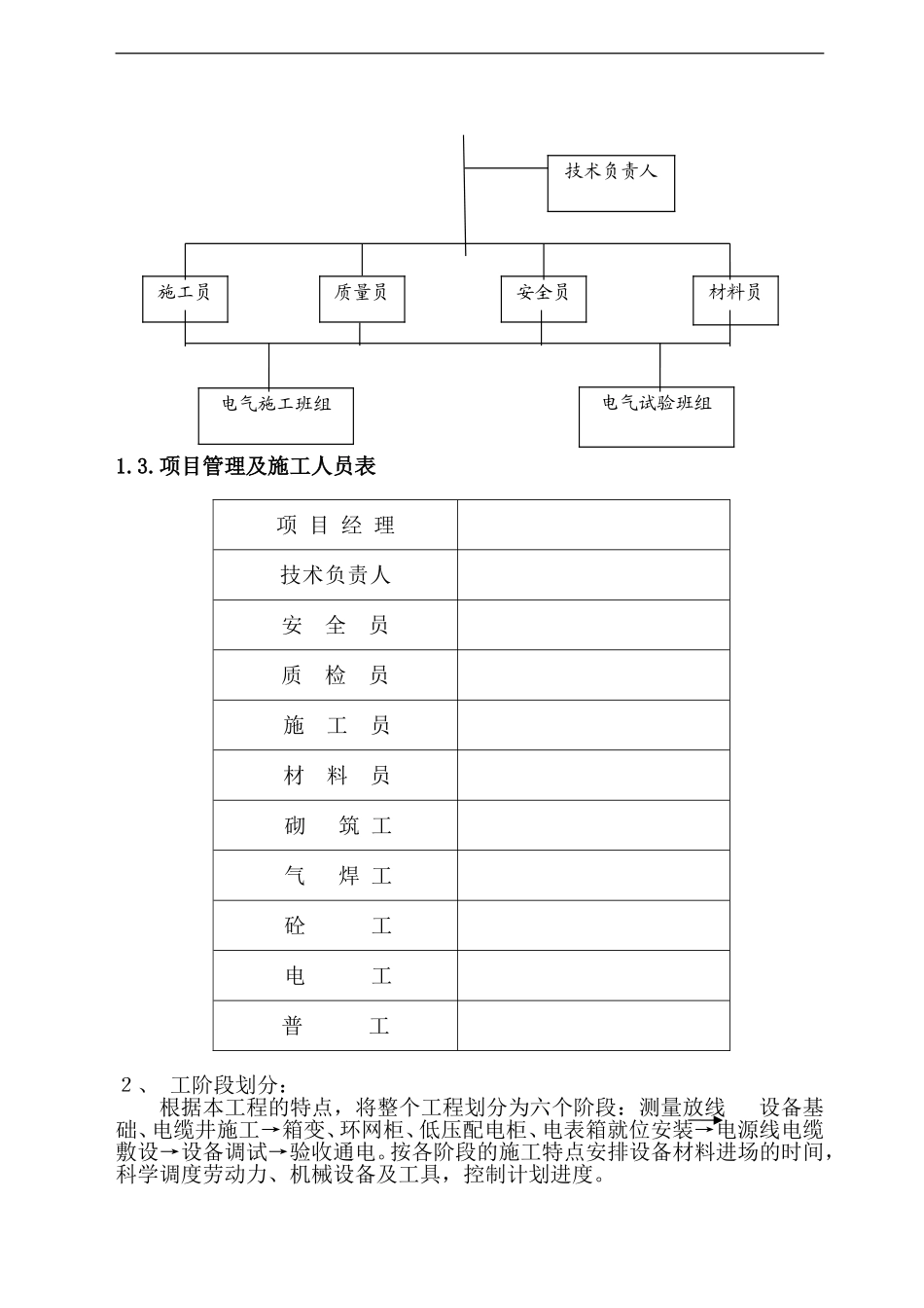
北京某小区供配电工程施工组织设计一、施工组织设计一、编制依据1、本工程设计图纸。2、本工程电缆线路及高压开关柜低压配电柜变压器安装工程招标文件。3、本工程电缆线路及高压开关柜低压配电柜变压器安装工程招标答疑。4、国家现行变配电安装工程施工及验收规范及质量检验评定标准。5、本公司ISO9002质量手册、程序控制文件及作业指导书。6、本公司多年的施工经验和施工管理能力及技术装备。7、工程项目施工现场实际情况、施工环境、施工条件和自然条件。二、编制说明本工程工期紧,质量要求高,为保证优良的工程质量,使施工工艺达到一流水平,本《施工组织设计》中提出的施工方案、施工方法和技术措施,力求具体、实用、针对性强,同时积极慎重地推广和应用先进的新材料、新设备、新技术、新工艺,向科技要质量、要工期、要效益。本《施工组织设计》是直接指导施工的依据。围绕质量、工期和安全这三大目标,在施工管理、劳动力组织、施工进度计划控制、机械设备周转材料配备、主要技术方案及措施、安全和工期的保证措施、文明施工及成品保护和工程质量保证措施等各个方面,做了统筹考虑,突出其科学性和可行性。三、工程概况1、本工程为xxxx供配电工程。本期工程中安装设备有户外6KV环网柜一台,315KVA箱式变电站四台,户外低电配电柜十五台,三相计量控制箱三台,单元电表箱五十台。2、建设规模:项目名称容量/数量变压器容量(KVA)1260KVA高压柜(台)低压柜(台)计量柜(台)6KV电缆线路(KM)1KV电缆线路(KM)四、施工部署:1、施工组织机构设置:1.1.成立项目经理部项目经理部全面负责本次施工任务的安全、技术、质量、材料、人员等的管理及协调,负责组织完成项目工程的各项经济技术指标;负责协调项目建设中的甲乙方、部门之间、项目工地与地方之间的关系;对参与该次工程的人员进行有关工程施工规范的学习,施工前认真组织技术交底,让每个人弄清楚技术要求和施工方法。1.2.项目管理组织机构项目经理1.3.项目管理及施工人员表项目经理技术负责人安全员质检员施工员材料员砌筑工气焊工砼工电工普工2、工阶段划分:根据本工程的特点,将整个工程划分为六个阶段:测量放线设备基础、电缆井施工→箱变、环网柜、低压配电柜、电表箱就位安装→电源线电缆敷设→设备调试→验收通电。按各阶段的施工特点安排设备材料进场的时间,科学调度劳动力、机械设备及工具,控制计划进度。技术负责人安全员质量员施工员材料员电气施工班组电气试验班组3、工进度安排:自甲方书面通知之日进场,并于甲方自购设备全部到场及土建具备安装条件后。各项目安装施工进度必须按此工期要求进行安排。五、施工准备:1、设备安装前:设备间应具备下列条件:①.屋顶、楼板施工完毕,不得渗漏;墙面、屋顶喷浆完毕;②.室内地面基层施工完毕,场地清理干净,并在墙上标出地面标高;③.混凝土基础及构架达到允许安装的强度,焊接构件的质量符合要求;④.预埋件牢固,预埋件及预留孔符合设计;⑤.门窗安装完毕,门已配锁;⑥.具有足够的施工场地,道路通畅。2、临时设施:①.生活临时设施:因施工场地不能作为生活用地,所有作业人员均外住。②.生产临时设施:需搭建临时仓库及工具房(面积约45平方米)。③.施工电源:由现场的临时施工用电变压器供电,进场后根据实际情况再进行布置。4、施工用图纸、技术资料应齐全。六、主要工程项目施工方法:1、电缆沟开挖及电缆井砌筑(1)管沟开挖前应根据设计要求,结合现场实际情况和业主要求,先用干石灰标出管沟实际位置,管沟应尽量取直。(2)沟槽底净宽应按管材外径再加上400mm,管顶埋深不得小于0.7米;沟槽开挖时要根据土质情况应有不小于15°的放坡。(3)沟槽侧临时堆土应放置有序,管沟在穿过道路处应搭设临时便桥,以方便车辆和行人通行,并及时将余土清理干净。(4)沟槽开挖时应做好排水措施,沟底不得超挖或扰动原土层。(5)沟底应平整并夯实;一般土质须用细砂或素土垫层,厚度应为100mm;如遇有尖硬的物体、石块等,则应向下挖100-200mm,再填补细砂或素土夯实;特殊地段可用沙浆混凝土做垫层,然后方可进行管道敷设。(6)砌筑电缆井...

1、当您付费下载文档后,您只拥有了使用权限,并不意味着购买了版权,文档只能用于自身使用,不得用于其他商业用途(如 [转卖]进行直接盈利或[编辑后售卖]进行间接盈利)。
2、本站所有内容均由合作方或网友上传,本站不对文档的完整性、权威性及其观点立场正确性做任何保证或承诺!文档内容仅供研究参考,付费前请自行鉴别。
3、如文档内容存在违规,或者侵犯商业秘密、侵犯著作权等,请点击“违规举报”。

碎片内容

某小区供配电工程施工组织设计(DOC39页)

您可能关注的文档

确认删除?
VIP
微信客服
  • 扫码咨询
会员Q群
  • 会员专属群点击这里加入QQ群
客服邮箱
回到顶部