电脑桌面
添加小米粒文库到电脑桌面
安装后可以在桌面快捷访问

钢板Q235B化学成份及力学性能VIP免费

钢板Q235B化学成份及力学性能_第1页
1/16
钢板Q235B化学成份及力学性能_第2页
2/16
钢板Q235B化学成份及力学性能_第3页
3/16
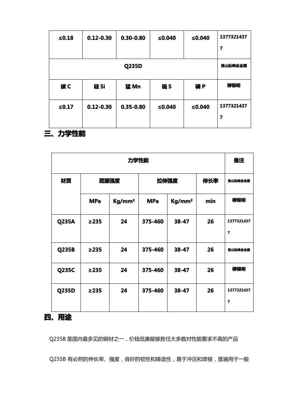
钢板Q235BQ235B钢板,是一种低碳钢。一、含义:Q+数字+质量品级符号组成。钢号冠“Q”,Q代表屈服点,用“屈”大写“Q”字母表,数字表示屈服数值,单位“MPa”。恰好后面的字母代表质量品级。Q235质量品级分为:A、B、C、D。A不做冲击实验,B在常温下做冲击实验,C在0℃做冲击实验,D在-20度做冲击实验。脱氧方式符号:F为沸腾钢,B半镇定钢,Z镇定钢,TZ特殊镇定钢。例:Q235B表示屈服点为235MPa的碳素结构钢,质量品级为B二、元素含量Q235A昆山耘峰金金属碳C硅Si猛Mn硫S磷P柳银明0.14-0.220.12-0.300.30-0.65≤0.050≤0.04513773214377昆山耘峰金金属Q235B碳C硅Si猛Mn硫S磷P柳银明≤0.220.12-0.300.03-0.65≤0.045≤0.04513773214377昆山耘峰金金属Q235C碳C硅Si猛Mn硫S磷P柳银明≤0.180.12-0.300.30-0.80≤0.040≤0.04013773214377昆山耘峰金金属Q235D碳C硅Si猛Mn硫S磷P柳银明≤0.170.12-0.300.35-0.80≤0.040≤0.04013773214377三、力学性能力学性能备注材质屈服强度拉伸强度伸长率昆山耘峰金金属MPaKg/mm²MPaKg/mm²min柳银明Q235A≥23524375-46038-472613773214377Q235B≥23524375-46038-4726昆山耘峰金金属Q235C≥23524375-46038-4726柳银明Q235D≥23524375-46038-472613773214377四、用途Q235B是国内最多见的钢材之一,价钱低廉能够胜任大多数对性能要求不高的产品Q235B有必然的伸长率、强度,良好的韧性和铸造性,易于冲压和焊接,普遍用于一般的机械零件的制造,主要用于建筑、桥梁工程上质量要求不高的焊接结构件五、加工与切割所有材质都可切割,我司可按客户图纸要求进行钢板的全自动数控切割异型件、切割法兰圆盘、仿形件、钻孔,外协加工各类机械零部件、模具钢、轴承座、齿轮盘、钢结构件及焊接预埋件等,产品普遍应用于工程机械设备、锅炉容器配件、电力设备、矿山设备、机床、冶金设备、煤矿机械设备、造船、锻压件、发电设备等领域。公司提供的钢板深加工切割业务,可以最大限度的为利用企业节省人力物力,实现其原材料零库存和大幅减少采购本钱与减少设备投入和缩短加工交货周期的目的。业务遍及于上海、江苏、浙江、山东、安徽、福建、江西、辽宁等省市。六、尺寸与规格材质Q235BQ235B规格460*2000*3500460*1800*3500钢厂鞍钢鞍钢备注昆山耘峰金金属柳银明Q235B460*1600*3700370*1700*2000370*1600*3000鞍钢13773214377Q235BQ235B鞍钢鞍钢昆山耘峰金金属柳银明Q235B370*1500*3700370*1400*3000370*1700*3200鞍钢13773214377Q235BQ235B鞍钢鞍钢昆山耘峰金金属柳银明Q235B370*1700*3100370*1500*3200370*1600*3100鞍钢13773214377Q235BQ235B鞍钢鞍钢昆山耘峰金金属柳银明Q235B370*1500*3800350*2200*4200290*2200*4700鞍钢13773214377Q235BQ235B鞍钢鞍钢昆山耘峰金金属柳银明Q235B280*2600*4100270*2000*5500270*2500*4520鞍钢13773214377Q235BQ235B鞍钢鞍钢昆山耘峰金金属柳银明Q235B260*2000*5560260*2500*4870鞍钢13773214377Q235B鞍钢昆山耘峰金金属Q235B250*2200*5700鞍钢柳银明Q235B250*2500*4930250*2240*5500250*2250*5500鞍钢13773214377Q235BQ235B鞍钢鞍钢昆山耘峰金金属柳银明Q235B250*2200*4500240*2000*5900240*2500*4950鞍钢13773214377Q235BQ235B鞍钢鞍钢昆山耘峰金金属柳银明Q235B240*2600*4970240*2200*4350240*2200*5800鞍钢13773214377Q235BQ235B鞍钢鞍钢昆山耘峰金金属柳银明Q235B230*2500*5170230*2600*4840230*2200*6000鞍钢13773214377Q235BQ235B鞍钢鞍钢昆山耘峰金金属柳银明Q235B220*2600*5400鞍钢13773214377Q235BQ235B220*2500*5600210*2000*6850鞍钢鞍钢昆山耘峰金金属柳银明Q235B210*2500*6030190*2500*4600180*2500*6900鞍钢13773214377Q235BQ235B鞍钢鞍钢昆山耘峰金金属柳银明Q235B180*2600*6670180*2600*6300170*2500*6750鞍钢13773214377Q235BQ235B鞍钢鞍钢昆山耘峰金金属柳银明Q235B170*2600*5700170*2500*3500160*2500*7140鞍钢13773214377Q235BQ235B鞍钢鞍钢昆山耘峰金金属柳银明Q235B160*2500*6000160*2470*2700160*2600*7200155*2200*9600鞍钢13773214377Q235BQ235BQ235B鞍钢鞍钢鞍钢昆山耘峰金金属柳银明13773214377Q2...

1、当您付费下载文档后,您只拥有了使用权限,并不意味着购买了版权,文档只能用于自身使用,不得用于其他商业用途(如 [转卖]进行直接盈利或[编辑后售卖]进行间接盈利)。
2、本站所有内容均由合作方或网友上传,本站不对文档的完整性、权威性及其观点立场正确性做任何保证或承诺!文档内容仅供研究参考,付费前请自行鉴别。
3、如文档内容存在违规,或者侵犯商业秘密、侵犯著作权等,请点击“违规举报”。

碎片内容

钢板Q235B化学成份及力学性能

您可能关注的文档

爱的疯狂+ 关注
实名认证
内容提供者

该用户很懒,什么也没介绍

相关文档

确认删除?
VIP
微信客服
  • 扫码咨询
会员Q群
  • 会员专属群点击这里加入QQ群
客服邮箱
回到顶部