电脑桌面
添加小米粒文库到电脑桌面
安装后可以在桌面快捷访问

排水管线迁移改造工程施工组织设计VIP免费

排水管线迁移改造工程施工组织设计_第1页
1/46
排水管线迁移改造工程施工组织设计_第2页
2/46
排水管线迁移改造工程施工组织设计_第3页
3/46
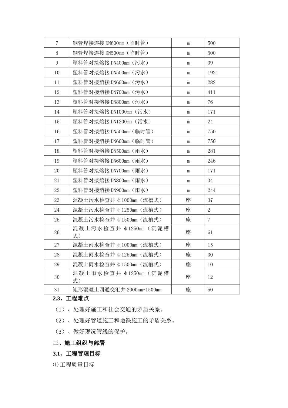
排水管线迁移改造工程施工组织设计一、施工组织设计一、编制依据1.1昆明轨道交通首期工程北京路(环城北路---永平路段)排水管线迁改工程施工招标文件、设计图纸、标前会议、招标答疑文件。1.2国家、交通部、云南省颁布的相关施工技术规范、质量验收、评定标准、业主下发质量文件。序号名称编号1《给水排水管道工程施工及验收规范》GB50268-20082《给水排水构筑物工程施工及验收规范》GB50141-20083《市政排水管道工程及附属设施》06MS2014《排水管(渠)工程施工质量检验标准》DBJ01-13-20045《建筑与市政降水工程技术规范》JGJ/T111-986《城镇道路工程施工及质量验收规范》CJJ1-20087《公路路基施工技术规范》JTJGF-10-20068《公路沥青路面施工技术规范》JTGF40-20049《公路土工试验规程》JTGE40-200710《建筑机械使用安全技术规程》JGJ33-200111《施工现场临时用电安全技术规范》JGJ46-881.3工程建设标准强制性条文及相关建筑法规文件。(1)《工程建筑法规文件》(2)《建筑工程质量管理条例》(3)《中华人民共和国环境保护法》1.4现场实地考察和类似施工经验。1.5编制原则以“安全第一,质量为本”为基本原则,以“提高质量,保证安全,文明施工,提高工效,降低成本,缩短工期”为基本思路,结合工程实际,注重方案的针对性,切实指导施工。二、工程概况2.1、工程简介本工程为××市轨道交通首期工程××路(××段—××段)排水管线迁改工程(第八标段),起止范围为拓东路至永平路。主要施工内容为对北京路现状排水系统进行梳理,改造或新建污水支管,收集污水后排入新建污水次干管,最终排入盘龙江东岸新建污水主干管;改造现状合流管为雨水管或新建少量雨水管分段排入明通河或规划雨水通道,实现北京路(拓东路—永平路段)的雨、污分流。新建管道采用HPDE波纹管,管径分为d400、d500、d600、d700、d800、d1000、d1200共7种。检查井采用混凝土检查井。管道埋设好后,需要对道路进行恢复。包括路面恢复及路缘石等道路附属构筑物恢复。××路机动车道路面结构(从上到下)为:4cm细粒式沥青混凝土、粘层沥青、7cm中粒式沥青混凝土、下封层、透层、玻纤格栅、40cm水泥稳定随时(水泥含量为5.5%)、15cm级配碎石、53cm土夹石(含石量大于50%,压实度大于等于95%)非机动车道路面结构(从上到下)为:4cm细粒式沥青混凝土、粘层沥青、6cm中粒式沥青混凝土、下封层、透层、玻纤格栅、25cm水泥稳定碎石(水泥含量为5.5%)、15cm级配碎石、71cm土夹石(含石量大于50%,压实度大于等于90%)人行道路面结构(从上到下)为:人行道面板(面板材质、尺寸宜与原人行道所用面板保持一致)、3cmM10水泥砂浆、15cmC20砼、12cm级配碎石、86cm土夹石(含石量大于50%,压实度大于等于90%)2.2、主要工程量序号工程项目名称计量单位工程量1路面碎石垫层m³1410.12路面土夹石底层m³8546.533沥青路面水泥稳定碎石m³977.674混凝土垫层m³1208.665安砌石质立缘石m2166安砌石质侧平石m2167钢管焊接连接DN600mm(临时管)m5008钢管焊接连接DN500mm(临时管)m5009塑料管对接熔接DN400mm(污水)m3910塑料管对接熔接DN500mm(污水)m192111塑料管对接熔接DN600mm(污水)m28212塑料管对接熔接DN700mm(污水)m41113塑料管对接熔接DN800mm(污水)m7614塑料管对接熔接DN1000mm(污水)m17115塑料管对接熔接DN1200mm(污水)m2416塑料管对接熔接DN500mm(临时管)m75017塑料管对接熔接DN600mm(临时管)m75018塑料管对接熔接DN500mm(雨水)m28119塑料管对接熔接DN600mm(雨水)m24620塑料管对接熔接DN700mm(雨水)m17121塑料管对接熔接DN800mm(雨水)m3422塑料管对接熔接DN900mm(雨水)m24423混凝土污水检查井φ1000mm(流槽式)座3724混凝土污水检查井φ1250mm(流槽式)座225混凝土污水检查井φ1500mm(流槽式)座726混凝土污水检查井φ1250mm(沉泥槽式)座6127混凝土雨水检查井φ1000mm(流槽式)座1528混凝土雨水检查井φ1250mm(流槽式)座3029混凝土雨水检查井φ1500mm(流槽式)座1030混凝土雨水检查井φ1250mm(沉泥槽式)座1231矩形混凝土四通交汇井2000mm*1500mm座502.3、工程难点(1)、...

1、当您付费下载文档后,您只拥有了使用权限,并不意味着购买了版权,文档只能用于自身使用,不得用于其他商业用途(如 [转卖]进行直接盈利或[编辑后售卖]进行间接盈利)。
2、本站所有内容均由合作方或网友上传,本站不对文档的完整性、权威性及其观点立场正确性做任何保证或承诺!文档内容仅供研究参考,付费前请自行鉴别。
3、如文档内容存在违规,或者侵犯商业秘密、侵犯著作权等,请点击“违规举报”。

碎片内容

排水管线迁移改造工程施工组织设计

您可能关注的文档

确认删除?
VIP
微信客服
  • 扫码咨询
会员Q群
  • 会员专属群点击这里加入QQ群
客服邮箱
回到顶部