电脑桌面
添加小米粒文库到电脑桌面
安装后可以在桌面快捷访问

山西建筑工程消耗量定额与计算规则VIP免费

山西建筑工程消耗量定额与计算规则_第1页
1/33
山西建筑工程消耗量定额与计算规则_第2页
2/33
山西建筑工程消耗量定额与计算规则_第3页
3/33
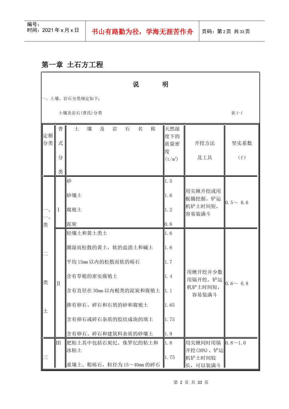
http://dl.tgnet.cn/99/Jsec.Files/Group/Data/G/GY/GYJ/GYJG/Files/2009/09/20090907172609087407235.pdf第2页共33页编号:时间:2021年x月x日书山有路勤为径,学海无涯苦作舟页码:第2页共33页第一章土石方工程说明一、土壤、岩石分类规定如下:土壤及岩石(普氏)分类表1-1定额分类普式分类土壤及岩石名称天然湿度下的质量密度(t/m3)开挖方法及工具坚实系数(f)一、一、类二类土Ⅰ砂砂壤土腐殖土泥炭1.51.61.20.6用尖锹开挖或用板锄挖掘。铲运机铲土时间短,容易装满斗0.5~0.6Ⅱ轻壤土和黄土类土潮湿而松散的黄土,软的盐渍土和碱土平均15mm以内的松散而软的砾石含有草根的密实腐殖土含有直径在30mm以内根类的泥炭和腐殖土掺有卵石、碎石和石屑的砂和腐殖土含有卵石或碎石杂质的胶结成块的填土含有卵石、碎石和建筑料杂质的砂壤土1.61.61.71.41.11.651.751.9用锹开挖并少数用镐开挖。铲运机铲土时间短,容易装满斗0.6~0.8三Ⅲ肥粘土其中包括石炭纪、侏罗纪的粘土和冰粘土重壤土、粗砾石,粒径为15~40mm的碎石1.81.75用尖锹同时用镐开挖(30%)。铲运机铲土时间较长,可以装满斗0.8~1.0第3页共33页第2页共33页编号:时间:2021年x月x日书山有路勤为径,学海无涯苦作舟页码:第3页共33页类土和卵石干黄土和掺有碎石或卵石的自然含水量黄土含有直径大于30mm根类的腐殖土或泥炭掺有碎石或卵石和建筑碎料的土壤1.791.41.9四类土Ⅳ土含碎石重粘土,其中包括侏罗纪和石炭纪的硬粘土含有碎石、卵石、建筑碎料和重达25kg的顽石(总体积10%以内)等杂质的肥粘土和重粘土冰碛粘土,含有重量在50kg以内的巨砾,其含量为总体积10%以内泥板岩不含或含有重量达10kg的顽石1.951.952.02.01.95用尖锹同时用镐和撬棍开挖(30%)。铲运机铲土时间长,装不满斗。有时需要用助铲或松土机1.0~1.5续表1-1定额分类普式分类土壤及岩石名称天然湿度下的质量密度(t/m3)极限压碎强度(kg/cm2)用轻钻孔机钻进1m耗时(min)开挖方法及工具坚实系数(f)松Ⅴ含有重量在50kg以内的巨砾(占体积10%以上)的冰碛石矽藻岩和软白垩岩胶结力弱的砾岩各种不坚实的片岩石膏2.11.81.92.62.2小于200小于3.5部分用手凿工具,部分用爆破来开挖1.5~2凝灰岩和浮石1.1200~4003.52~4第4页共33页第3页共33页编号:时间:2021年x月x日书山有路勤为径,学海无涯苦作舟页码:第4页共33页次Ⅵ松软多孔和裂隙严重的石灰岩和介质石灰岩中等硬变的片岩中等硬变的泥灰岩1.22.72.3用风镐和爆破法来开挖Ⅶ石灰石胶结的带有卵石和沉积岩的砾石风化的和有大裂缝的粘土质砂岩坚实的泥板岩坚实泥灰岩2.22.02.82.5400~6006.0用爆破方法开挖4~6Ⅷ砾质花岗岩泥灰质石灰岩粘土质砂岩砂质云片岩硬石膏2.32.32.22.32.9600~8008.5用爆破方法开挖6~8普坚Ⅸ严重风化的软弱的花岗岩、片麻岩和正长岩滑石化的蛇纹岩致密的石灰岩含有卵石、沉积岩的碴质胶结的砾岩砂岩砂质石灰质片岩菱镁矿2.52.42.52.52.52.53.0800~100011.5用爆破方法开挖8~10Ⅹ白云石2.71000~120015.0用爆破方10~12第5页共33页第4页共33页编号:时间:2021年x月x日书山有路勤为径,学海无涯苦作舟页码:第5页共33页石坚固的石灰岩大理岩石灰岩质胶结的致密砾石坚固砂质片岩2.72.72.62.6法开挖特坚石Ⅺ粗花岗岩非常坚硬的白云岩蛇纹岩石灰质胶结的含有火成岩之卵石的砾石石英胶结的坚固砂岩粗粒正长岩2.82.92.62.82.72.71200~140018.5用爆破方法开挖12~14续表1-1定额分类普式分类土壤及岩石名称天然湿度下的质量密度(t/m3)极限压碎强度(kg/cm2)用轻钻孔机钻进1m耗时(min)开挖方法及工具坚实系数(f)特Ⅻ具有风化痕迹的安山岩和玄武岩片麻岩非常坚固的石炭岩硅质胶结的含有火成岩之卵石的砾岩粗石岩2.72.62.92.92.61400~160022.0用爆破方法开挖14~16XIII中粒花岗岩坚固的片麻岩3.12.81600~180027.5用爆破方法开挖16~18第6页共33页第5页共33页编号:时间:2021年x月x日书山有路勤为径,学海无涯苦作舟页码:第6页共33页坚辉绿岩玢岩坚固的粗面岩中粒正长岩2.72.52.82.8XIV非常坚硬的细粒花岗岩花岗岩麻岩闪长岩高硬度的石灰岩坚固的玢岩3.32.92.93.12.71800~200032.5用爆破方法开...

1、当您付费下载文档后,您只拥有了使用权限,并不意味着购买了版权,文档只能用于自身使用,不得用于其他商业用途(如 [转卖]进行直接盈利或[编辑后售卖]进行间接盈利)。
2、本站所有内容均由合作方或网友上传,本站不对文档的完整性、权威性及其观点立场正确性做任何保证或承诺!文档内容仅供研究参考,付费前请自行鉴别。
3、如文档内容存在违规,或者侵犯商业秘密、侵犯著作权等,请点击“违规举报”。

碎片内容

山西建筑工程消耗量定额与计算规则

精品中小学文档+ 关注
实名认证
内容提供者

精品资料,值得下载

确认删除?
VIP
微信客服
  • 扫码咨询
会员Q群
  • 会员专属群点击这里加入QQ群
客服邮箱
回到顶部