电脑桌面
添加小米粒文库到电脑桌面
安装后可以在桌面快捷访问

箱梁预制与安装施工方案VIP免费

箱梁预制与安装施工方案_第1页
1/28
箱梁预制与安装施工方案_第2页
2/28
箱梁预制与安装施工方案_第3页
3/28
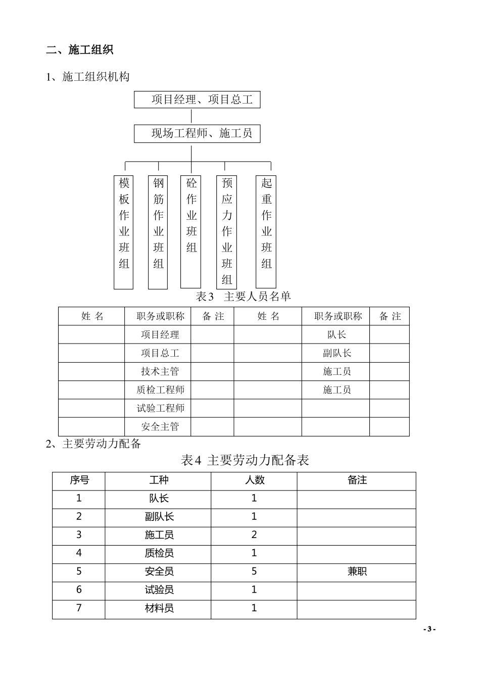
桥梁上部结构箱梁预制与安装施工方案一、工程概况1、平洛河大桥为先预制后连续预应力箱梁桥,下部结构为双柱桥墩,桩基;U型桥台扩基。设计时速为80公里/小时。大桥左幅由26*30M,右幅为27*30M,共212片预制箱梁组成;每跨半幅由4片预制预应力组合箱梁。其中左幅0号台、3号墩、6号墩、9号墩、12号墩、15号墩、19号墩、23号墩、26号台为非连续端,共设置毛勒式伸缩缝9道;右幅0号台、3号墩、6号墩、9号墩、12号墩、15号墩、18号墩、21号墩、24号墩、27号台为非连续端,共设置毛勒式伸缩缝10道.主要工程数量见表1:平洛河大桥预制箱梁主要工程数量表。表1檀坡河大桥预制箱梁主要工程数量表序号1234细目名称光圆钢筋(Ⅰ级)带肋钢筋(Ⅱ级)后张法预应力钢绞线预制预应力混凝土C50砼单位kgkgkgm3数量138564.2397911.1129263。963308。36备注2、檀坡河二桥上部结构为先预制简支安装后连续预应力组合箱梁,下部结构为双柱桥墩,桩基;U型桥台扩基.设计时速为80公里/小时,计算荷载为汽-超20,大桥由7跨56片预制箱梁组成,每跨为8片预制预应力组合箱梁,跨度30m.其中0#台、3#墩、5#台为非连续端,共设置毛勒式伸缩缝3道.主要工程数量见表2:檀坡河二桥预制箱梁主要工程数量表.表2檀坡河二桥预制箱梁主要工程数量表序号12细目名称光圆钢筋(Ⅰ级)带肋钢筋(Ⅱ级)单位kgkg数量73683。52273505备注-1-34后张法预应力钢绞线预制预应力混凝土C50砼kgm382777。202071。103、双河大桥为先预制简支安装后连续的组合箱梁桥,下部结构为双柱桥墩,桩基;肋台桩基。设计时速为80公里/小时。大桥由双河大桥40片预制箱梁组成,每跨由8片预制预应力组合箱梁,跨度左幅三跨30m,跨度30M。其中0号台、、5号台为非连续端,共设置毛勒式伸缩缝2道.主要工程数量见表1:双河大桥预制箱梁主要工程数量表。表1双河大桥预制箱梁主要工程数量表序号1234细目名称光圆钢筋(Ⅰ级)带肋钢筋(Ⅱ级)后张法预应力钢绞线预制预应力混凝土C50砼单位kgkgkgm3数量68753。10218795。0859025.61524.6备注4、双河二桥为先预制简支安装后连续的组合箱梁桥,下部结构为双柱桥墩,桩基;肋台桩基.设计时速为80公里/小时.大桥由双河大桥40片预制箱梁组成,每跨由8片预制预应力组合箱梁,跨度左幅三跨30m,跨度30M。其中0号台、、5号台为非连续端,共设置毛勒式伸缩缝2道.主要工程数量见表1:双河二桥预制箱梁主要工程数量表。表1双河二桥预制箱梁主要工程数量表序号1234细目名称光圆钢筋(Ⅰ级)带肋钢筋(Ⅱ级)后张法预应力钢绞线预制预应力混凝土C50砼单位kgkgkgm3数量53353。8172778。62641523。21204备注-2-二、施工组织1、施工组织机构项目经理、项目总工现场工程师、施工员模钢砼预起板筋作应重作作业力作业业班作业班班组业班组组班组组表3主要人员名单姓名职务或职称项目经理项目总工技术主管质检工程师试验工程师安全主管备注姓名职务或职称队长副队长施工员施工员备注2、主要劳动力配备表4主要劳动力配备表序号1234567工种队长副队长施工员质检员安全员试验员材料员人数1121511备注兼职-3-89101112131415电焊工钢筋工砼工木工电工起重工装载机司机普工3252015132153、主要机械设备表5主要机械设备清单序号12345678910名称搅拌机配料机水泥罐龙门吊龙门吊装载机焊机规格型号JS75050T5T120T30型BX—500、BX数量2台1台4个2台1台1台12台备注—315氧焊磨光机切割机J3G2-4003套3台1台11附着式振动器TLDE150型1套8台新型高频12插入式振动棒50型、35型5台套13弯矩机GWC—4090L—22台1台1台1台Ι级钢筋调直14平板式振动器1516切断机卷扬机-4-三、施工方案〈一〉预应力箱梁的预制后张法制作预应力箱梁工艺流程图底模制作设置预拱度合格监理工程师验收底模清理、上脱模剂钢筋制作底腹板钢筋安装合格监理工程师验收波纹管制作预应力孔道安装合格监理工程师验收模板制作或整修侧模、内模安装合格监理工程师验收钢筋制作顶板筋安装合格监理工程师验收搅拌混凝土浇砼制作试块拆模同等条件预应力筋制作预应力筋安装养护张拉机具检验施加预应力达设计强压试块监理旁站度90%搅拌灰浆孔道压浆制作试块起吊、运输、堆放压试块-5-(...

1、当您付费下载文档后,您只拥有了使用权限,并不意味着购买了版权,文档只能用于自身使用,不得用于其他商业用途(如 [转卖]进行直接盈利或[编辑后售卖]进行间接盈利)。
2、本站所有内容均由合作方或网友上传,本站不对文档的完整性、权威性及其观点立场正确性做任何保证或承诺!文档内容仅供研究参考,付费前请自行鉴别。
3、如文档内容存在违规,或者侵犯商业秘密、侵犯著作权等,请点击“违规举报”。

碎片内容

箱梁预制与安装施工方案

确认删除?
VIP
微信客服
  • 扫码咨询
会员Q群
  • 会员专属群点击这里加入QQ群
客服邮箱
回到顶部