电脑桌面
添加小米粒文库到电脑桌面
安装后可以在桌面快捷访问

宁波市城市规划管理技术规定样本VIP免费

宁波市城市规划管理技术规定样本_第1页
1/15
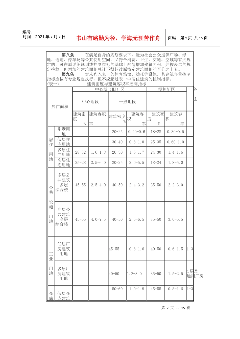
宁波市城市规划管理技术规定样本_第2页
2/15
宁波市城市规划管理技术规定样本_第3页
3/15
第1页共15页编号:时间:2021年x月x日书山有路勤为径,学海无涯苦作舟页码:第1页共15页宁波市城市规划管理技术规定1999年6月29日经市人民政府甬政发[1999]106号批准1999年7月1日宁波市规划局第1号通告发布第一章总则第一条为加强我市城市建设的规划管理,保证城市规划的实施,根据《中华人民共和国城市规划法》、《宁波市城市总体规划》、《宁波市城市规划管理条例》以及其他有关规定,制定本规定。第二条本规定适用于宁波市城市规划区。各县(市)及建制镇可结合各地实际参照执行。第二章城市用地第三条根据中华人民共和国《城市用地分类与规划建设用地标准》(GBJ137—90),城市建设用地分类包括居住用地、公共设施用地、工业用地、仓储用地、对外交通用地、道路广场用地、市政公用设施用地、绿化用地和特殊用地等九大类,不包括水域和其他用地(详见附件一)。第四条在计算城市建设用地标准时,人口计算范围必须与用地计算范围相一致。第五条各类建设用地的划分,应遵循土地使用相容性的原则。在已经批准的详细规划地段内进行建设的,应按批准的详细规划执行;确需在未经批准的详细规划地段内进行建设的,应根据城市总体规划、分区规划和《各类建设用地适建范围表》(见附件二)的规定执行。第六条凡附件二中未列入的建设项目,应由城市规划管理部门根据对周围环境的影响和基础设施条件,具体核定适建范围。凡需改变规划用地性质并超出附件二规定范围的,应先提出调整申请,按规定程序,报城市规划行政主管部门批准后执行,重大调整须报市人民政府批准。第三章建筑容量第七条新建、扩建建筑工程项目的建筑密度、建筑容积率、建筑高度以及建筑性质、应根据批准的详细规划确定;尚未编制详细规划的,应按表一规定的内容确定。第2页共15页第1页共15页编号:时间:2021年x月x日书山有路勤为径,学海无涯苦作舟页码:第2页共15页第八条在满足自身的规划要求下,能为社会公众提供广场、绿地、通道、停车场等公共使用空间,又符合消防、卫生、交通、空域等有关规定的,可在原详细规划或控制指标的基础上酌情增加建筑面积,并按表二的规定换算。但增加的建筑面积总计不得超过原核定建筑面积的百分之十五。第九条对未列入表一的体育场馆、幼托等设施,其建筑容量控制指标应按有专业规定执行,但不应超过表一中居住建筑的控制指标。<表一>建筑密度与建筑容积率控制指标居住面积中心城(旧)区规划新区备注中心地段一般地段建筑密度%建筑容积率建筑密度%建筑容积率建筑密度%建筑容积率居住用地别墅用地20-250.40-0.618-280.30-0.5低层住宅用地30-400.8-1.025-350.60-1.0多层住宅用地28-321.6-1.826-301.5-1.724-301.4-1.6高层住宅用地25-282.5-6.020-252.0-5.518-241.8-5.0公共设施用地多层公共建筑多层综合楼45-552.5-4.040-502.4-3.235-502.2-3.0高层公共建筑高层综合楼45-554.0-7.540-502.5-6.535-503.0-5.5工业用地低层厂房建筑用地45-550.8-1.640-500.6-1.51-3多层厂房建筑用地40-501.2-3.035-501.5-2.54层及通用厂房仓储低层仓库建筑50-601.0-1.845-550.8-1.61-3第3页共15页第2页共15页编号:时间:2021年x月x日书山有路勤为径,学海无涯苦作舟页码:第3页共15页用地用地多层仓库建筑用地40-501.5-3.035-502.0-3.04层及仓库注:1、有关指标在规定的幅度内由城市规划行政主管部门综合考虑有关规定及实际情况后确定,原则上较高的容积率适用较低的建筑密度。2、本表规定的上限控制指标,对于大范围的新建、改建工程加开发区、居住小区等,应按使用性质分类划定计算。3、幼儿园、托儿所、大中小学教育楼、医院、体育场管等建筑的指标,不论其具体位置,均应按有关规定执行。4、地下室,停车库等附属设施时,其面积可不计入容积率。5、中心地段与一般地段由城市规划主管部门根据城市建设发展水平合理界定。6、特殊情况下,指标可作适当调整。<表二>提供公共开放空间建筑面积补偿换算表建设项目容积率每提供1平方米有效空间面积,允许增加的建筑面积〈1.21.51.2-2.51.82.5-3.52.23.5-4.52.64.5以上3.0第四章建筑绿地第十条各类建筑基地内绿地面积占基地总面积的比例(绿地率)应当符合...

1、当您付费下载文档后,您只拥有了使用权限,并不意味着购买了版权,文档只能用于自身使用,不得用于其他商业用途(如 [转卖]进行直接盈利或[编辑后售卖]进行间接盈利)。
2、本站所有内容均由合作方或网友上传,本站不对文档的完整性、权威性及其观点立场正确性做任何保证或承诺!文档内容仅供研究参考,付费前请自行鉴别。
3、如文档内容存在违规,或者侵犯商业秘密、侵犯著作权等,请点击“违规举报”。

碎片内容

宁波市城市规划管理技术规定样本

确认删除?
VIP
微信客服
  • 扫码咨询
会员Q群
  • 会员专属群点击这里加入QQ群
客服邮箱
回到顶部