电脑桌面
添加小米粒文库到电脑桌面
安装后可以在桌面快捷访问

浙江用电现场服务与管理系统通讯规约(完整版本)VIP专享VIP免费

浙江用电现场服务与管理系统通讯规约(完整版本)_第1页
1/64
浙江用电现场服务与管理系统通讯规约(完整版本)_第2页
2/64
浙江用电现场服务与管理系统通讯规约(完整版本)_第3页
3/64
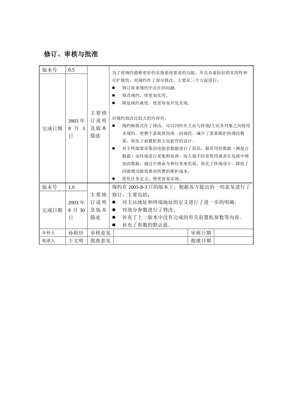
用电现场服务与管理系统通信规约(完整稿)浙江省用电现场服务与管理系统规约起草小组二零零三年八月三十日修订、审核与批准版本号0.5主要修订说明及版本描述为了使规约能够更好的实现系统要求的功能,并且具备较好的实用性和可扩展性,对规约作了部分修改,主要从三个方面进行:修订原来规约中存在的问题。修改规约,使更加实用。降低规约难度,使更容易开发实现。对规约修改比较大的内容有:规约帧格式作了修改,可以同时在主站与终端/主站各对象之间使用本规约,使整个系统使用统一的规约,减少了需要维护的规约数量,简化了前置机和主站软件的设计。对于终端要采集的电能表数据进行了简化,最常用的数据(测量点数据)由终端进行采集和处理,而大量不经常使用或者在发展中增加的数据,通过中继命令和任务来实现。简化了终端设计,降低了因新增功能需要而所费的维护成本。简化任务定义,使更容易实现。完成日期2003年8月3日版本号1.0主要修订说明及版本描述规约在2003-8-3日的版本上,根据各方提出的一些意见进行了修订,主要包括:对主站地址和终端地址的定义进行了进一步的明确。对部分参数进行了修改。补充了上一版本中没有完成的有关前置机参数等内容。补充了参数的默认值。完成日期2003年8月30日审核人孙裕田审核意见审核日期批准人王文明批准意见批准日期目录修订、审核与批准......................................................................................................................II目录........................................................................................................................................III1前言..................................................................................................................................12术语..................................................................................................................................23通讯规约...........................................................................................................................33.1协议层次描述...........................................................................................................33.2应用层(FAAL)......................................................................................................33.3通讯接口层............................................................................................................204附录................................................................................................................................214.1数据项编码与格式..................................................................................................214.2错误编码...............................................................................................................354.3告警编码...............................................................................................................354.4供电电压编码.........................................................................................................374.5任务描述...............................................................................................................374.6对于规约必须实现部分和可选部分的规定...................................................................394.7异常告警的默认参数配置.........................................................................................414.8针对技术条件的实现举例.........................................................................................434.9规约起草说明..........................................................................

1、当您付费下载文档后,您只拥有了使用权限,并不意味着购买了版权,文档只能用于自身使用,不得用于其他商业用途(如 [转卖]进行直接盈利或[编辑后售卖]进行间接盈利)。
2、本站所有内容均由合作方或网友上传,本站不对文档的完整性、权威性及其观点立场正确性做任何保证或承诺!文档内容仅供研究参考,付费前请自行鉴别。
3、如文档内容存在违规,或者侵犯商业秘密、侵犯著作权等,请点击“违规举报”。

碎片内容

浙江用电现场服务与管理系统通讯规约(完整版本)

确认删除?
VIP
微信客服
  • 扫码咨询
会员Q群
  • 会员专属群点击这里加入QQ群
客服邮箱
回到顶部