电脑桌面
添加小米粒文库到电脑桌面
安装后可以在桌面快捷访问

危险货物运输包装通用技术条件(doc 20)VIP免费

危险货物运输包装通用技术条件(doc 20)_第1页
1/22
危险货物运输包装通用技术条件(doc 20)_第2页
2/22
危险货物运输包装通用技术条件(doc 20)_第3页
3/22
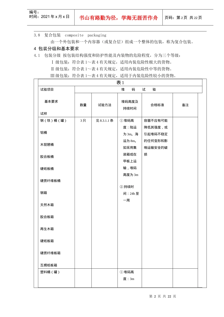
第1页共22页编号:时间:2021年x月x日书山有路勤为径,学海无涯苦作舟页码:第1页共22页危险货物运输包装通用技术条件GB12463-901主题内容与适用范围本标准规定了危险货物运输包装的分级、基本要求、性能试验和检验方法等,也规定了包装容器的类型和标记代号。本标准适用于盛装危险货物的运输包装,是运输、生产和检验部门对危险货物运输包装质量进行性能试验和检验的依据。本标准不适用于:a.盛装放射性物质的运输包装;b.盛装压缩气体和液化气体的压力容器的包装;c.净重超过400kg的包装;d.容积超过450L的包装。2引用标准GB190危险货物包装标志GB191包装储运图示标志GB4857.2运输包装件基本试验温湿度调节处理GB4857.3运输包装件基本试验堆码试验方法GB4857.5运输包装件基本试验垂直冲击跌落试验方法3术语3.1危险货物运输包装transportpackagesofdangerousgoods根据危险货物的特性,按照有关标准和法规,专门设计制造的运输包装。3.2气密封口hermeticseal容器经过封口后,封口处不外泄气体的封闭形式。3.3液密封口liquidseal容器经过封口后,封口处不渗漏液体的封闭形式。3.4严密封口tightseal容器经过封口后,封口处不外漏液体的封闭形式。3.5小开口桶smallopendrum桶顶开口直径不大于70mm的桶,称为小开口桶。3.6中开口桶middlingopendrum桶顶开口直径大于小开口桶,小于全开口桶,称为中开口桶。3.7全开口桶completeopendrum桶顶可以全开的桶,称为全开口桶。第2页共22页第1页共22页编号:时间:2021年x月x日书山有路勤为径,学海无涯苦作舟页码:第2页共22页3.8复合包装compositepackaging由一个外包装和一个内容器(或复合层)组成一个整体的包装,称为复合包装。4包装分级和基本要求4.1包装分级按包装结构强度和防护性能及内装物的危险程度,分为三个等级:Ⅰ级包装:符合表1~表4有关规定,适用内装危险性极大的货物。Ⅱ级包装:符合表1~表4有关规定,适用内装危险性中等的货物。Ⅲ级包装:符合表1~表4有关规定,适用于内装危险性较小的货物。表1试验项目基本要求试样堆码试验数量试验方法堆码高度及持续时间合格标准备注钢(铁)桶(罐)铝桶木琵琶桶胶合板桶硬纸板桶硬质纤维板桶钢箱天然木箱胶合板箱再生木箱硬纸板箱硬质纤维板箱瓦楞纸板箱3只见8.3.1.1条①堆码高度:陆运为3m。海运为8m。如采用集装箱或在甲板上运输,堆码高度为3m②持续时间:24h至一周容器不应有可能降低其强度,或引起堆码不稳定的任何变形和影响运输安全的破损塑料桶(罐)①堆码高度:3m第3页共22页第2页共22页编号:时间:2021年x月x日书山有路勤为径,学海无涯苦作舟页码:第3页共22页塑料箱钙塑板箱桶状复合包装(内容器为塑料材料)箱状复合包装(内容器为塑料材料)②持续时间:28天(温度40℃条件下)筐、篓①堆码高度:3m②持续时间:24h不允许用作Ⅰ级包装表2试验项目基本要求试样跌落试验数量试验方法跌落高度合格标准备注钢(铁)桶(罐)铝桶木琵琶桶胶合板桶硬纸板桶硬质纤维板桶塑料桶(罐)桶状复合包装6个(每次跌落3个)见8.3.2.1条第一次跌落:应以桶的凸边成对角线(如1-2-6角)撞击在冲击面上,如包装件没有凸边则以圆周的接缝处或边缘撞击试件内装物质为固体及液体,或用与被运液体比重近似的液体进行试验时:1.盛装液体的包装件,除复合包装外,包装内外压力达到平衡时包装件保持不漏第4页共22页第3页共22页编号:时间:2021年x月x日书山有路勤为径,学海无涯苦作舟页码:第4页共22页第二次跌落:以桶的第一次跌落时没有试验到的最薄弱部位撞击在冲击面上,如封闭装置,或圆柱形桶的桶体纵向焊缝(如5-6线)处Ⅰ级包装件:1.80mⅡ级包装件:1.20mⅢ级包装件:0.80m2.包装件(包括复合包装和组合包装的外包装)不应有影响运输安全的任何损坏。但盛装固体的包装件,如内包装保持完整无损,即使外包装的封闭装置不再具有防漏能力,应视为包装的封闭装置不再具有防漏能力,但仍视为包装合格3.试验时,如封闭处内装物有轻微漏出,试验后只要不再继续渗漏应视为包装合格4.盛装爆炸品的包装件不允许有破裂5.包装的内处理层或内涂层保持其良好的防护性能天然木箱胶合板箱再生木...

1、当您付费下载文档后,您只拥有了使用权限,并不意味着购买了版权,文档只能用于自身使用,不得用于其他商业用途(如 [转卖]进行直接盈利或[编辑后售卖]进行间接盈利)。
2、本站所有内容均由合作方或网友上传,本站不对文档的完整性、权威性及其观点立场正确性做任何保证或承诺!文档内容仅供研究参考,付费前请自行鉴别。
3、如文档内容存在违规,或者侵犯商业秘密、侵犯著作权等,请点击“违规举报”。

碎片内容

危险货物运输包装通用技术条件(doc 20)

精品中小学文档+ 关注
实名认证
内容提供者

精品资料,值得下载

确认删除?
VIP
微信客服
  • 扫码咨询
会员Q群
  • 会员专属群点击这里加入QQ群
客服邮箱
回到顶部