电脑桌面
添加小米粒文库到电脑桌面
安装后可以在桌面快捷访问

暖通空调初步设计说明书doc-暖通空调初步设计说明书VIP专享VIP免费

暖通空调初步设计说明书doc-暖通空调初步设计说明书_第1页
1/13
暖通空调初步设计说明书doc-暖通空调初步设计说明书_第2页
2/13
暖通空调初步设计说明书doc-暖通空调初步设计说明书_第3页
3/13
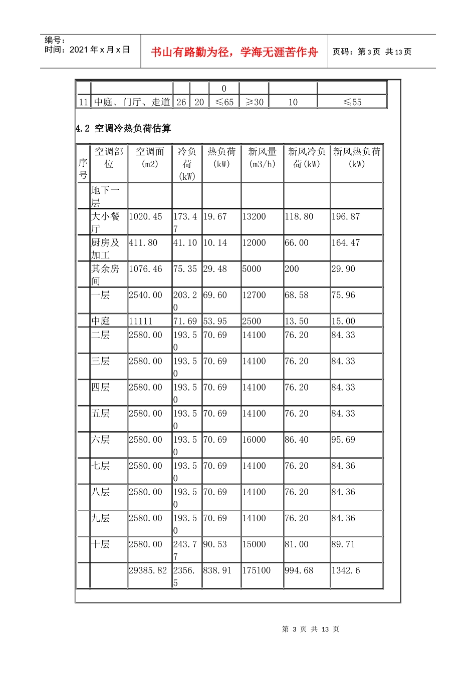
第1页共13页编号:时间:2021年x月x日书山有路勤为径,学海无涯苦作舟页码:第1页共13页暖通空调初步设计说明书摘要:地下三层,地上十层,框剪结构,空调形式为冰蓄冷,冷辐射吊顶。关键词:冰蓄冷冷辐射吊顶1设计依据1.1上级批文详见总论部分;1.2甲方提供的设计任务书;1.3建筑专业提出的平面图和剖面图;1.4室外计算参数(北京地区)夏季空调计算干球温度33.2℃夏季空调计算日平均温度28.6℃夏季空调计算湿球温度26.4℃夏季通风计算干球温度30.0℃夏季空调计算相对湿度78%夏季大气压力99.86Kpa夏季平均风速1.9m/s冬季空调计算干球温度-12℃冬季通风计算干球温度-5℃冬季空调计算相对湿度45%冬季大气压力102.04Kpa冬季平均风速2.8m/s1.5建筑物围护结构的热工性能围护结构名称外窗外墙屋面地面传热系数w/m2·℃3.240.780.800.211.6国家主要规范和行业标准(1)《采暖通风与空气调节设计规范》GB50019-2003;(2)《高层民用建筑设计防火规范》GB50045-95(2001版);(3)《民用建筑热工设计规范》GB50176-93;(4)全国民用建筑工程设计技术措施《暖通空调?动力》;(5)《民用建筑隔声设计规范》GBJ118第2页共13页第1页共13页编号:时间:2021年x月x日书山有路勤为径,学海无涯苦作舟页码:第2页共13页1.72004年5月19日由中船重工集团组织的《科技研发大厦空调方案研讨会》专家组意见。2设计范围本工程为船舶科技研发大厦,总建筑面积为33928平方米,预留建筑面积为5494平方米,建筑高度为33.99米。地下二﹑三层为停车库及设备用房,层高3.6米;地下一层主要为餐厅﹑厨房﹑多功能厅及档案室,层高5米;首层至八层主要为办公及会议室,首层层高为5.0米,其余为3.9米。设计范围为采暖、通风、空调、防排烟及冷热源设计。冷冻机房冷却水系统由给排水专业设计。3设计原则满足国家及行业有关规范﹑规定的要求,利用国内外先进的空调技术及设备,创建健康舒适的室内空气品质及环境。4空调设计4.1室内设计参数序号房间名称温度℃湿度(%)新风量标准m3/h.人噪声dB(A)夏季冬季夏季冬季1办公﹑谈判室及接待室242250±10≥4050≤402会议﹑学术报告厅241850±10≥3536≤503电话机房251850±10≥4050≤604计算中心242050±10≥4050≤555展示厅261850±10≥4050≤556档案室261850±10≥3550≤557餐厅2420≤65≥4030≤558厨房35159健身2420≤60≥4080≤5510多功能厅242050±1≥3540≤45第3页共13页第2页共13页编号:时间:2021年x月x日书山有路勤为径,学海无涯苦作舟页码:第3页共13页011中庭﹑门厅、走道2620≤65≥3010≤554.2空调冷热负荷估算序号空调部位空调面(m2)冷负荷(kW)热负荷(kW)新风量(m3/h)新风冷负荷(kW)新风热负荷(kW)地下一层大小餐厅1020.45173.4719.6713200118.80196.87厨房及加工411.8041.1010.141200066.00164.47其余房间1076.4675.3529.48500020029.90一层2540.00203.2069.601270068.5875.96中庭1111171.6953.95250013.5015.00二层2580.00193.5070.691410076.2084.33三层2580.00193.5070.691410076.2084.33四层2580.00193.5070.691410076.2084.33五层2580.00193.5070.691410076.2084.33六层2580.00193.5070.691600086.4095.69七层2580.00193.5070.691410076.2084.36八层2580.00193.5070.691410076.2084.36九层2580.00193.5070.691410076.2084.36十层2580.00243.7790.531500081.0089.7129385.822356.5838.91175100994.681342.6第4页共13页第3页共13页编号:时间:2021年x月x日书山有路勤为径,学海无涯苦作舟页码:第4页共13页4.3空调系统经技术﹑经济综合比较及专家组建议,空调方案确定为:独立新风空调系统,即新风机组加辐射冷吊顶。辐射吊顶已被美国能源部列为二十一世纪15项最节能,最有前途的空调技术之一,其突出的优点——更加舒适,更加节能,更加安静,使其成为目前欧美各国首选的空调末端装置,辐射吊顶、全热交换器和低温送风新风系统组成的独立新风系统,已经成为国际公认的最先进的空调系统。4.3.1首层∽八层及地下一层南区各功能房间采用独立新风空调系统(DOAS)。新风机组除了承担新风负荷外,还承担室内全部潜热和部分显热负荷,室内剩余的显热负荷由辐射冷吊顶承担...

1、当您付费下载文档后,您只拥有了使用权限,并不意味着购买了版权,文档只能用于自身使用,不得用于其他商业用途(如 [转卖]进行直接盈利或[编辑后售卖]进行间接盈利)。
2、本站所有内容均由合作方或网友上传,本站不对文档的完整性、权威性及其观点立场正确性做任何保证或承诺!文档内容仅供研究参考,付费前请自行鉴别。
3、如文档内容存在违规,或者侵犯商业秘密、侵犯著作权等,请点击“违规举报”。

碎片内容

暖通空调初步设计说明书doc-暖通空调初步设计说明书

确认删除?
VIP
微信客服
  • 扫码咨询
会员Q群
  • 会员专属群点击这里加入QQ群
客服邮箱
回到顶部