电脑桌面
添加小米粒文库到电脑桌面
安装后可以在桌面快捷访问

某桥梁工程施工组织设计方案设计及工程预算(DOC5页)VIP免费

某桥梁工程施工组织设计方案设计及工程预算(DOC5页)_第1页
1/5
某桥梁工程施工组织设计方案设计及工程预算(DOC5页)_第2页
2/5
某桥梁工程施工组织设计方案设计及工程预算(DOC5页)_第3页
3/5
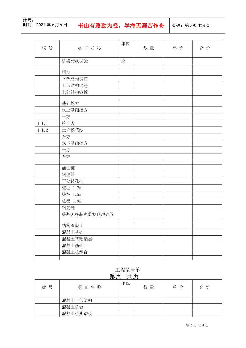
第1页共5页编号:时间:2021年x月x日书山有路勤为径,学海无涯苦作舟页码:第1页共5页某桥梁工程施工方案设计及工程预算一、工程概况.工程特点本工程为大道的标段,主线全线采用高架桥。工程主要包括主线高架桥及匝道、排水、人行天桥等工程。桥梁工程的施工高度最高达22.8m,分上下两层共四条线,其中下层线主线长496.449m,匝道全长316.213m;上层的线全长513.545m,匝道全长.314m。基础采用直径为1.2m和1.5m的钻(冲)孔灌注桩。下部结构为承台、墩柱和帽梁或框架梁;上结构分别有现浇现浇箱梁、30m预制梁、钢箱梁。、主线桥梁标准跨采用30m和22m,30m跨标准段采用30m预应力混凝土空心板结构,型门架式桥墩;22m跨标准段采用钢筋混凝土箱梁结构,22m和不等跨采用分离式独立墩。.地点特征本工程位于华南某河南岸,地势较平,场地第四系覆盖层,厚度变化较大,地下水较丰富,地下水位埋深一般为—2.5m。.工程量本工程工程数量见附一。二、设计内容及要求.编写施工方案()为了减少噪声、泥浆等对环境的污染和加快施工进度,桩基础的土层部分采用人工挖孔,进入岩层部分采用桩机钻(冲)孔。要求说明基础工程的主要施工方法;()简要说明承台、墩柱、框架梁的主要施工方法。()简要说明钢筋混凝土连续箱梁的工艺流程和主要施工方法。()简要说明预制预应力空心板梁的工艺流程和主要施工方法。.编制桥梁工程预算()根据附录一所列的工程数量编制桥梁工程预算()要求列出单价分析表附录一某桥梁工程工程量清单工程量清单第页共页第2页共5页编号:时间:2021年x月x日书山有路勤为径,学海无涯苦作舟页码:第2页共5页编号项目名称单位数量单价合价桥梁荷载试验座钢筋下部结构钢筋上部结构钢筋上部结构钢板基础挖方水上基础挖方土方1.1.1挖土方1.1.2土方换填沙石方水下基础挖方土方石方灌注桩钢筋笼干处钻孔桩桩径1.2m桩径1.5m桩径1.8m钢筋笼桩基无损超声监测预埋钢管结构混凝土混凝土基础混凝土基础垫层混凝土基础混凝土桩承台工程量清单第页共页编号项目名称单位数量单价合价混凝土下部结构混凝土桥台混凝土桥头踏板第3页共5页编号:时间:2021年x月x日书山有路勤为径,学海无涯苦作舟页码:第3页共5页混凝土挡墙混凝土桥墩混凝土帽梁混凝土支座垫石混凝土上部结构混凝土箱梁混凝土浇层混凝土护栏硬塑电缆管混凝土防撞栏钢筋复合不锈钢管预应力混凝土预应力钢材钢丝钢绞线锚具套锚具套锚具套锚具套20mm波纹管波纹管预应力混凝土框架梁预应力空心板钢构件工程量清单第页共页编号项目名称单位数量单价合价支座四氟化斑橡胶支座支座座盆式橡胶支座座第4页共5页编号:时间:2021年x月x日书山有路勤为径,学海无涯苦作舟页码:第4页共5页桥面铺装沥青混凝土桥面中颗粒沥青混凝土(厚度30mm)粗颗粒沥青混凝土(厚度30mm)伸缩缝伸缩缝伸缩缝泄水管及引水管桥上落水管(塑料)天桥钢筋基础挖方钻空桩钻孔桩钢筋笼混凝土垫层混凝土承台混凝土墩身混凝土楼梯多功能橡胶板桥面铺装天桥钢梁钢管栏杆预埋铁杆板式橡胶支座(300mm450mm47mm)桩基无损声测预埋钢管第5页共5页编号:时间:2021年x月x日书山有路勤为径,学海无涯苦作舟页码:第5页共5页说明★建筑设计施工图纸★建筑规划设计方案及施工图★园林景观设计施工图纸★室内装修设计图纸★建筑结构设计方案与施工图★给排水设计方案与施工图★暖通空调设计方案与施工图★电气设计方案与施工图★设计施工组织方案大全★建筑及景观表现后期处理效果图图库网址联系:电话:

1、当您付费下载文档后,您只拥有了使用权限,并不意味着购买了版权,文档只能用于自身使用,不得用于其他商业用途(如 [转卖]进行直接盈利或[编辑后售卖]进行间接盈利)。
2、本站所有内容均由合作方或网友上传,本站不对文档的完整性、权威性及其观点立场正确性做任何保证或承诺!文档内容仅供研究参考,付费前请自行鉴别。
3、如文档内容存在违规,或者侵犯商业秘密、侵犯著作权等,请点击“违规举报”。

碎片内容

某桥梁工程施工组织设计方案设计及工程预算(DOC5页)

您可能关注的文档

确认删除?
VIP
微信客服
  • 扫码咨询
会员Q群
  • 会员专属群点击这里加入QQ群
客服邮箱
回到顶部