电脑桌面
添加小米粒文库到电脑桌面
安装后可以在桌面快捷访问

某220kv导线消缺工程施工组织设计VIP免费

某220kv导线消缺工程施工组织设计_第1页
1/40
某220kv导线消缺工程施工组织设计_第2页
2/40
某220kv导线消缺工程施工组织设计_第3页
3/40
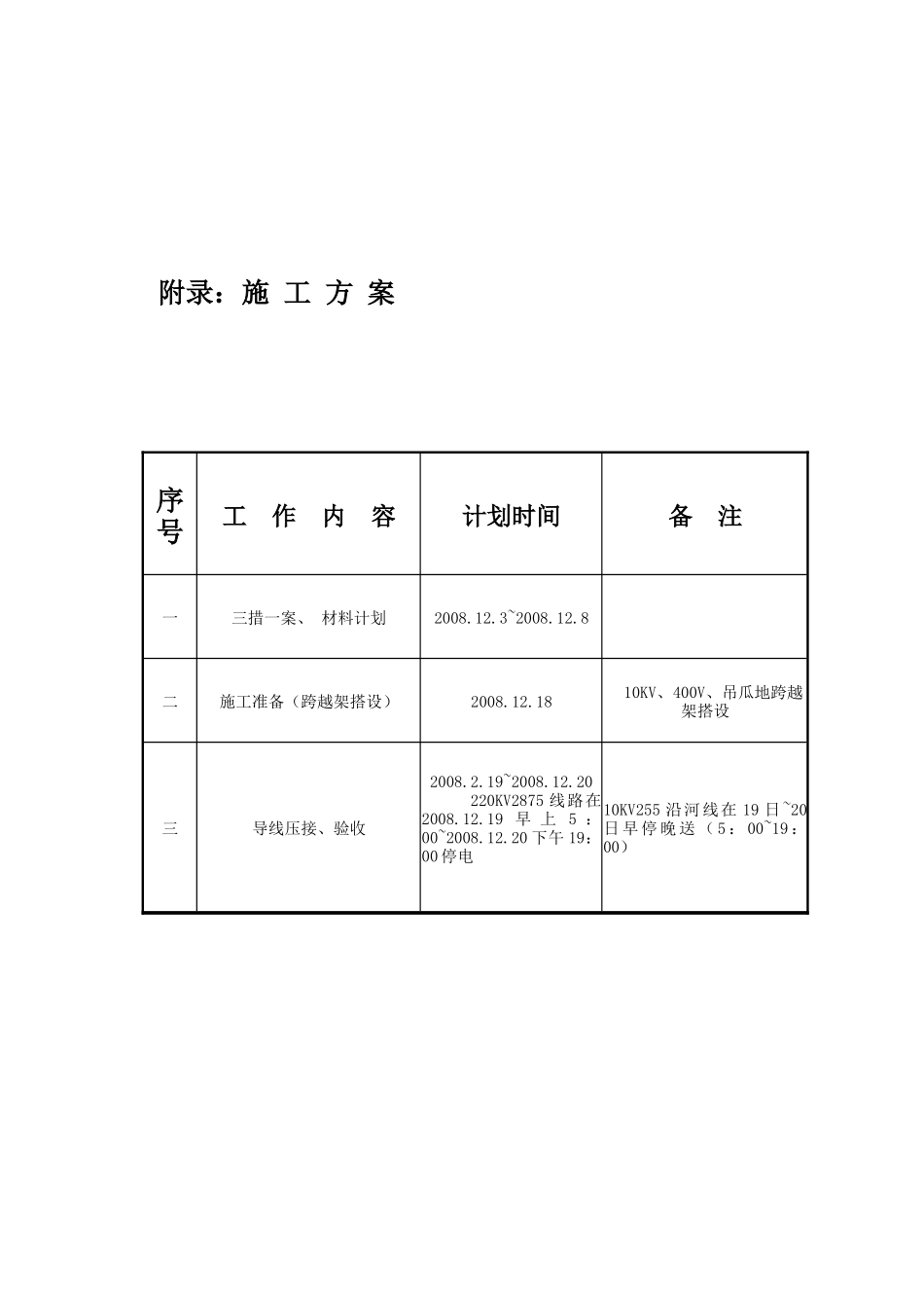
220kV导线消缺工程施工组织设计公司领导批准:安全部门复审:技术部门复审:主管部门复审:施工单位初审:编制汇总人员:二OO八年十二月八日工程主管部门审核意见:审核人(签名盖章):年月日生产技术部门审核意见:审核人(签名盖章):年月日安全监督部门审核意见:审核人(签名盖章):年月日领导批准意见:批准人(签名盖章):年月日附录:施工方案序号工作内容计划时间备注一三措一案、材料计划2008.12.3~2008.12.8二施工准备(跨越架搭设)2008.12.1810KV、400V、吊瓜地跨越架搭设三导线压接、验收2008.2.19~2008.12.20220KV2875线路在2008.12.19早上5:00~2008.12.20下午19:00停电10KV255沿河线在19日~20日早停晚送(5:00~19:00)220KV导线消缺施工跨越示意图:500KVXX变220KVXX变108#111#112#113#114#116#117#118#119#220KV01#接地线220KV02#接地线10KV400V400V土马路吊瓜地127#128#钻500KV时间段别施工进度计划安排表二00八年十二月38181920材料计划、三措一案施工准备(跨越架搭设)导线压接,放紧线新换导线20米113#A相导线拉头双钩压接管220KVA相导线消缺施工示意图:注:由于113#A相为边导线,在施工过程中,先将A相拆除悬垂线夹,放下边导线,用两把拉头和两只双钩摇紧边导线,将原压接管拆除,中间换用20米新导线,并用两只压接管在新导线两头与原导线压接,重新将新导线卡入悬垂线夹,两只压接管与悬垂线夹距离大于5米。220KVB相导线消缺施工平面示意图:108号耐张113号直线114号直线118号直线119号耐张地锚平板压接管压接管新接20米导线耐张临时拉线起重钢丝绳机动绞磨滑轮平板注:由于114#B相是中导线,114#为猫头塔,不能将中导线直接放下,施工时在113#塔通过平板往114#将中导线用地锚铆住,在119#耐张塔,往118号打好临时拉线,将114#~118#中导线的防震锤拆除,并拆除悬垂线夹,将中导线放入滑轮,在119#用平板和起重钢丝绳将中导线保住,开动机动绞磨,拉紧中导线,拆下耐张线夹挂钩,这样在114#中导线通过滑轮松落下来,拆除原压接管,换上20米新线并用两只新压接管将新线与老线压接,再将中导线收紧,在119#将耐张线夹挂上,重新装上防震锤,114#塔的两只压接管与悬垂线夹距离大于5米。第4页共42页编号:时间:2021年x月x日书山有路勤为径,学海无涯苦作舟页码:第4页共42页220Kv导线消缺三措一案由于220KV线路在114#导线B相压接管和113#导线A相压接管离悬垂线夹距离小于5米,不符合线路验收规范,故需要重新压接压接管,增大压接管与悬垂线夹距离。为安全顺利地完成此工程,特拟订本施工组织设计。一、施工方案1.现场概况本线路是220KV由于114#导线B相压接管离悬垂线夹约1.5米,113#导线A相压接管离悬垂线夹约0.5米。故需要重新压接压接管,增大压接管与悬垂线夹距离。将113#塔和114#塔的原压接管拆除,换上新导线,并将新导线与老线通过压接管连接,使新压接管与悬垂线夹的距离大于5米。相应拆除114#~118#直线塔中导线的防震锤并换新防震锤。2.工程概况1)建设单位:2)施工部门:3)工作任务:压接导线,增大压接管与悬垂线夹的距离4)计划工作时间:2008年12月19日至12月20日5)地形地貌:丘陵、田地。3.导线压接塔号:113#、114#铁塔4.质量目标工程质量达到国家施工验收规范,优良标准,并顺利运行。分项工程合格率=100%,分项工程优良率=100%5.施工方法第5页共42页第4页共42页编号:时间:2021年x月x日书山有路勤为径,学海无涯苦作舟页码:第5页共42页架线施工方法施工项目施工方法备注放线方法导地线均采用人力或机械放线施工方法放线滑车悬挂1.地线展放采用单轮或串联双轮放线滑车。2.在单滑车上导线包络角大于30度的直线塔改挂双滑车,在线索上扬的塔上设置压线滑车,对转角塔放线滑车采取预倾斜措施,并随着线索张力变化调整倾斜程度,使导引绳、牵引绳或导线的方向基本垂直于滑车轮轴,避免线索跳槽。导线展放用机械或人力牵放导地线接续采用导线压接管接续紧线机动绞磨紧线,按紧-松-紧,远-中-近的方法调整弧垂驰度观测平行四边形法观测、校验6.线路防震和接地导线采用防震锤型号为FDZ-5型。7.资源需求计划7.1接线施工机具表序号机具...

1、当您付费下载文档后,您只拥有了使用权限,并不意味着购买了版权,文档只能用于自身使用,不得用于其他商业用途(如 [转卖]进行直接盈利或[编辑后售卖]进行间接盈利)。
2、本站所有内容均由合作方或网友上传,本站不对文档的完整性、权威性及其观点立场正确性做任何保证或承诺!文档内容仅供研究参考,付费前请自行鉴别。
3、如文档内容存在违规,或者侵犯商业秘密、侵犯著作权等,请点击“违规举报”。

碎片内容

某220kv导线消缺工程施工组织设计

您可能关注的文档

确认删除?
VIP
微信客服
  • 扫码咨询
会员Q群
  • 会员专属群点击这里加入QQ群
客服邮箱
回到顶部