电脑桌面
添加小米粒文库到电脑桌面
安装后可以在桌面快捷访问

油罐区安装工程施工组织设计VIP免费

油罐区安装工程施工组织设计_第1页
1/49
油罐区安装工程施工组织设计_第2页
2/49
油罐区安装工程施工组织设计_第3页
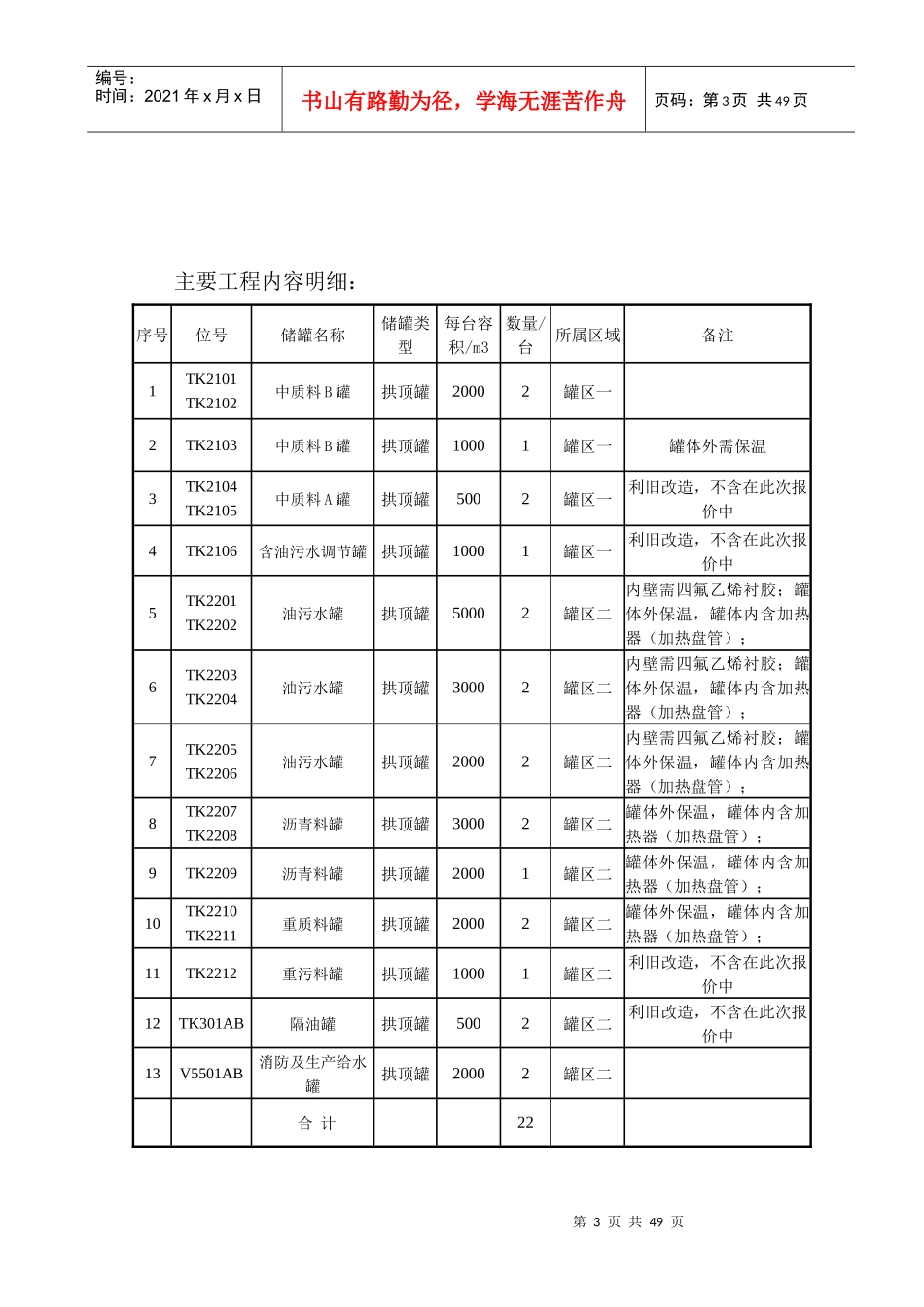
3/49
第1页共49页编号:时间:2021年x月x日书山有路勤为径,学海无涯苦作舟页码:第1页共49页目录第一章工程概况第二章储罐施工组织第三章资源配置第四章储罐施工工艺第五章进度目标及保证措施第六章质量保证体系和保证措施第七章安全和环境保证措施第八章竣工验收及交工资料第2页共49页第1页共49页编号:时间:2021年x月x日书山有路勤为径,学海无涯苦作舟页码:第2页共49页第一章工程概况1.1工程简介招标单位:宁波中天工程有限公司工程内容:宁波北仑千和环保工程有限公司废矿物油综合利用搬迁、改造项目储罐制造安装工程工程地点:宁波市北仑区郭巨镇1.2方案编制依据:1.2.1中国化学工程第七建设有限公司招标文件1.2.2国内执行的现行储罐制作安装验收标准序号标准编号标准名称1SH/T3507-2005《石油化工钢结构工程施工及验收规范》2SH3505《石油化工施工安全技术规程》3GB50236-97《现场设备、工业管道焊接工程施工及验收规范》4GB50205-2001《钢结构工程施工质量验收规范》5GB50231-98《机械设备安装工程施工及验收规范》6GB50275-98《压缩机、风机、泵安装工程施工及验收规范》7SHJ509-88《石油化工工程焊接工艺评定》8GBJ50235-97《工业金属管道工程施工及验收规范》9GB50128-2005《立式圆筒形钢制焊接储罐施工及验收规范》10SH3533-95《石油化工给排水管道工程施工及验收规范》1.2.3我公司同类工程的成熟施工经验第3页共49页第2页共49页编号:时间:2021年x月x日书山有路勤为径,学海无涯苦作舟页码:第3页共49页主要工程内容明细:序号位号储罐名称储罐类型每台容积/m3数量/台所属区域备注1TK2101TK2102中质料B罐拱顶罐20002罐区一2TK2103中质料B罐拱顶罐10001罐区一罐体外需保温3TK2104TK2105中质料A罐拱顶罐5002罐区一利旧改造,不含在此次报价中4TK2106含油污水调节罐拱顶罐10001罐区一利旧改造,不含在此次报价中5TK2201TK2202油污水罐拱顶罐50002罐区二内壁需四氟乙烯衬胶;罐体外保温,罐体内含加热器(加热盘管);6TK2203TK2204油污水罐拱顶罐30002罐区二内壁需四氟乙烯衬胶;罐体外保温,罐体内含加热器(加热盘管);7TK2205TK2206油污水罐拱顶罐20002罐区二内壁需四氟乙烯衬胶;罐体外保温,罐体内含加热器(加热盘管);8TK2207TK2208沥青料罐拱顶罐30002罐区二罐体外保温,罐体内含加热器(加热盘管);9TK2209沥青料罐拱顶罐20001罐区二罐体外保温,罐体内含加热器(加热盘管);10TK2210TK2211重质料罐拱顶罐20002罐区二罐体外保温,罐体内含加热器(加热盘管);11TK2212重污料罐拱顶罐10001罐区二利旧改造,不含在此次报价中12TK301AB隔油罐拱顶罐5002罐区二利旧改造,不含在此次报价中13V5501AB消防及生产给水罐拱顶罐20002罐区二合计22第4页共49页第3页共49页编号:时间:2021年x月x日书山有路勤为径,学海无涯苦作舟页码:第4页共49页第二章储罐施工组织2.1总则2.1.1机构设置公司在现场设立“宁波北仑千和项目经理部”,项目经理部下设三科一室,宁波北仑千和项目经理部组织机构见下图:宁波北仑千和项目经理部组织机构图公司总经理宁波北仑千和项目经理部公司机关部室质量负责人技术负责人安全负责人项目部科室施工科质安科设材科办公室制作队安装队第5页共49页第4页共49页编号:时间:2021年x月x日书山有路勤为径,学海无涯苦作舟页码:第5页共49页2.1.2机构运行原则⑴项目经理部是在本工程中派出的负责项目施工全过程管理的唯一组织机构;项目经理部严格实行项目法管理;项目经理在公司总体领导下,全速负责项目的施工管理,组织高效精干的队伍,运用“矩阵体制、动态管理、目标控制、节点考核”的项目动态管理组织施工,实施工期、质量、成本、安全四大控制,保证切实履行工程合同。⑵公司总部公司总部职能部门按制度定期到现场检查、督促、指导项目部各项工作。⑶项目经理部安全管理项目安全负责人在项目经理的领导下,全面负责施工现场的安全工作:制定安全生产计划、组建安全保证体系、完成安全生产。⑷项目经理部质量管理项目质量负责人在项目经理的领导下,负责组建项目经理部质保体系,保证质保体系日常工作的正常进行,就项目施工质量向公司管理...

1、当您付费下载文档后,您只拥有了使用权限,并不意味着购买了版权,文档只能用于自身使用,不得用于其他商业用途(如 [转卖]进行直接盈利或[编辑后售卖]进行间接盈利)。
2、本站所有内容均由合作方或网友上传,本站不对文档的完整性、权威性及其观点立场正确性做任何保证或承诺!文档内容仅供研究参考,付费前请自行鉴别。
3、如文档内容存在违规,或者侵犯商业秘密、侵犯著作权等,请点击“违规举报”。

碎片内容

油罐区安装工程施工组织设计

您可能关注的文档

确认删除?
VIP
微信客服
  • 扫码咨询
会员Q群
  • 会员专属群点击这里加入QQ群
客服邮箱
回到顶部