电脑桌面
添加小米粒文库到电脑桌面
安装后可以在桌面快捷访问

机械制图试题06VIP免费

机械制图试题06_第1页
1/7
机械制图试题06_第2页
2/7
机械制图试题06_第3页
3/7
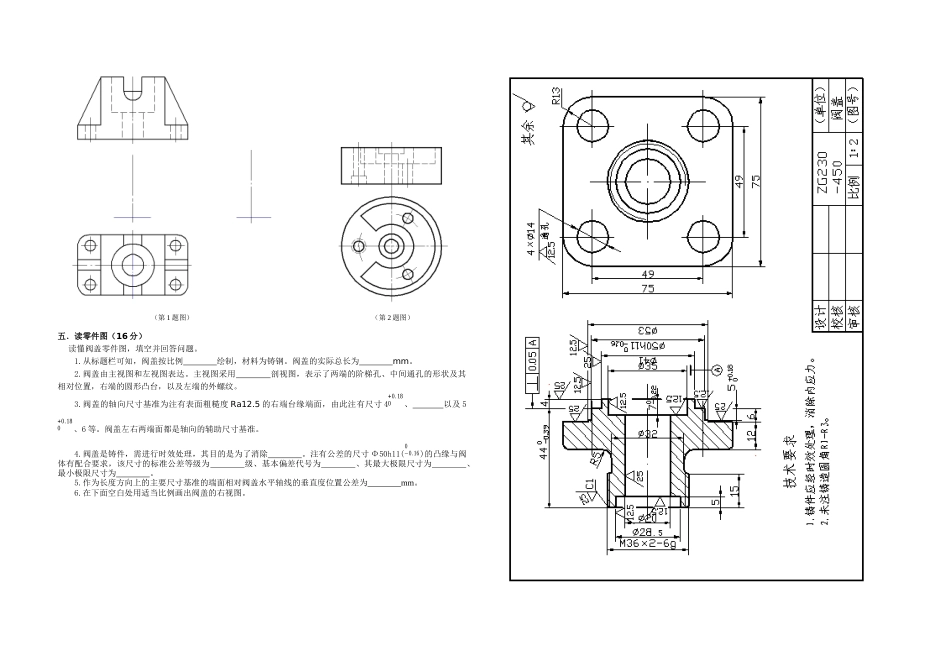
《机械制图》试题06一.填空:(20分)1.螺纹的基本要素有五个:、、、、。2.断面图分为断面和断面。3.按剖切范围的大小,剖视图可分为视图、视图、视图。4.读组合体视图的基本方法是法和法。5.在组合体视图上标注尺寸,应做到、、。6.基本尺寸相同的,相互结合的孔和轴公差带之间的关系称为。7.零件加工表面具有的较小间距的峰谷所组成的微观几何形状特性,称为。8.装配图的特殊画法有拆卸画法、画法、画法、画法和单独表示法。二.选择题:(24分)1.有一左旋梯形螺纹,其公称直径为30,螺距为6,导程12,其代号应为。A.M30×6B.Tr30×12(p6)LHC.G1/2AD.Tr30×p62.判断B-B断面图,正确的答案是。3.看懂主、俯视图,想象出组合体的形状,找出错误的左视图。4.下列各图中,合理的钻孔工艺结构是。ABCD5.代号为6208的滚动轴承,表示轴承内圈直径为mm的深沟球轴承。A.30B.40C.8D.806.在画半剖视图时,半个视图与半个剖视图的分界线是。A.虚线B.细实线C.细点画线D.粗实线7.正确的内外螺纹旋合画法如图。ABCD8.下列局部剖视图中,正确的画法是。ABCD9.根据下列公差带图,可判断出为过盈配合。ABCD10.下列四组视图中,主视图均为全剖视图,其中的主视图有缺漏的线。ABC.D11.用AutoCAD绘图时,擦除一个实体或一个实体的一部分应使用命令。ABC.D12.关于计算机绘图,下列说法中错误的是。A使用窗选法(W)选择图形实体时,只有完全在窗口内的对象才能被选中。B使用Offset(偏移)命令做等距复制时,距离值只能为正,不能为负。C用Hatch(图案填充)命令画剖面线时,被填充的区域边界可以是不封闭的任意图形。D在输入点的坐标数值时,@36<75表示点的极坐标。三.组合体作图题(20分)1.已知组合体的主视图和俯视图,画出组合体的左视图,虚线不可省略。2.补全组合体的尺寸,尺寸数值按11∶在图中量取后取整数。四.表达方法作图题(20分)1.根据给定的视图,在指定位置将主视图改画为半剖视图,并画出全剖的左视图。2.用相交的剖切平面剖开机件,在主视图上方空白处将主视图画成全剖视图。(第1题图)(第2题图)五.读零件图(16分)读懂阀盖零件图,填空并回答问题。1.从标题栏可知,阀盖按比例绘制,材料为铸钢。阀盖的实际总长为mm。2.阀盖由主视图和左视图表达。主视图采用剖视图,表示了两端的阶梯孔、中间通孔的形状及其相对位置,右端的圆形凸台,以及左端的外螺纹。3.阀盖的轴向尺寸基准为注有表面粗糙度Ra12.5的右端台缘端面,由此注有尺寸40+0.18、以及50+0.18、6等。阀盖左右两端面都是轴向的辅助尺寸基准。4.阀盖是铸件,需进行时效处理,其目的是为了消除。注有公差的尺寸Φ50h11(−0.160)的凸缘与阀体有配合要求,该尺寸的标准公差等级为级、基本偏差代号为、其最大极限尺寸为、最小极限尺寸为。5.作为长度方向上的主要尺寸基准的端面相对阀盖水平轴线的垂直度位置公差为mm。6.在下面空白处用适当比例画出阀盖的右视图。《机械制图》试题06答案一.填空:(20分)1.螺纹的基本要素有五个:牙型、公称直径、螺距、线数、旋向。2.断面图分为移出断面和重合断面。3.按剖切范围的大小,剖视图可分为全视图、局部视图、半视图。4.读组合体视图的基本方法是形体分析法和面形分析法。5.在组合体视图上标注尺寸,应做到正确、齐全、清晰。6.基本尺寸相同的,相互结合的孔和轴公差带之间的关系称为配合。7.零件加工表面具有的较小间距的峰谷所组成的微观几何形状特性,称为表面粗糙度。8.装配图的特殊画法有拆卸画法、假想画法、简化画法和夸大画法和单独表示法。二.选择题:(24分)1.有一左旋梯形螺纹,其公称直径为30,螺距为6,导程12,其代号应为B。A.M30×6B.Tr30×12(p6)LHC.G1/2AD.Tr30×p62.判断B-B断面图,正确的答案是C。3.看懂主、俯视图,想象出组合体的形状,找出错误的左视图D。4.下列各图中,合理的钻孔工艺结构是C。ABCD5.代号为6208的滚动轴承,表示轴承内圈直径为Bmm的深沟球轴承。A.30B.40C.8D.806.在画半剖视图时,半个视图与半个剖视图的分界线是C。A.虚线B.细实线C.细点画线D.粗实线7.正确的内外螺纹旋合画法如图A。ABCD8.下列局部...

1、当您付费下载文档后,您只拥有了使用权限,并不意味着购买了版权,文档只能用于自身使用,不得用于其他商业用途(如 [转卖]进行直接盈利或[编辑后售卖]进行间接盈利)。
2、本站所有内容均由合作方或网友上传,本站不对文档的完整性、权威性及其观点立场正确性做任何保证或承诺!文档内容仅供研究参考,付费前请自行鉴别。
3、如文档内容存在违规,或者侵犯商业秘密、侵犯著作权等,请点击“违规举报”。

碎片内容

机械制图试题06

精品中小学资料+ 关注
实名认证
内容提供者

精品文档

确认删除?
VIP
微信客服
  • 扫码咨询
会员Q群
  • 会员专属群点击这里加入QQ群
客服邮箱
回到顶部