电脑桌面
添加小米粒文库到电脑桌面
安装后可以在桌面快捷访问

某高速公路富锋特大桥换梁工程施工组织设计VIP免费

某高速公路富锋特大桥换梁工程施工组织设计_第1页
1/57
某高速公路富锋特大桥换梁工程施工组织设计_第2页
2/57
某高速公路富锋特大桥换梁工程施工组织设计_第3页
3/57
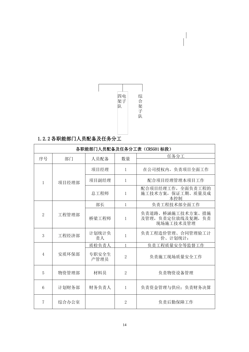
五、施工组织设计1.总体施工组织布置及规划1.1工程概况1.1.1工程主体简述1.1.1.1既有立交桥概况富锋特大桥位于京哈高速公路长春西环段,是长春绕城高速公路(南端)跨越102国道和京哈铁路的一座跨线桥,该桥于1997年建设,1999年建成通车。桥梁全长1016m。本桥于京哈铁路大屯至孟家屯站间铁路上行里程K986+560处上跨铁路,公路与铁路交叉角为74.2°。跨越处铁路上下行均为直线,6.2‰纵坡,线间距4.36m,路基高约4-5m。既有桥下净空6.7米。该处道路为直线,2.72%、-1.28%纵坡,变坡点里程为K41+150m,竖曲线半径为17000m。主桥为(35+45+35)m单箱单室预应力混凝土变截面连续梁,引桥为预应力砼装配式简支箱梁,总体布置为:12*30m+(35+45+35)m+11*30m+5*35m+30m,斜交角15°。桥面宽度为2*[0.5(防撞护栏)+11.0m(行车道)+1.0m(波形护栏)]+1.0m中央分隔带=26m。下部结构跨铁路部分主桥桥墩采用Y型墩,群桩基础,主桥过渡墩为双柱式墩,钻孔灌注桩基础。桥梁设计荷载:汽车-超20级,挂车-120。主桥箱梁为纵横向预应力结构,单箱单室,横向斜置2%横坡。箱梁顶板宽12.5m,底板宽7.0m,中跨跨中梁高为1.55m,边跨支架现浇段梁高1.35m,根部梁高2.5m。箱梁顶板厚度为25cm,箱梁悬臂厚25-70cm,箱梁腹板厚60cm,箱梁底板厚自中跨跨中(边跨过渡墩侧支点截面)向主墩中支点截面由25cm变化至35cm。主桥共设置5道横隔梁(板),端横隔梁厚1.14m,根部横隔梁厚1.0m,中跨跨中横隔板厚0.2m。主桥采用分段支架现浇进行施工。纵向预应力束采用15.2(75)jmm钢绞线,配置OVM15-7锚具,均采用单端张拉,张拉控制应力为1302MPa;顶板横向预应力钢束采用24-5高强碳素钢丝,间距45cm,单端张拉。主梁混凝土为50号。桥面铺装采用5cm50号水泥混凝土+5cm沥青混凝土双层铺装,主桥两端采用GQF-80型伸缩缝,球型支座。1.1.1.2设计概况富锋特大桥主桥换梁方案为在加固中墩系梁处设置临时支墩放置千斤顶,过渡墩处设置临时支墩放置千斤顶。千斤顶的控制采用液压同步计算机控制系统,将既有梁分八次共顶起1.6m。临时制架跨越二条铁路线,分别为京哈上行线、京哈下行线,支架布置完成后,拆除既有桥桥面铺装,伸缩缝、防撞墙及桥上防落物网。采用切割机及液压镐头机将每片梁凿碎,用小型平板车从中间12物资机械部安质环保部工程经济部部综合办公室计划财务部中心试验室工程管理部长春绕城高速公路富锋特大桥换梁工程CRSG01标段项目经理部(站前部分)施工总价承包招标(施工2标段)项目经理项目总工向两头运输,将混凝土碎块输出场地。待梁体拆除后将拼装好钢箱梁用电动板车运至桥位处。主梁为双箱单室钢箱梁,其桥面板为正交异性板结构,桥梁中心线与桥墩中心线的夹角为75°。1.1.2施工范围及主要工程内容标段主要项目公路等级长度(km)主要工作内容建设地点CRSG01主桥既有预应力混凝土变截面连续梁拆除更换成钢箱梁双向四车道高速公路富锋特大桥桥梁全长1016m,其中主桥长115m旧梁拆除、主桥钢箱梁制作、架设等工程吉林省长春市1.2施工组织机构及任务划分1.2.1施工组织机构设置成立长春绕城高速公路富锋特大桥换梁工程CRSG01标段项目经理部。项目经理部设五部二室。详见“拟为承包本工程设立的项目实施组织机构图”。拟为承包本工程设立的项目实施组织机构图131.2.2各职能部门人员配备及任务分工各职能部门人员配备及任务分工表(CRSG01标段)序号部门人员配备数量任务分工1项目经理部项目经理1在公司授权内,负责项目全面工作项目副经理1配合项目经理管理本项目工作总工程师1配合项目经理工作,全面负责工程的施工技术方案,保证工期、质量及成本控制2工程管理部部长1负责工程技术部全面工作桥梁工程师1负责道路、桥涵施工技术方案、措施及管理,负责定位放线及复测,负责现场施工技术及管理3工程经济部计划统计负责人1负责工程造价管理、合同管理验工计价、计划统计;4安质环保部质检负责人1负责工程质量安全等监督工作专职安全生产管理员2负责施工现场质量安全工作5物资管理部材料员2负责物资设备管理6计划财务部财务负责人1负责资金管理与供应;负责财务决算7综合办公室2负责后勤保障工作14综合...

1、当您付费下载文档后,您只拥有了使用权限,并不意味着购买了版权,文档只能用于自身使用,不得用于其他商业用途(如 [转卖]进行直接盈利或[编辑后售卖]进行间接盈利)。
2、本站所有内容均由合作方或网友上传,本站不对文档的完整性、权威性及其观点立场正确性做任何保证或承诺!文档内容仅供研究参考,付费前请自行鉴别。
3、如文档内容存在违规,或者侵犯商业秘密、侵犯著作权等,请点击“违规举报”。

碎片内容

某高速公路富锋特大桥换梁工程施工组织设计

确认删除?
VIP
微信客服
  • 扫码咨询
会员Q群
  • 会员专属群点击这里加入QQ群
客服邮箱
回到顶部