电脑桌面
添加小米粒文库到电脑桌面
安装后可以在桌面快捷访问

工程计价考试试题VIP专享VIP免费

工程计价考试试题_第1页
1/6
工程计价考试试题_第2页
2/6
工程计价考试试题_第3页
3/6
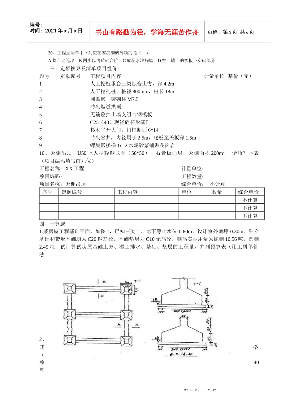
第1页共6页编号:时间:2021年x月x日书山有路勤为径,学海无涯苦作舟页码:第1页共6页工程计价(建筑工程)一、单项选择题1、单层或多层工业厂房相连的附属用房按()类别执行A民用建筑B构筑物C工业建筑D市政工程2、以幕墙作为围护结构的建筑物,应按幕墙外边线()计算A1B1/2C1/4D不计算面积3、有永久性顶盖,无围护结构的车棚、货棚、站台,应按其顶盖的水平投影面积()计算A1B1/2C1/4D不计算面积4、工程量清单中伸入墙内的拖梁按()列项A圈梁B单梁C并入墙面D单独列项5、清单计价中柜台、货架的计量单位为()A米B平方米C个D只6、按照现行规定,建筑安装工程造价中的模板费应列入()A直接费中的措施费B间接费中的规费C直接工程费中的材料费D间接费中的工具用具使用费7、按照现行规定,下列哪项费用不属于材料费的组成内容()A运输损耗费B检验试验费C材料二次搬运费D采购及保管费8、楼地面工程中踢脚线高度超过()者,按墙柱面相应定额执行A12cmB15cmC20cmD30cm9、自升式塔式起重机安装、拆卸定额是按塔高()确定A40mB60mC80mD100m10、特大型机械在同一施工点内,不同单位工程之间的转移定额按()内综合考虑A100mB150mC250mD.500m11、混凝土配合比定额中掺用膨胀剂(VEA)时应等量扣减()用量A水泥B砂C石子D水12、油漆工程磨退定额按()考虑A2遍B3遍C5遍D6遍13、门扇包白铁皮以双面为准,如设计为单面时,定额乘系数()A0.36B0.5C0.67D0.7914、室外楼梯无永久性顶盖或不能完全遮盖楼梯的雨蓬,顶层楼梯的建筑面积为()A1B1/2C1/4D不计算面积15、以“人工费+机械费”为计费基础的工程,在综合单价计价时,规费的计算基数为()第2页共6页第1页共6页编号:时间:2021年x月x日书山有路勤为径,学海无涯苦作舟页码:第2页共6页A直接工程费+措施费+综合费用B直接工程费C分部分项工程量清单项目费+措施项目清单D分部分项工程清单项目费+施工技术措施项目清单16、工程量清单表中,项目编码的第四级为()A分类码B具体清单项目码C节顺序码D清单项目码17、瓦屋面挑出墙外的尺寸如设计无规定时,彩色水泥瓦、粘土平瓦按水平尺寸加(),小青瓦按水平尺寸加()计算。A25mmB50mmC70mmD80mm18、商品混凝土如非泵送时,套用()定额,其人工及振捣器乘系数A现拌混凝土B现拌泵送混凝土C商品泵送混凝土D商品混凝土19、墙抹灰有吊顶而不抹到顶者,高度算至吊顶底面加()A10cmB15cmC20cmD25cm20、工程清单计价中,台阶装饰的工程量计价规则为()A按设计图示尺寸的台阶水平投影面积计算B按设计图纸尺寸以展开面积计算C同楼梯装饰规则计算D按外围水平面积计算二、多项选择题21、预算定额中日工资单价按Ⅱ类工资单价计算的是()A土石方工程B混凝土及钢筋混凝土工程C厂房大门及木结构工程D屋面及防水工程22、下列属于施工技术措施费内容的有()A大型机械设备进出场及安拆费B脚手架费C临时设施费D施工排水、降水费23、综合单价是指完成工程量清单中一个规定计算单位项目所需的()A人、材、机费B企业管理费C税金D风险因素24、屋架中的钢拉杆包括在砼构件中的内容为()A制作B安装C运输D拆卸25、下列关于压型钢板工程量计算方法不正确的是()A扣除0.3平方米以内的孔洞面积B楼板不扣除柱和垛所占面积C屋面板扣除风帽底座、风道、屋面小气窗和斜沟所占面积,D屋面小气窗在门窗工程中列项26、井点排水定额工作内容包括()A.井点管安装B.井点管拆除C.井点管场内运输D.打拔井点27、木门窗小五金未包括()A、门拉手B.闭门器C.门锁D.铁拉手28、下列费用已在取费定额规费内考虑的是:()A.养老保险金B.失业保险金C.住房住积金D.危险作业意外伤害保险29、混凝土灌注桩计价定额按成孔方式分为()A沉管B钻孔C冲孔D人工挖孔第3页共6页第2页共6页编号:时间:2021年x月x日书山有路勤为径,学海无涯苦作舟页码:第3页共6页30、工程量清单中下列应在零星砌砖列项的是()A舞台地笼墙B四步以内砖砌台阶C成品水池搁脚D空斗墙上的楼板下实砌部分三、定额换算及清单项目组价:题号定额编号工程项目内容计量单位基价(元)1人工挖桩承台三类综合土方,深4.2m2人工挖孔桩,桩径800mm,桩长18m3...

1、当您付费下载文档后,您只拥有了使用权限,并不意味着购买了版权,文档只能用于自身使用,不得用于其他商业用途(如 [转卖]进行直接盈利或[编辑后售卖]进行间接盈利)。
2、本站所有内容均由合作方或网友上传,本站不对文档的完整性、权威性及其观点立场正确性做任何保证或承诺!文档内容仅供研究参考,付费前请自行鉴别。
3、如文档内容存在违规,或者侵犯商业秘密、侵犯著作权等,请点击“违规举报”。

碎片内容

工程计价考试试题

确认删除?
VIP
微信客服
  • 扫码咨询
会员Q群
  • 会员专属群点击这里加入QQ群
客服邮箱
回到顶部