电脑桌面
添加小米粒文库到电脑桌面
安装后可以在桌面快捷访问

山西煤炭运销集团七一煤业回风井作业规程VIP专享VIP免费

山西煤炭运销集团七一煤业回风井作业规程_第1页
1/92
山西煤炭运销集团七一煤业回风井作业规程_第2页
2/92
山西煤炭运销集团七一煤业回风井作业规程_第3页
3/92
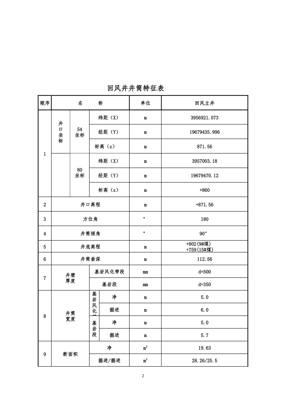
第一章矿井概况山西煤炭运销集团七一煤业有限公司是经山西省煤矿企业兼并重组整合工作领导组批准的单独保留矿井,井田面积7.9642平方公里,地质储量5196万吨,批准开采9#—15#煤层。目前地质报告已经省煤炭工业厅晋煤规发【2010】837号文件批复;初步设计专家已评审。初步设计井田开拓近期规划采用两斜井、一立井布置,其中主斜井-16度,斜长393米,半圆拱,净宽5米;副斜井-16度,斜长413米,半圆拱,净宽4.2米;立井直径5米,垂深112米。一、工程名称七一煤业有限公司回风立井二、开拓用途担负矿井总回风任务兼作安全出口三、开拓技术参数δ=90°,φ净=5m,φ毛=6.0m,S净=19.63㎡内设梯子间,详见井筒特征表及回风立井断面图1回风井井筒特征表顺序名称单位回风立井1井口坐标54坐标纬距(X)m3956921.073经距(Y)m19679435.996标高(z)m871.5680坐标纬距(X)m3957003.18经距(Y)m19679470.12标高(z)m+8602井口高程m+871.563方位角°1804井筒倾角°90°5井底高程m+802(9#煤)+759(15#煤)6井筒垂深m112.567井壁厚度基岩风化带段mmd=500基岩段mmd=3508井筒宽度基岩风化带净m5.0掘进m6.0基岩段净m5.0掘进m5.79断面积净m219.63掘进/掘进m228.26/25.5210支护材料基岩风化带段钢筋混凝土基岩段混凝土11装备梯子间回风立井断面图3四、支护形式4基岩风化段钢筋砼,基岩段砼。第二章地理位置、地质构造、水文地质情况及地温与瓦斯一、地理位置本矿井地理坐标为东经112°58′18″~112°59′52″,北纬35°42′29″~35°44′24″。所建设的回风立井坐标x=3956921.073m,y=196795435.996m,井口标高为+871.56m,井底标高9#煤+802m、15#煤+759m。二、水文地质井田位于沁水盆地中段东部,属高平—晋城盆地三姑泉域水文地质单元,沁水煤田东南部,太行山块隆西缘,晋获褶断带以东。井田内地形东高西低,近东西向黄土冲沟发育,地貌类型为构造剥蚀山丘陵区。井田水系均为季节性洪水沟谷,无河流。西李门村北蓄水池建在村庄范围内的粘土隔水层上,范围较小,蓄水不大。对井田内地下水基本没有影响。根据勘查资料,太原组、山西组、下石盒子组富水性弱,奥灰富水性强。据井田水文资料,推测本井田奥灰岩溶水水位标高620~625m,低于15号煤层的最低底板标高(约690m),奥灰水对开采煤层无影响。该矿井原开采9号煤层,实际生产能力为21万t/a,矿井正常涌水量为180m3/d,矿井最大涌水量为420m3/d。当生产能力达到90万t/a时,预计开采9号煤层的矿井正常涌水量为772m3/d,矿井最大涌水量为51800m3/d。15号煤矿井正常涌水量为959m3/d,丰水年最大矿井涌水量为2340m3/d。详细调查了采(古)空区积水情况,该矿井3号煤层采空区存在有积水,调查积水面积211345m3,估计积水量47271m3。9号煤层采空区存在有积水,调查积水面积125114m3,估计积水量9517m3。综合评价,矿井水文地质类型属中等。根据地质综合柱状图资料,岩石裂隙较发育,没有大的含水层,预计井筒施工期间预计涌水量小于10立方米∕小时。在施工过程中严格执行防探水有关规定。三、瓦斯、煤尘、自燃等其它条件1、根据原山西高平七一煤业有限公司年产21万吨/年9#煤层,2007、2008、2009年度矿井生产期间9#煤层瓦斯和二氧化碳涌出量鉴定结果,原矿井9#煤为低瓦斯矿井井。具体鉴定结果见下表:2、根据山西省煤炭工业厅晋煤安发[2010]1108号文“关于山西煤炭运销集团七一煤业有限公司矿井9号、15号煤层矿井瓦斯涌出量预测的批复”,预测七一煤业有限公司在生产前期开采9号煤层时,矿井最大相对瓦斯涌出量为2.57m3/t;最大绝对瓦斯涌出量为4.88m3/min;在生产后期开采15号煤层时,矿井最大相对瓦斯涌出量为3.51m3/t;最大绝对瓦斯涌出量为6.64m3/min,预测结论为低瓦斯矿井。年份绝对瓦斯涌出量m3/min相对瓦斯涌出量m3/t批复等级20070.782.2低20080.851.98低20090.912.1低63、据2008年10月13日由山西省煤炭工业局综合测试中心对高平市七一煤业有限公司井下工作面9号煤层爆炸测试结果:煤尘无爆炸危险性。4、井下工作面9号煤层的自燃倾向性指标为:吸氧量为1.19立方厘米/克,自然等级为Ⅲ类,倾向性质为不易自燃。根据本次施工3-1、5-1号孔对9...

1、当您付费下载文档后,您只拥有了使用权限,并不意味着购买了版权,文档只能用于自身使用,不得用于其他商业用途(如 [转卖]进行直接盈利或[编辑后售卖]进行间接盈利)。
2、本站所有内容均由合作方或网友上传,本站不对文档的完整性、权威性及其观点立场正确性做任何保证或承诺!文档内容仅供研究参考,付费前请自行鉴别。
3、如文档内容存在违规,或者侵犯商业秘密、侵犯著作权等,请点击“违规举报”。

碎片内容

山西煤炭运销集团七一煤业回风井作业规程

确认删除?
VIP
微信客服
  • 扫码咨询
会员Q群
  • 会员专属群点击这里加入QQ群
客服邮箱
回到顶部