电脑桌面
添加小米粒文库到电脑桌面
安装后可以在桌面快捷访问

广场工程施工组织设计89433(DOC49页)VIP免费

广场工程施工组织设计89433(DOC49页)_第1页
1/34
广场工程施工组织设计89433(DOC49页)_第2页
2/34
广场工程施工组织设计89433(DOC49页)_第3页
3/34
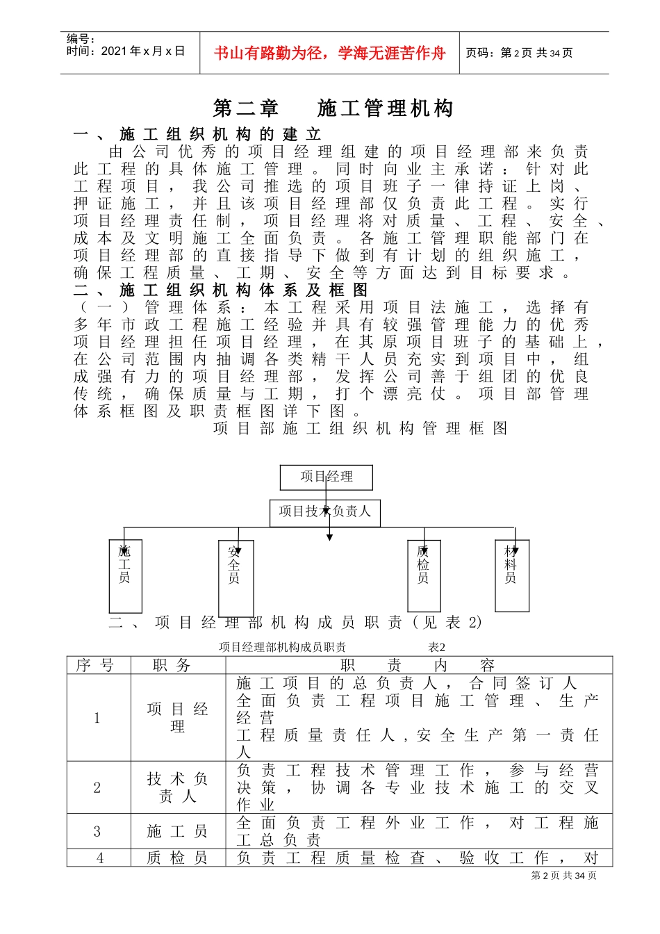
第1页共34页编号:时间:2021年x月x日书山有路勤为径,学海无涯苦作舟页码:第1页共34页第一章编制说明及工程概况一、编制说明与编制依据(一)编制说明1、本施工组织设计严格按照工程合同文件对施工组织设计的要求进行编制。在人员、机械、材料调配、质量要求、进度安排等方面统一部署的原则下,由土建、园林绿化、安装专业组成。2、根据本工程设计特点、1A`功能要求,本着对业主资金合理利用,对工程质量终身负责的精神,以“科学、经济、优质、高效”为编制原则。(二)编制依据本施工方案依据以下资料编制:1、合同文件2、工程招投标文件及施工图(全套)3、四川省2004《四川省建设工程工程量清单计价定额》及配套文件,中华人民共和国国家标准(GB50500-2003)<<建设工程工程量清单计价规范>>4、地方及企业现行的施工工艺、工法与操作规程5、国家现行的施工及验收规范(见表1.1)使用标准规范一览表表1.1编号选用规范或图集规范或图集号1《建筑工程施工质量验收统一标准》GB503000-20012《给水排水构筑物施工及验收规范》GBJ141-903《给水排水管道工程施工及验收规范》GB50268-974《施工现场临时用电安全技术规范》JGJ46-885《建筑施工安全检查标准》JGJ59-996《电气装置安装工程施工及验收规范》GBJ232-827《电气装置安装工程电气照明装置》GB50259-96二、工程概况本工程为青义镇健身广场建设工程,主要项目包括挖沟槽土方、回填、砖砌体、抹灰等。现场施工场地开阔,车辆进出场较方便,具备施工条件。第2页共34页编号:时间:2021年x月x日书山有路勤为径,学海无涯苦作舟页码:第2页共34页第二章施工管理机构一、施工组织机构的建立由公司优秀的项目经理组建的项目经理部来负责此工程的具体施工管理。同时向业主承诺:针对此工程项目,我公司推选的项目班子一律持证上岗、押证施工,并且该项目经理部仅负责此工程。实行项目经理责任制,项目经理将对质量、工程、安全、成本及文明施工全面负责。各施工管理职能部门在项目经理部的直接指导下做到有计划的组织施工,确保工程质量、工期、安全等方面达到目标要求。二、施工组织机构体系及框图(一)管理体系:本工程采用项目法施工,选择有多年市政工程施工经验并具有较强管理能力的优秀项目经理担任项目经理,在其原项目班子的基础上,在公司范围内抽调各类精干人员充实到项目中,组成强有力的项目经理部,发挥公司善于组团的优良传统,确保质量与工期,打个漂亮仗。项目部管理体系框图及职责框图详下图。项目部施工组织机构管理框图二、项目经理部机构成员职责(见表2)项目经理部机构成员职责表2序号职务职责内容1项目经理施工项目的总负责人,合同签订人全面负责工程项目施工管理、生产经营工程质量责任人,安全生产第一责任人2技术负责人负责工程技术管理工作,参与经营决策,协调各专业技术施工的交叉作业3施工员全面负责工程外业工作,对工程施工总负责4质检员负责工程质量检查、验收工作,对项目经理质检员项目技术负责人安全员施工员材料员第3页共34页编号:时间:2021年x月x日书山有路勤为径,学海无涯苦作舟页码:第3页共34页工种质量总负责5材料员负责施工现场各种材料的采购工作6安全员负责工程现场安全检查、管理工作(三)施工组织机构的启动与高效1、根据本工程各方面情况及特点,有针对性的组建项目班子,并且人选一旦经过甲、乙双方确认,全班人选将处于启动状态,未进场之前可根据设计要求积极为本工程做好开工前的准备工作(材料、机具技术等准备工作与策划工作),并且以无条件满足本工程需要为前提,未经业主同意中途变换人选,我们愿意接受建设单位的处罚。2、根据项目经理部的工作实际,具体明确每个项目管理人员的责、权、利,使全体管理人员有条不紊、忙而有序地开展工作,从而较大辐度提高项目经理的工作效率,有效促进管理整体实力的加强,使项目经理部管理体系有更多的精力和时间来分析运筹各种复杂的管理局面,做到项目整体下活一盘棋,充分发挥每个棋子的作用,并且决策有的放矢,成竹在胸,不打无把握之仗,无准备之仗。3、以已制定的各项目管理制度来指导、督促、规范每个管理人员的工作质量、效率。...

1、当您付费下载文档后,您只拥有了使用权限,并不意味着购买了版权,文档只能用于自身使用,不得用于其他商业用途(如 [转卖]进行直接盈利或[编辑后售卖]进行间接盈利)。
2、本站所有内容均由合作方或网友上传,本站不对文档的完整性、权威性及其观点立场正确性做任何保证或承诺!文档内容仅供研究参考,付费前请自行鉴别。
3、如文档内容存在违规,或者侵犯商业秘密、侵犯著作权等,请点击“违规举报”。

碎片内容

广场工程施工组织设计89433(DOC49页)

您可能关注的文档

确认删除?
VIP
微信客服
  • 扫码咨询
会员Q群
  • 会员专属群点击这里加入QQ群
客服邮箱
回到顶部