电脑桌面
添加小米粒文库到电脑桌面
安装后可以在桌面快捷访问

宋炳锐-矩形截面顶管工艺进出洞风险控制VIP免费

宋炳锐-矩形截面顶管工艺进出洞风险控制_第1页
1/7
宋炳锐-矩形截面顶管工艺进出洞风险控制_第2页
2/7
宋炳锐-矩形截面顶管工艺进出洞风险控制_第3页
3/7
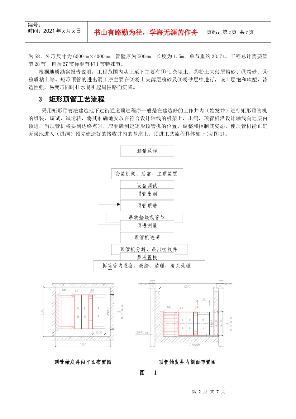
第1页共7页编号:时间:2021年x月x日书山有路勤为径,学海无涯苦作舟页码:第1页共7页矩形截面顶管工艺进出洞风险控制宋炳锐(南京同力路桥建设工程有限公司,210046)摘要:矩形截面顶管进出洞工序是顶管工艺的关键环节。本文结合南京市西祠堂巷地下过街通道工程,叙述了矩形顶管进出洞环节可能遇到的问题以及所采取的相应施工技术措施,对顶管进出洞口支护形式、洞口土体加固、封门设置、坑外降水井布设、洞口间隙的密封等施工技术措施作了相应的介绍较好的控制了矩形截面顶管进出洞风险。关键词:矩形顶管;进出洞;风险控制1前言矩形截面顶管进出洞是矩形顶管法施工地下通道的关键工序,该工序施工技术的应用将直接影响到建成后地下通道的轴线质量、进出洞口处环境保护和附近道路、建筑物安全以及工程施工的成败。依据以往地下过街通道工程施工经验,矩形顶管的进出洞施工技术必须根据工程所处地层的土质、水文、环境条件和环境保护要求的等级而制定。如何科学、合理地运用各种不同的进出洞技术,使其符合各工程的特定工况条件要求,将矩形截面顶管进出洞风险降至最低点,是一项值得研究、探讨的课题。2工程概述南京市西祠堂巷地下过街通道工程位于中山东路西祠堂巷巷口与全民健身中心门口,是南京第一条采用矩形截面顶管法施工的地下过街通道工程。拟建场地为城市交通主干道,两侧建筑物和地下管网密集,不具备明挖施工条件。经多方论证综合比选,主通道采用矩形截面顶管法施工。主通道长约42.3m,覆土厚度约为5m,3‰坡度推进,通道横断面净空尺寸为3m×5m,采用4m×6m多刀盘土压平衡式矩形顶管机进行掘进施工。根据市政规划,地下通道下方约4.5m为地铁2号线盾构隧道(上、下行线),方向沿中山东路走向,与矩形顶管隧道垂直。主通道采用预制矩形钢筋砼管节,管节砼强度为C50,抗渗等级第2页共7页第1页共7页编号:时间:2021年x月x日书山有路勤为径,学海无涯苦作舟页码:第2页共7页为S8,外形尺寸为6000mm×4000mm,管壁厚为500mm,长度为1.5m,单节重约33.7t。工程总计需要管节28节,包括27节标准节和1节特殊节。根据地质勘察报告说明,工程范围内从上至下主要有①-1杂填土、②粉土夹薄层粉砂、③粉砂、④粉质粘土等。矩形顶管的进出洞工序主要在②粉土夹薄层粉砂及③粉砂层中进行,该土层饱和软塑,渗透性强,易变形同时排水易引起周围路面沉降。3矩形顶管工艺流程采用矩形顶管法建造地下过街通道顶进程序一般是在建造好的工作井内(始发井)进行矩形顶管机的组装、调试、试运转,将其准确地安放在符合设计轴线的机架上,出洞,顶管机沿设计轴线向地层内顶进,当顶管机将要到达终点时,应准确测定矩形顶管机的位置,调整和控制其姿态,使顶管机能正确无误地进入(进洞)预先建造好的接收井内的基座上。顶进工艺流程具体如下(见图1):顶管工艺流程图顶管始发井内平面布置图顶管始发井内剖面布置图图1测量放样安装机架、后靠、主顶装置设备调试顶管出洞顶管顶进吊放垫块或管节置顶进测量顶管机进洞顶管机分解、吊出接收井置浆液置换拆除管内设备、嵌缝、清理、接头处理置第3页共7页第2页共7页编号:时间:2021年x月x日书山有路勤为径,学海无涯苦作舟页码:第3页共7页顶管机顶进洞圈至顶管机切口距工作井6m范围内为(进)出洞段。(进)出洞的施工步骤:设备调试→顶管机头靠上支护桩封门→支护桩破除→顶管机切削加固土体→机头切口进入原状土。4顶管进出洞施工中易出现的问题①顶管机头“磕头”现象:矩形顶管机头设计总重量约130t,顶管机在机头自加固区进入原状土过程中,由于前后土体强度差异较大,在自重作用下易引起机头“磕头”,机头一旦“磕头”,在方向纠偏上难度极大,极易造成质量问题。②顶管机无法准确出洞:矩形顶管机在进洞过程中,未按照设计轴线顶进;或矩形顶管机姿态控制不符合要求,导致机头方向跑偏,使得顶进主通道偏离设计轴线,无法正常施工③出洞时洞口处土体涌入井内:机头在出洞期间,洞口封门拆除后,洞内土体不能自立,洞圈的密封装置不能有效阻挡土体,土体随之进入井内,若土体塌方量过大,造成地面沉陷,严重影响洞口附近地下管线和地面...

1、当您付费下载文档后,您只拥有了使用权限,并不意味着购买了版权,文档只能用于自身使用,不得用于其他商业用途(如 [转卖]进行直接盈利或[编辑后售卖]进行间接盈利)。
2、本站所有内容均由合作方或网友上传,本站不对文档的完整性、权威性及其观点立场正确性做任何保证或承诺!文档内容仅供研究参考,付费前请自行鉴别。
3、如文档内容存在违规,或者侵犯商业秘密、侵犯著作权等,请点击“违规举报”。

碎片内容

宋炳锐-矩形截面顶管工艺进出洞风险控制

您可能关注的文档

确认删除?
VIP
微信客服
  • 扫码咨询
会员Q群
  • 会员专属群点击这里加入QQ群
客服邮箱
回到顶部