电脑桌面
添加小米粒文库到电脑桌面
安装后可以在桌面快捷访问

会计信息系统实务VIP专享VIP免费

会计信息系统实务_第1页
1/10
会计信息系统实务_第2页
2/10
会计信息系统实务_第3页
3/10
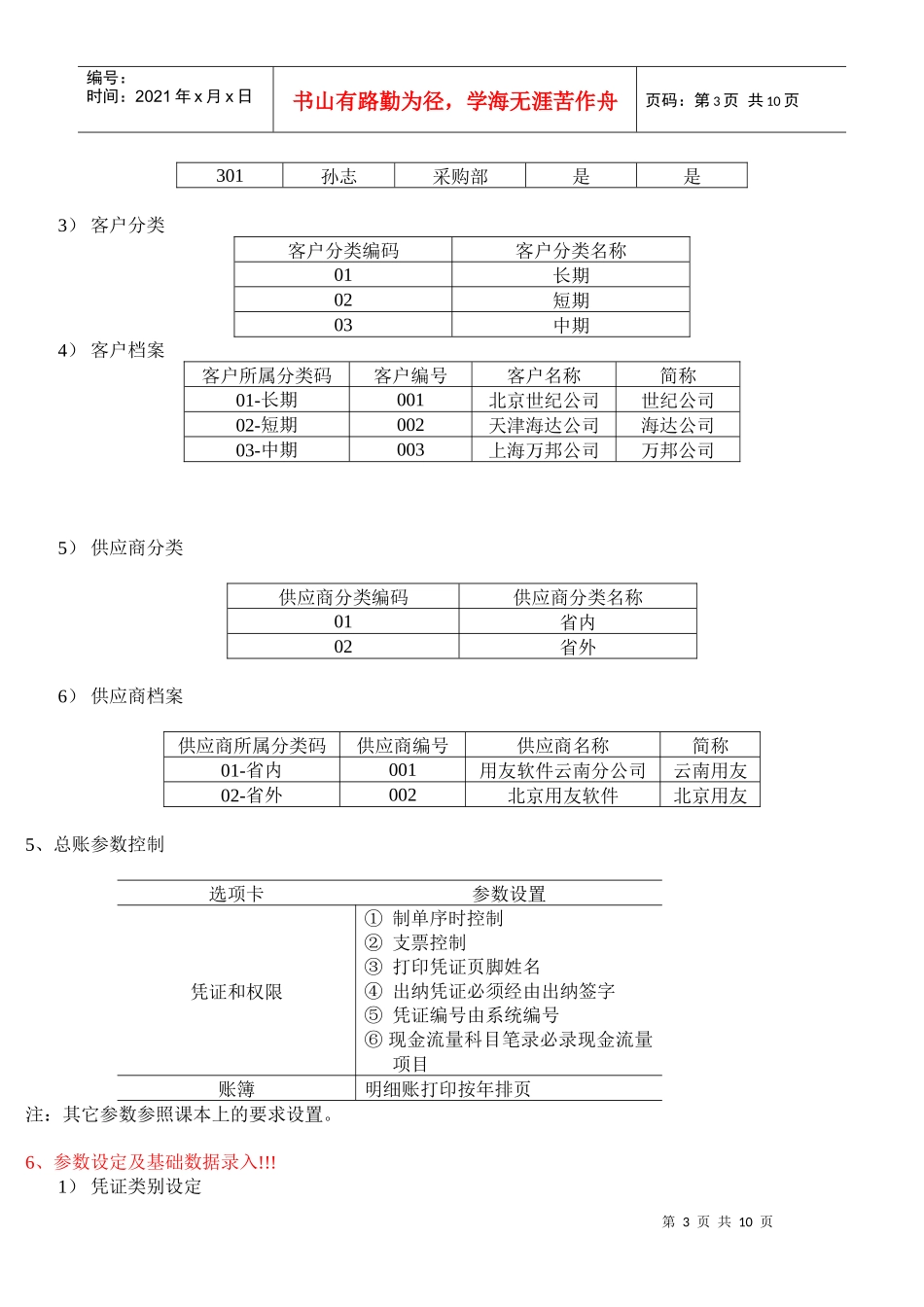
第1页共10页编号:时间:2021年x月x日书山有路勤为径,学海无涯苦作舟页码:第1页共10页会计信息系统实务练习一、系统初始化1、增加操作员以Admin身份注册后,在“权限/用户”增加以下操作员:编码姓名口令工作内容001*主管1账套主管002*出纳2出纳003*会计3会计注:如果标号有冲突可自行改,口令也可自己编,姓名必须用自己真实的姓名。2、新建账套1)账套信息账套号:小组号账套名称:昆明天天制造有限公司账套路径:默认启用会计期:2010年1月会计期间设置:默认单位信息单位名称:昆明天天制造有限公司单位简称:天天制造单位地址:昆明市青年路999号法人代表:肖江邮政编码:650000联系电话及传真:65898888电子邮件:税号:1101082007111112)核算类型企业记账本位币:人民币(RMB)企业类型:工业行业性质:按2007新会计制度增设科目账套主管:*主管3)基础信息该企业无外币核算按存货、客户、供应商进行分类第2页共10页第1页共10页编号:时间:2021年x月x日书山有路勤为径,学海无涯苦作舟页码:第2页共10页4)分类编码方案存货分类编码级次:1223客户分类编码级次:223供应商分类编码级次:223收发类别编码级次:12部门编码级次:122结算方式编码级次:12科目编码级次:422225)数据精度存货数量、单价小数位为:36)账套建完后,2010年1月1日以主管的身份同时启用“总账”、“薪资管理”、“固定资产”系统。3、财务人员分工编码姓名权限001*主管账套主管,拥有系统所有模块的全部权限002*出纳①出纳签字权;“②出纳”的所有权限003*会计“①凭证”的所有权限②转账设置与生成“③固定资产”、“薪资管理”的部分权限4、设置基础档案1)部门档案部门编码部门名称负责人1综合部101办公室102财务部2销售部201销售一部202销售二部3采购部2)职员档案职员编码职员名称所属部门是否业务员是否操作员101王钦办公室是是102*主管财务部是103*会计财务部是104*出纳财务部是201李明销售一部是是202张利销售一部是是203王红销售二部是是第3页共10页第2页共10页编号:时间:2021年x月x日书山有路勤为径,学海无涯苦作舟页码:第3页共10页301孙志采购部是是3)客户分类客户分类编码客户分类名称01长期02短期03中期4)客户档案客户所属分类码客户编号客户名称简称01-长期001北京世纪公司世纪公司02-短期002天津海达公司海达公司03-中期003上海万邦公司万邦公司5)供应商分类供应商分类编码供应商分类名称01省内02省外6)供应商档案供应商所属分类码供应商编号供应商名称简称01-省内001用友软件云南分公司云南用友02-省外002北京用友软件北京用友5、总账参数控制选项卡参数设置凭证和权限①制单序时控制②支票控制③打印凭证页脚姓名④出纳凭证必须经由出纳签字⑤凭证编号由系统编号⑥现金流量科目笔录必录现金流量项目账簿明细账打印按年排页注:其它参数参照课本上的要求设置。6、参数设定及基础数据录入!!!1)凭证类别设定第4页共10页第3页共10页编号:时间:2021年x月x日书山有路勤为径,学海无涯苦作舟页码:第4页共10页凭证类别限制类型限制科目收款凭证借方必有1001,100201,10020201,10020202付款凭证贷方必有1001,100201,10020201,10020202转账凭证凭证必无1001,100201,10020201,100202022)会计科目及期初余额表科目编码科目名称方向期初余额提示备注1001库存现金借40000日记账1002银行存款借银行日记账100201中行存款借5000银行日记账100202工行存款借142000银行日记账10020201大观支行借32000此帐户用于发工资银行日记账10020202园艺支行借110000银行日记账1015其他货币资金借101501外埠存款借101502银行本票借101503银行汇票借1101交易性金融资产借1000001127应收票据借客户往来1122应收账款借10000明细表在后客户往来112201海达公司借7000客户往来112202万邦公司借3000客户往来112203北京世纪公司借客户往来1231其他应收款借个人往来123101其他应收个人款借5000明细表在后个人往来123102其他应收单位款借客户往来1241坏账准备贷1123预付账款借1401材料采购借140101原煤借1403原材料借140301原煤借数量金额...

1、当您付费下载文档后,您只拥有了使用权限,并不意味着购买了版权,文档只能用于自身使用,不得用于其他商业用途(如 [转卖]进行直接盈利或[编辑后售卖]进行间接盈利)。
2、本站所有内容均由合作方或网友上传,本站不对文档的完整性、权威性及其观点立场正确性做任何保证或承诺!文档内容仅供研究参考,付费前请自行鉴别。
3、如文档内容存在违规,或者侵犯商业秘密、侵犯著作权等,请点击“违规举报”。

碎片内容

会计信息系统实务

确认删除?
VIP
微信客服
  • 扫码咨询
会员Q群
  • 会员专属群点击这里加入QQ群
客服邮箱
回到顶部