电脑桌面
添加小米粒文库到电脑桌面
安装后可以在桌面快捷访问

担保企业会计表格 原始VIP免费

担保企业会计表格 原始_第1页
1/7
担保企业会计表格 原始_第2页
2/7
担保企业会计表格 原始_第3页
3/7
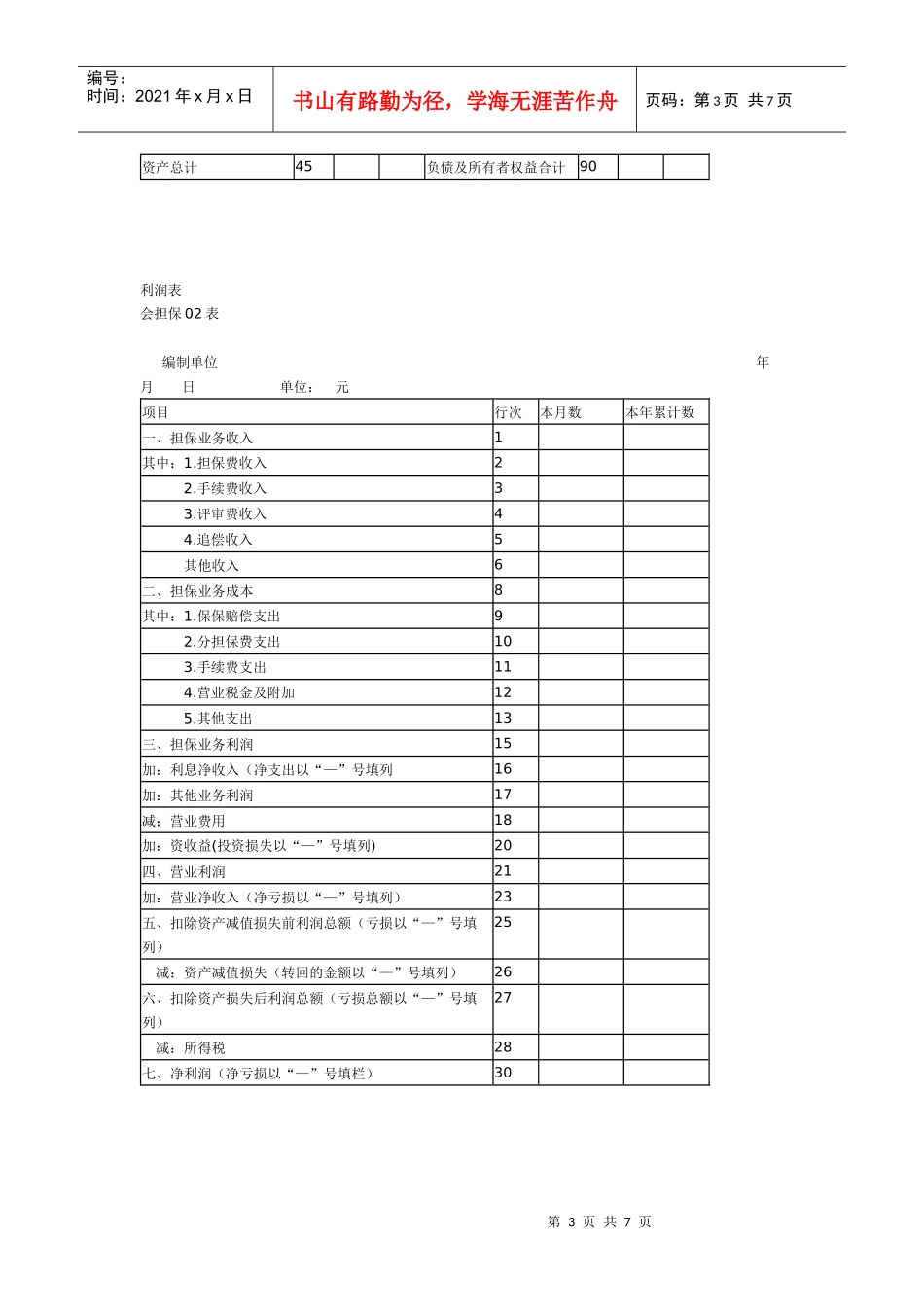
第1页共7页编号:时间:2021年x月x日书山有路勤为径,学海无涯苦作舟页码:第1页共7页编号会计报表名称编报期会担保01表资产负债表中期报告、年度报告会担保02表利润表中期报告、年度报告会担保03表资金流量表中期报告、年度报告会担保01附表1资产减值准备明细表中期报告、年度报告会担保01附表2担保余额变动表中期报告、年度报告会担保01附表3代管担保基金变动表中期报告、年度报告会担保02附表1利润分配表年度报告担保企业财务会计报告年度月份企业公章企业名称:_______________________________企业负责人:___________________________________主管会计工作负责人:_______________________________总会计师:_________________________________________会计机构负责人:_____________________________________编报人:__________________________________________通讯地址:__________________________邮政编码:___________________________________报出日期:年月日第2页共7页第1页共7页编号:时间:2021年x月x日书山有路勤为径,学海无涯苦作舟页码:第2页共7页资产负债表会担保01表编制单位:年月日单位:元资产行次年初数末期数负债与所有者权益行次年初数末期数流动资金流动负债货币资金1短期借款46短期投资2应付款项48应收款项3存入保证金51待摊费用11有付工资及福利费52存出保证金12应交税金及附加53一年内到期的长期债券投资18预提费用55其他流动资产20担保赔偿金58流动资产合计21短期责任准备59长期投资预计负债60长期股权投资22一年内到期的长期负债61长期债权投资23其他流动负债63长期投资合计25流动负债合计65固定资产:长期负债固定资产原价26长期借款66减:累计折扣27应付债券67固定资产净值28长期应付款68减:固定资产减值准备29专项应付款69固定资产净额30长期责任准备70固定资产整理32其他长期负债72固定资产合计33长期负债合计75负债合计76无形资产及其他资产无形资产34所有者权益长期待摊费用36实收资本77低债资产38资本公积78其他长期资产39担保扶持基金79无形资产及其他资产合计40盈余公积80一般风险准备81未分配利润82所有者权益合计88第3页共7页第2页共7页编号:时间:2021年x月x日书山有路勤为径,学海无涯苦作舟页码:第3页共7页资产总计45负债及所有者权益合计90利润表会担保02表编制单位年月日单位:元项目行次本月数本年累计数一、担保业务收入1其中:1.担保费收入22.手续费收入33.评审费收入44.追偿收入5其他收入6二、担保业务成本8其中:1.保保赔偿支出92.分担保费支出103.手续费支出114.营业税金及附加125.其他支出13三、担保业务利润15加:利息净收入(净支出以“—”号填列16加:其他业务利润17减:营业费用18加:资收益(投资损失以“—”号填列)20四、营业利润21加:营业净收入(净亏损以“—”号填列)23五、扣除资产减值损失前利润总额(亏损以“—”号填列)25减:资产减值损失(转回的金额以“—”号填列)26六、扣除资产损失后利润总额(亏损总额以“—”号填列)27减:所得税28七、净利润(净亏损以“—”号填栏)30第4页共7页第3页共7页编号:时间:2021年x月x日书山有路勤为径,学海无涯苦作舟页码:第4页共7页现金流量表会担保03表编制单位年月日单位:元项目行次上年数本年数一、经营活动产生的现金流量:收到的担保费收入1收到的税费返还4收到的其他与经营活动有关的现金5现金流入小计9担保代偿支付的现金10支付给职工以及为职工支付的现金12支付的各项税费13支付的其他与经营活动有关的现金18现金支出小计20经营活动产生的现金流量净额21二、投资活动产生的现金流量收回投资所收到的现金22取得投资收益所收到的现金24处置固定资产、无形资产和其他长期资产所收回的现金净额25收到的其他与投资活动相关的现金28现金流入小计29购建固定资产、无形资产和其他长期资产所支付的现金30投资所支付的现金31支付其他与投资活动有关的现金35现金流出小计36投资活动产生的现金流量净额37三、筹资活动产生的现金流量第5页共7页第4页共7页编号:时间:2021年x月x日书山有路勤为径,学海无涯苦作舟页码:第5页共7页吸...

1、当您付费下载文档后,您只拥有了使用权限,并不意味着购买了版权,文档只能用于自身使用,不得用于其他商业用途(如 [转卖]进行直接盈利或[编辑后售卖]进行间接盈利)。
2、本站所有内容均由合作方或网友上传,本站不对文档的完整性、权威性及其观点立场正确性做任何保证或承诺!文档内容仅供研究参考,付费前请自行鉴别。
3、如文档内容存在违规,或者侵犯商业秘密、侵犯著作权等,请点击“违规举报”。

碎片内容

担保企业会计表格 原始

确认删除?
VIP
微信客服
  • 扫码咨询
会员Q群
  • 会员专属群点击这里加入QQ群
客服邮箱
回到顶部