电脑桌面
添加小米粒文库到电脑桌面
安装后可以在桌面快捷访问

洁净室净化空调设计方案VIP免费

洁净室净化空调设计方案_第1页
1/9
洁净室净化空调设计方案_第2页
2/9
洁净室净化空调设计方案_第3页
3/9
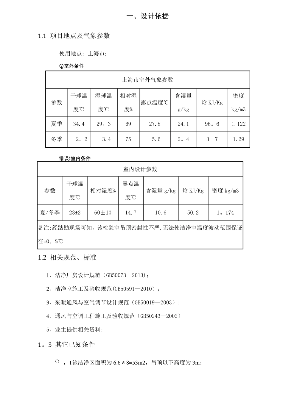
洁净室空调设计方案2016年11月2日目录一、设计依据.........................................................................................................11.1项目地点及气象参数....................................................................................11.2相关规范、标准............................................................................................11。3其它已知条件.............................................................................................1二、系统分析及参数计算.....................................................................................32。1系统分析.....................................................................................................32。2空调箱相关参数计算.................................................................................32。3恒温恒湿净化空调箱设备选型表.............................................................62.4主机选型........................................................................................................7一、设计依据1.1项目地点及气象参数使用地点:上海市;1室外条件○上海市室外气象参数干球温参数度℃夏季34.4度℃29。3—3.4度%697527.8-5.6湿球温相对湿露点温度℃g/kg24.12。496。63。7含湿量焓KJ/Kgkg/m31.1221.29密度冬季—2。2错误!室内条件室内设计参数干球温参数度℃夏/冬季23±260±10相对湿度%度℃14.710.650.21。174露点温含湿量g/kg焓KJ/Kg密度kg/m3备注:经踏勘现场可知,该检验室吊顶密封性不严,无法使洁净室温度波动范围保证在±0。5℃1.2相关规范、标准1、洁净厂房设计规范(GB50073—2013);2、洁净室施工及验收规范(GB50591—2010);3、采暖通风与空气调节设计规范(GB50019—2003);4、通风与空调工程施工及验收规范(GB50243—2002)5、业主提供相关资料;1。3其它已知条件○,1该洁净区面积为6.6*8=53m2,吊顶以下高度为3m;错误!业主未提供该区域工艺设备功率、照明功率及人员数量,初步冷负荷指标按200w/m2计算;错误!本次方案按洁净区净化等级为100K设计;错误!工艺排气量为4*150=600m3/h;○,5洁净区采用+5Pa微正压。二、系统分析及参数计算2.1系统分析错误!该洁净区由空调系统来完成恒温、恒湿及净化功能。夏季最大冷负荷及除湿量、冬季计算最大热负荷及加湿量、净化(采用初、中效过滤器)等均是由空调系统来完成的,其中初效过滤效率35%、中效过滤效率95%。2洁净区空调形式采用AHU+初中效过滤器+排气形式(沿用原有排气设备,本○次不涉及),详见洁净空调示意图.2.2空调箱相关参数计算错误!空调箱机外余压:根据现场风管最不利环路及过滤要求来确定,经估算空调箱机外余压300Pa.错误!循环风量、冷负荷及除湿的确定:循环风量按洁净室100K等级15次/h及按冷量计算风量二种方法取大值;总冷量包括:新风降温除湿冷量及混合风处理至送风状态所需冷量(即表冷器冷量);新风除湿由表冷器承担,露点控制在14℃.错误!热负荷、加湿量的确定:热负荷按冬季混合状态点与冬季送风状态点焓差计算;加湿量按冬季混合状态点与送风状态点含湿量差值计算。○,4下表图为参数计算表、流程图、冬夏季状态点参数表及冬夏季id图夏季参数计算表面积名称高度体积送风量新风量m2m实际冷5Pa正实际冷15次换回风量压(考补充排负荷气次数新风量指标虑泄气m3计算漏)CMHCMHCMHCMHKWW/m215923854776001077130824。24457检验室5-3洁净区533240011001300冬季参数计算表面积名称高度体积送风量新风量热负荷实际热5Pa正15次换回风量(校核压(考补充排气次数新风量值)指标虑泄气m3计算漏)CMHCMHCMHCMHCMHKWW/m215923854776001077130817.04322m2m检验室5-3洁净区5332400110013002.3恒温恒湿净化空调箱设备选型表空调箱选型表型号空调箱名称台数参数控制要求1.夏季室内湿度将表冷段空气控制在14℃露点温度;冬季湿度由电极加湿器接受室内相对湿度传1、送风量2400CMH,新风量1100CMH,机外余压300Pa;盘管...

1、当您付费下载文档后,您只拥有了使用权限,并不意味着购买了版权,文档只能用于自身使用,不得用于其他商业用途(如 [转卖]进行直接盈利或[编辑后售卖]进行间接盈利)。
2、本站所有内容均由合作方或网友上传,本站不对文档的完整性、权威性及其观点立场正确性做任何保证或承诺!文档内容仅供研究参考,付费前请自行鉴别。
3、如文档内容存在违规,或者侵犯商业秘密、侵犯著作权等,请点击“违规举报”。

碎片内容

洁净室净化空调设计方案

您可能关注的文档

确认删除?
VIP
微信客服
  • 扫码咨询
会员Q群
  • 会员专属群点击这里加入QQ群
客服邮箱
回到顶部