电脑桌面
添加小米粒文库到电脑桌面
安装后可以在桌面快捷访问

报关单填制-1VIP免费

报关单填制-1_第1页
1/11
报关单填制-1_第2页
2/11
报关单填制-1_第3页
3/11
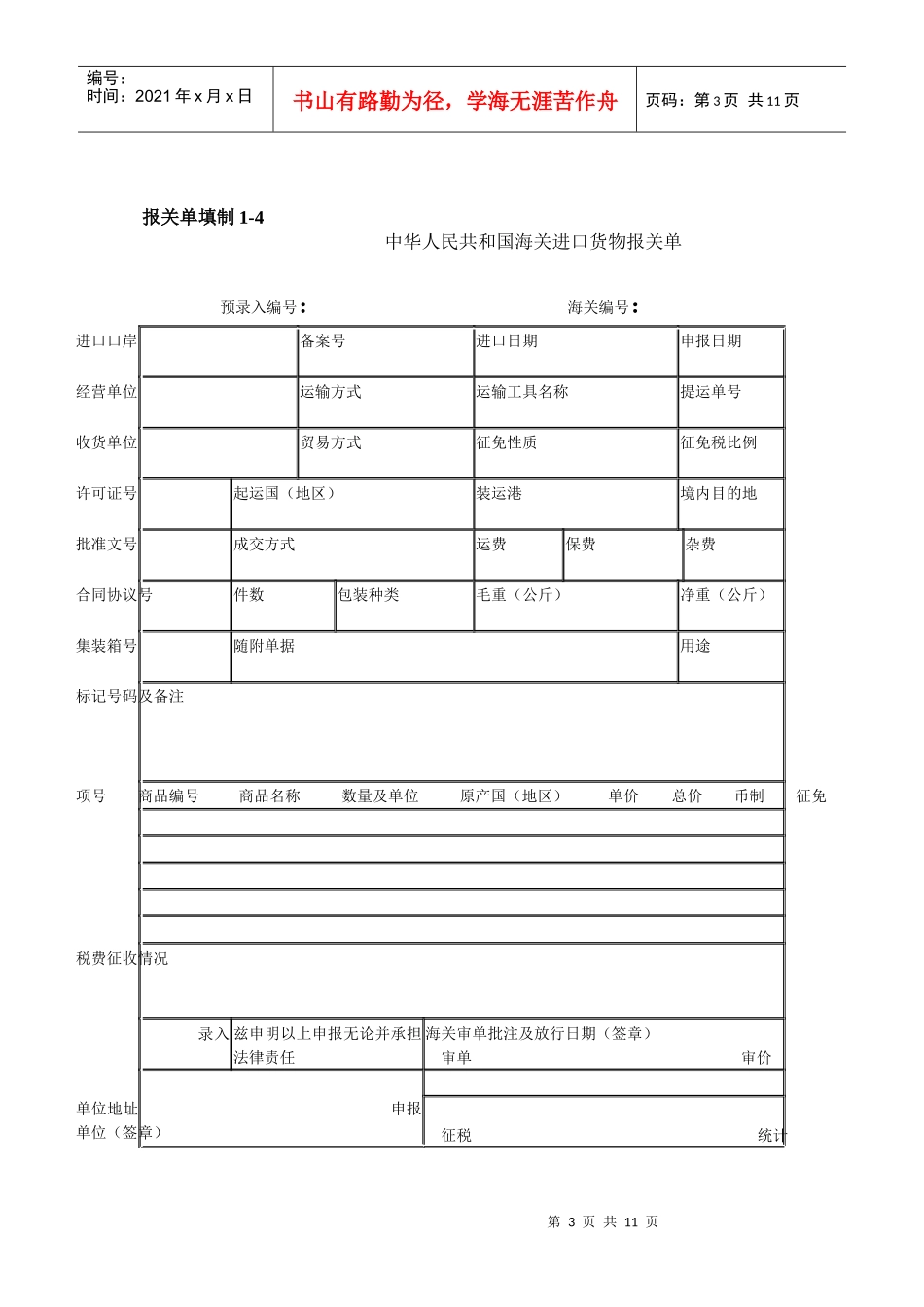
第1页共11页编号:时间:2021年x月x日书山有路勤为径,学海无涯苦作舟页码:第1页共11页报关单填制1-1苏州苏迈进出口公司(3112935072)从香港购进一批钢铆钉(HSCODE:73182300,计量单位:千克)。该商品列进料对口合同手册第4项。经营单位于2003年3月21日自行向沪机海关(上海机场海关)申报进口。该批货物的国外运费为3000美元,保险费为100美元。报关单填制1-2ORIENTALPACIFICLIMITEDRm.1605,HoLikCentre,66AShaTsuiRoadTsuenWan,N.T.,HongKongTel:(825)2402-2121Fax:(825)2491-8532INVOICEForAccountof:No.:OPL0211SUZHOUSUMIECIMP.&EXP.CORPORATIONDate:MAR.19,20035/FZHUHUICOMMERCIALBLDG,180ZHUHUIRD.ContractNo.:03HK0311201SUZHOU,CHINA____________________________________________________________________________________________ToSupply:HUCKFASTENINGPRODUCTSSTEEL5/8”DIAMETERGRIP:0.75”-1.00”CASENO.CODENO.QTY.UNITPRICEAMOUNTCPTSHANGHAI1BOM-R20-12GA3,240PCSUSD2.98USD9,655.202BOM-420-12GA3,240PCSUSD2.98USD9,655.20____________________________________________________________________________________________TOTAL:6480PCSUSD19,310.40SHIPMENT:FROMCHICAGOUSATOSHANGHAICHINABYAIRFREIGHTPAYMENT:BYTELEGRAPHICTRANSFERCOUNTRYOFORIGIN:USASHIPPINGMARKS:SUMIEC/SHANGHAI/C/NO.1-2ORIENTALPACIFICLIMITEDGEORGEPETERSONE.&O.E.第2页共11页第1页共11页编号:时间:2021年x月x日书山有路勤为径,学海无涯苦作舟页码:第2页共11页报关单填制1-3ORIENTALPACIFICLIMITEDRm.1605,HoLikCentre,66AShaTsuiRoadTsuenWan,N.T.,HongKongTel:(825)2402-2121Fax:(825)2491-8532PACKINGLISTForAccountof:No.:OPL0211SUZHOUSUMIECIMP.&EXP.CORPORATIONDate:MAR.19,20035/FZHUHUICOMMERCIALBLDG,180ZHUHUIRD.ContractNo.:03HK0311201SUZHOU,CHINA____________________________________________________________________________________________ToSupply:HUCKFASTENINGPRODUCTSCASENO.CODENO.QTY.DIMENSIONSN.WTG.WT.1BOM-R20-12GA3,240PCS0.467CBM530KGS550KGS2BOM-420-12GA3,240PCS0.467CBM530KGS550KGS____________________________________________________________________________________________TOTAL:6480PCS0.934CMB1060KGS1100KGSPORTOFLOADING:CHICAGO,USAORIENTALPACIFICLIMITEDGEORGEPETERSON第3页共11页第2页共11页编号:时间:2021年x月x日书山有路勤为径,学海无涯苦作舟页码:第3页共11页报关单填制1-4中华人民共和国海关进口货物报关单预录入编号:海关编号:进口口岸备案号进口日期申报日期经营单位运输方式运输工具名称提运单号收货单位贸易方式征免性质征免税比例许可证号起运国(地区)装运港境内目的地批准文号成交方式运费保费杂费合同协议号件数包装种类毛重(公斤)净重(公斤)集装箱号随附单据用途标记号码及备注项号商品编号商品名称数量及单位原产国(地区)单价总价币制征免税费征收情况录入兹申明以上申报无论并承担法律责任海关审单批注及放行日期(签章)审单审价单位地址申报单位(签章)征税统计第4页共11页第3页共11页编号:时间:2021年x月x日书山有路勤为径,学海无涯苦作舟页码:第4页共11页电话填查验放行请根据以上资料,填制进口报关单以下栏目:1.进口口岸栏应填报:A.上海海关B.沪机海关C.上海D.上海港2.“备案号”栏应填报:A.CxxxxxxxxxxxB.此栏为空C.BxxxxxxxxxxxD.Dxxxxxxxxxxx3.“运输方式”栏应填报:A.水路运输(2)B.公路运输(4)C.其他运输(9)D.航空运输(5)4.“贸易方式”栏应填报:A.来料加工(0214)B.进料加工(0615)C.进料对口(0615)D.一般贸易(0110)5.“征免性质”栏应填报:A.来料加工(502)B.进料加工(503)C.中外合资(601)D.一般征税(101)6.“起运国(地区)”栏应填报:A.美国B.香港C.日本D.韩国7.“装货港”栏应填报:A.香港B.九龙C.芝加哥D.新加坡8.“境内目的地”栏应填报:A.江苏苏州(31129)B.31129C.苏州市区(31129)D.此栏为空9.“成交方式”栏应填报:A.CF...

1、当您付费下载文档后,您只拥有了使用权限,并不意味着购买了版权,文档只能用于自身使用,不得用于其他商业用途(如 [转卖]进行直接盈利或[编辑后售卖]进行间接盈利)。
2、本站所有内容均由合作方或网友上传,本站不对文档的完整性、权威性及其观点立场正确性做任何保证或承诺!文档内容仅供研究参考,付费前请自行鉴别。
3、如文档内容存在违规,或者侵犯商业秘密、侵犯著作权等,请点击“违规举报”。

碎片内容

报关单填制-1

确认删除?
VIP
微信客服
  • 扫码咨询
会员Q群
  • 会员专属群点击这里加入QQ群
客服邮箱
回到顶部