电脑桌面
添加小米粒文库到电脑桌面
安装后可以在桌面快捷访问

水土保持投资估算及效益分析VIP免费

水土保持投资估算及效益分析_第1页
1/14
水土保持投资估算及效益分析_第2页
2/14
水土保持投资估算及效益分析_第3页
3/14
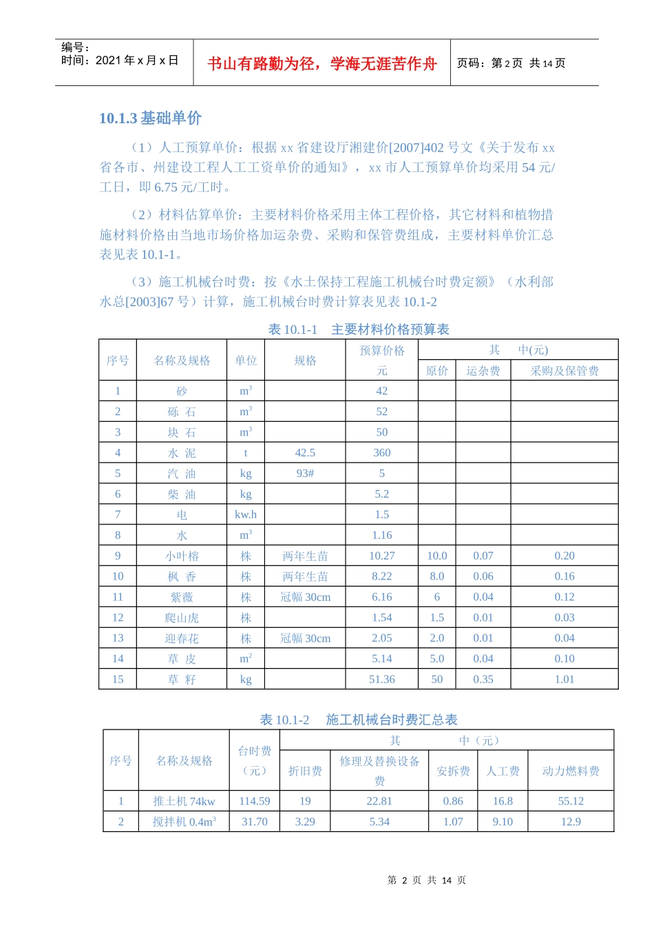
第1页共14页编号:时间:2021年x月x日书山有路勤为径,学海无涯苦作舟页码:第1页共14页10水土保持投资估算及效益分析10.1水土保持投资估算10.1.1编制原则(1)本工程水土保持投资估算作为主体工程投资估算组成部分,计入工程总投资估算中,水土保持投资从基建费中计列。(2)本水土保持方案投资估算编制的依据、价格水平年、主要工程材料单价与主体工程相一致,不足部分按市场价格和水利部水总[2003]67号文规定编制。(3)建设期融资利息暂不考虑。10.1.2编制依据(1)《开发建设项目水土保持技术规范》(GB50433-2008);(2)xx市XXXX线公路工程可行性研究报告投资估算;(3)《公路基本建设工程投资估算编制办法》;(4)《开发建设项目水土保持工程投资概(估)算编制规定》(水利部水总[2003]67号);(5)《开发建设项目水土保持工程概算定额》(水利部水总[2003]67号);(6)《关于发布xx省各市、州建设工程人工工资单价的通知》(湘建价[2007]402号文);(7)《xx省物价局、xx省财政厅关于水土保持设施补偿费和水土流失防治费标准有关事项的通知》(湘价费[2006]145号);(8)《关于印发〈建设工程监理与相关服务收费管理规定〉的通知》(发改价格[2007]670号);(9)《关于开发建设项目水土保持咨询服务费用计列的指导意见》(水利部司局函保监[2005]22号)。第2页共14页第1页共14页编号:时间:2021年x月x日书山有路勤为径,学海无涯苦作舟页码:第2页共14页10.1.3基础单价(1)人工预算单价:根据xx省建设厅湘建价[2007]402号文《关于发布xx省各市、州建设工程人工工资单价的通知》,xx市人工预算单价均采用54元/工日,即6.75元/工时。(2)材料估算单价:主要材料价格采用主体工程价格,其它材料和植物措施材料价格由当地市场价格加运杂费、采购和保管费组成,主要材料单价汇总表见表10.1-1。(3)施工机械台时费:按《水土保持工程施工机械台时费定额》(水利部水总[2003]67号)计算,施工机械台时费计算表见表10.1-2表10.1-1主要材料价格预算表序号名称及规格单位规格预算价格元其中(元)原价运杂费采购及保管费1砂m3422砾石m3523块石m3504水泥t42.53605汽油kg93#56柴油kg5.27电kw.h1.58水m31.169小叶榕株两年生苗10.2710.00.070.2010枫香株两年生苗8.228.00.060.1611紫薇株冠幅30cm6.1660.040.1212爬山虎株1.541.50.010.0313迎春花株冠幅30cm2.052.00.010.0414草皮m25.145.00.040.1015草籽kg51.36500.351.01表10.1-2施工机械台时费汇总表序号名称及规格台时费(元)其中(元)折旧费修理及替换设备费安拆费人工费动力燃料费1推土机74kw114.591922.810.8616.855.122搅拌机0.4m331.703.295.341.079.1012.9第3页共14页第2页共14页编号:时间:2021年x月x日书山有路勤为径,学海无涯苦作舟页码:第3页共14页3胶轮车0.900.260.644蛙式打夯机18.930.171.01143.7510.1.4主要工程单价主要工程单价按工程措施和植物措施分别进行计算,由直接工程费(包括直接费、其他直接费和现场经费)、间接费、企业利润和税金组成。可研阶段主要工程单价根据有关规定按概算定额扩大10%计算。(1)直接工程费由直接费、其他直接费和现场经费等三大部分组成。①直接费:直接费由人工费、材料费和机械使用费组成。②其他直接费:其他直接费包括冬季雨季施工增加费及其他费,费率见表10.1-3。③现场经费:现场经费费率见表10.1-4。表10.1-3其他直接费费率表工程类别计算基础其他直接费费率(%)工程措施占直接费2植物措施占直接费1表10.1-4现场经费费率表工程类别计算基础现场经费费率(%)工程措施占直接费5植物措施占直接费4(2)间接费间接费由企业管理费、财务费用和其它费用组成。各项措施间接费以直接工程费为计算基础,见表10.1-5。表10.1-5间接费费率表工程类别计算基础间接费费率(%)工程措施土石方工程占直接工程费4其他工程占直接工程费4植物措施占直接工程费3(3)企业利润第4页共14页第3页共14页编号:时间:2021年x月x日书山有路勤为径,学海无涯苦作舟页码:第4页共14页工程措施按直接工程费与间接费之和的7%计取;植物措施按直接工程费与间接费之和的5%计取。(4)税金工程、植...

1、当您付费下载文档后,您只拥有了使用权限,并不意味着购买了版权,文档只能用于自身使用,不得用于其他商业用途(如 [转卖]进行直接盈利或[编辑后售卖]进行间接盈利)。
2、本站所有内容均由合作方或网友上传,本站不对文档的完整性、权威性及其观点立场正确性做任何保证或承诺!文档内容仅供研究参考,付费前请自行鉴别。
3、如文档内容存在违规,或者侵犯商业秘密、侵犯著作权等,请点击“违规举报”。

碎片内容

水土保持投资估算及效益分析

您可能关注的文档

确认删除?
VIP
微信客服
  • 扫码咨询
会员Q群
  • 会员专属群点击这里加入QQ群
客服邮箱
回到顶部