电脑桌面
添加小米粒文库到电脑桌面
安装后可以在桌面快捷访问

交通运输行业节能低碳技术推广目录2021年VIP免费

交通运输行业节能低碳技术推广目录2021年_第1页
1/27
交通运输行业节能低碳技术推广目录2021年_第2页
2/27
交通运输行业节能低碳技术推广目录2021年_第3页
3/27
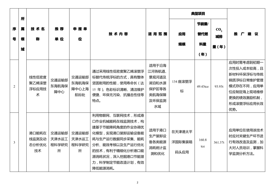
交通运输行业节能低碳技术推广目录(2021年度)典型项目所节能量/序号属领域(年)该技术目前尚未形成全国性的标准或施工规航基于高强度道塑钢组合板1及桩的生态护港岸技术口浙江省交通运输厅嘉兴市港航管理服务中心通过高分子材料高温高压形成板桩,在护岸工法的基础上予以改进提升的新型护岸技术,可替代传统水运工程中钢板桩、混凝土、块石护岸方式,并具有抗冲刷、不渗漏、耐腐蚀、耐老化、无污染、施工简便高效,使用寿命长,全寿命周期成本低等优点。定差异,需注重进行人员培训。适用于航道护岸工程、公海宁提升(中分桥至吴家新255.4tce/公里486t/公里范,应用单位在应用过程中应结合自身实际科学开展。此外该技术施工规范与传统工艺有一技术名称推荐单位申报单技术内容位规模料量适用范围应用替代燃CO2减排量(年)推广建议路交通护坡、桥段)改造工环境工程程1典型项目所节能量/序号属领域(年)适用于沿海通过采用线性低密度聚乙烯滚塑浮线性低密度2聚乙烯滚塑浮标应用技术交通运输部东海航海保障中心交通运输部东海航海保障中心上海航标处标替代传统浮标的方式,具有整体坚固耐用的性能,使用寿命长(达15年)、色彩标识清晰、清洁维护便捷、环保无污染、抗撞击性佳等特点。江河各航道、景观河道及湖泊和水源保护区等各类航海保障及环保监测水域利用物联网、互联网技术,形成港口作业机械能耗在线监测技术,构建基于节能降耗角度的作业协调优港口能耗在3线监测及动态分析优化技术交通运输部天津水运工程科学研究所交通运输部天津水运工程科学研究所化模型,实现港口装卸运输设备能耗与生产运行数据同步采集、能耗分析、能效考核以及生产运行优化的技术,有利于精细化分析港口能源消耗状况,深入挖掘港口节能潜力,科学制定节能改造计划,有效降低能源消耗。适用于港口生产装卸设备各类能源消耗统计监测和优化在天津港太平洋国际集装箱码头应用160.8tce361.37t应用单位在使用该技术时应对关键生产环节进行有效改造及监测,加大对人员培训,掌握科学监测分析方法。134座滚塑浮49.43tce标应用时需考虑到初期一次性投入成本较高,且新材料环保浮标与传统钢质浮标日常维护管理93.93t模式存在不同,应用单位应制定海上现场维修更换的绩效激励机制,形成滚塑浮标应用长效优势。技术名称推荐单位申报单技术内容位规模料量适用范围应用替代燃CO2减排量(年)推广建议2典型项目所节能量/序号属领域(年)该技术为资源循环利用技术,节能量不易量化计算。应用单位在使用航水运工程弃道土(渣)的4及资源化利用港技术口所所利用的土、石材料等资源的技术。等工程研制专用掺加剂材料以达到工程节能减排效果及工程效益的最佳。程科学研究程科学研究转化为港口及航道工程中可以循环坡护坡、护面边坡改良工程体分析,针对具体工程天津水运工天津水运工等专业手段进行处理,将工程弃土垫层、航道边/1公里的航道交通运输部交通运输部土、弃渣,通过筛分、拌和、固化堆场及道路堆场处理工程//加剂材料,具体问题具土、弃渣处理所用的掺针对港口及航道工程中的工程弃适用于包括约2平方公里时应科学选择针对弃技术名称推荐单位申报单技术内容位规模料量适用范围应用替代燃CO2减排量(年)推广建议3典型项目所节能量/序号属领域(年)应用时在作业区域内合采用全电驱动的自动导航运载车完成船舶作业青岛新前湾青岛市交通集装箱码头运输局自动导引车5(AGV)动力排放。系统技术命。中国远洋海运集团有限公司厦门远海集装箱码头有限公司利用开发的自动导航运载车(AGV)适用于集装系统替代港内集装箱拖车进行水平运输,实现集装箱码头水平运输自箱码头港内水平运输18台全锂电池驱动的自动导航运载车350tce1150t应用该技术时需要有较强的信息化技术基础,构建车辆管理系统,导司工作效率,减少能源消耗及污染物箱间,延长电池的使用寿有限责任公统,兼顾充电及集装箱作业,提高集装箱运输量207万标准池温度控制于最佳区集装箱码头(AGV)替代传统柴油集装箱卡车,1400艘次,完建立分布式浅充浅放循环充电系适用于港口成集装箱吞吐1907tce4959.7t统,车辆作业时需将电环充电策略与管理系一套完整...

1、当您付费下载文档后,您只拥有了使用权限,并不意味着购买了版权,文档只能用于自身使用,不得用于其他商业用途(如 [转卖]进行直接盈利或[编辑后售卖]进行间接盈利)。
2、本站所有内容均由合作方或网友上传,本站不对文档的完整性、权威性及其观点立场正确性做任何保证或承诺!文档内容仅供研究参考,付费前请自行鉴别。
3、如文档内容存在违规,或者侵犯商业秘密、侵犯著作权等,请点击“违规举报”。

碎片内容

交通运输行业节能低碳技术推广目录2021年

您可能关注的文档

确认删除?
VIP
微信客服
  • 扫码咨询
会员Q群
  • 会员专属群点击这里加入QQ群
客服邮箱
回到顶部