电脑桌面
添加小米粒文库到电脑桌面
安装后可以在桌面快捷访问

质量管理体系审核检查表(1)VIP免费

质量管理体系审核检查表(1)_第1页
1/59
质量管理体系审核检查表(1)_第2页
2/59
质量管理体系审核检查表(1)_第3页
3/59
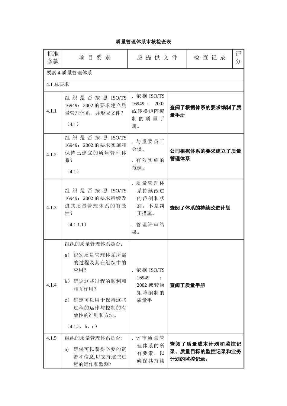
质量管理体系审核检查表标准条款项目要求应提供文件检查记录评分要素4-质量管理体系4.1总要求4.1.1组织是否按照ISO/TS16949:2002的要求建立质量管理体系,并形成文件?(4.1).依据ISO/TS16949:2002或转换矩阵编制的质量手册。查阅了根据体系的要求编制了质量手册4.1.2组织是否按照ISO/TS16949:2002的要求实施和保持已建立的质量管理体系?(4.1).与重要员工会谈。.有效实施的范例。公司根据体系的要求建立了质量管理体系4.1.3组织是否按照ISO/TS16949:2002的要求持续改进其质量管理体系的有效性?(4.1.1.1).质量管理体系持续改进的范例和状态,不是纠正措施。.管理评审结果。查阅了体系的持续改进计划4.1.4组织的质量管理体系是否:a)识别质量管理体系所需的过程及其在组织中的应用?b)确定这些过程的顺利和相互作用?c)确定可以用于保持这些过程的运作与控制的有效性的准则和方法。(4.1.a,b,c).依据ISO/TS16949:2002或转换矩阵编制的质量手查阅了质量手册4.1.5组织的质量管理体系是否:a)确保可以获得必要的资源和信息,以支持这些过程的运作和监测?.评审质量管理体系的所有要素,以确保其持续查阅了质量成本计划和监控记录、质量目标的监控记录和业务计划的监控记录。b)监测、测量和分析这些过程?c)实施必要的措施,d)以实现对这些过程策划的结果和对这些过程的持续改进?(4.1.d、e、f)的适宜性和有效性。.质量成本指标的评审。.管理评审会议记录,出席人数和充足的频次。.行动计划和跟踪活动。查阅了管理评审计划4.1.6组织是否按照ISO/TS16949:2002的要求管理其质量管理体系所需的过程?(4.1)查阅了公司编制的体系过程流程图4.1.7组织是否对影响产品符合要求的外包过程实施控制?(4.1)查阅了外包控制程序,供方质量协议4.1.8对影响产品符合要求的外包过程的控制,组织是否在质量管理体系中加以识别?(4.1).依据ISO/TS16949:2002或转换矩阵编制的质量手册》查阅了质量手册,手册中规定了公司的外包过程要素4.2文件要求4.2.1总则4.2.1质量管理体系文件是否包括以下方面:a)形成文件的质量方针和质量目标b)?c)质量手册d)标e)准所要求的形成文件的程序?f)组织为确保其过程有效策划、运作和控制所需.依据ISO/TS16949:2002或转换矩阵编制的质量手册。.根据组织的复杂度决定程序的充分性。.质量管理体查阅了公司的质量方针和质量目标、质量手册、相关的程序文件和三级文件的文件?g)本标h)准所要求的记录(见4.2.4)?(4.2.1)系程序。.质量记录。4.2.2质量手册4.2.2组织是否编制并保持包括以下方面的质量手册:a)质量管理体系的范围,b)包括任何删减的细节与合理性(见ISO/TS16949:2002中1.2)?c)为质量管理体系编制的形成文件的程序或对其引用?d)质量管理体系过程之间的相互作用的表述?(4.2.2).依据ISO/TS16949:2002或转换矩阵编制的质量手册。查阅了质量手册,手册中规定了删剪的合理性以及过程之间的相互作用。4.2.3文件的控制4.2.3组织是否对质量管理体系所要求的文件进行控制?(4.2.3).依据ISO/TS16949:2002或转换矩阵编制的质量手册。.文件控制清单或类似的文件。查阅了程序文件清单和三级文件清单4.2.4组织是否编制形成文件的程序,以规定以下方面所需的控制:a)文件发布前得到批准,b)以确保文件是.文件批准权限。.文件批准记录。查阅了文件和资料控制程序查阅了文件的批准和发放记录以及版本状态。查阅了外来文件的登记表和发放充分与适宜的?c)必要时对文件进行评审与更新,d)并再次批准?e)确保文件的更改和现行修订状态得到识别?f)确保在使用处可获得适用文件的有关版本?g)确保文件保持清晰、易于识别?h)确保外来文件得到识别,i)并控制其分发?j)防止作废文件的非预期使用,k)若因任何原因而l)保留作废文件时,m)对这些文件进行适当的标n)识?(4.2.3).不同场所文件的易于获得性。.文件场所知识。.文件的可获得性。.废弃文件的储存和处理。.内部和外部文件的通知/分发过程。.已修订文件的评审和批准。记录查阅了作废文件的登记表和销毁记录注塑工艺参数卡没有盖受控章,未进行受控4.2.3.1工程规范...

1、当您付费下载文档后,您只拥有了使用权限,并不意味着购买了版权,文档只能用于自身使用,不得用于其他商业用途(如 [转卖]进行直接盈利或[编辑后售卖]进行间接盈利)。
2、本站所有内容均由合作方或网友上传,本站不对文档的完整性、权威性及其观点立场正确性做任何保证或承诺!文档内容仅供研究参考,付费前请自行鉴别。
3、如文档内容存在违规,或者侵犯商业秘密、侵犯著作权等,请点击“违规举报”。

碎片内容

质量管理体系审核检查表(1)

确认删除?
VIP
微信客服
  • 扫码咨询
会员Q群
  • 会员专属群点击这里加入QQ群
客服邮箱
回到顶部