电脑桌面
添加小米粒文库到电脑桌面
安装后可以在桌面快捷访问

高速公路40m预制箱梁运输及安装专项方案VIP免费

高速公路40m预制箱梁运输及安装专项方案_第1页
1/80
高速公路40m预制箱梁运输及安装专项方案_第2页
2/80
高速公路40m预制箱梁运输及安装专项方案_第3页
3/80
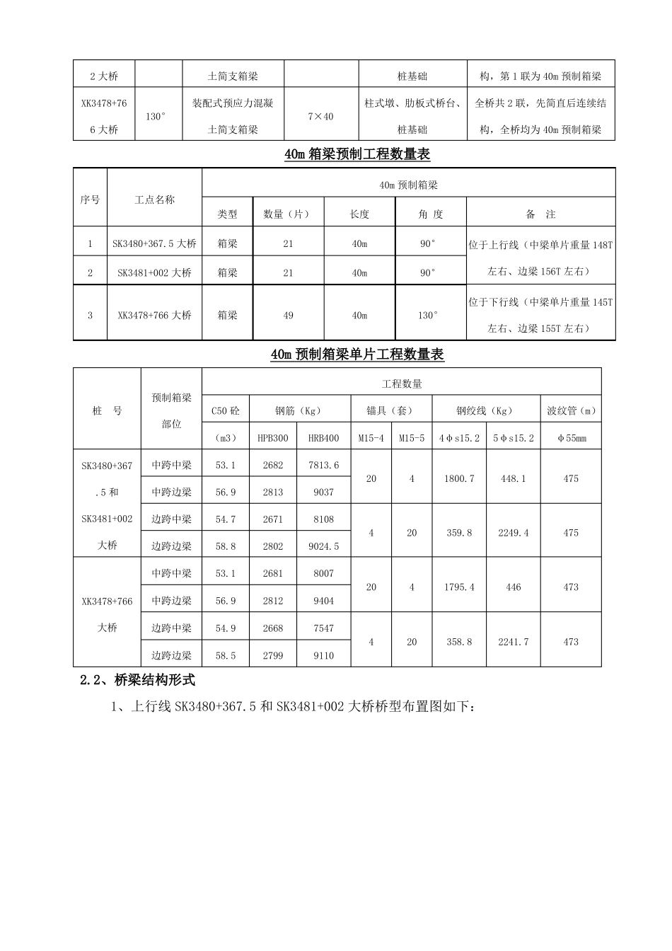
高速公路40m预制箱梁运输及安装专项方案目录第一章编制说明...................................................................................................................................................-1-第二章工程概况...................................................................................................................................................-2-第三章工程施工总体部署...................................................................................................................................-6-第四章施工技术方案及施工方法.....................................................................................................................-12-第五章质量保证体系及措施.............................................................................................................................-38-第六章文明施工与环境保护措施.....................................................................................................................-43-第七章安全保证措施.........................................................................................................................................-46-第八章应急救援预案...........................................................................................................................................-66-第一章编制说明1.1、编制依据1、《xx高速(G30)xx境内xx至xx段改扩建工程两阶段施工图设计》2、《公路桥涵施工技术规范》(JTGTF50-2011)3、《公路工程施工安全技术规范》(JTGF90-2015)4、《公路工程质量检验评定标准》(JTGF80/1-2004)5、《架桥机通用技术条件》GB26470-20116、《起重机械安全规程》GB6067.5-20147、《工程建设安装工程起重施工规范》HG20201-20008、《建筑电气工程施工质量验收规范》GB50303-20159、《起重机械试验规范和程序》GB/T5905-201110、《重要用途钢丝绳》GB8918-200611、《xx维吾尔自治区公路施工标准化手册》12、《施工现场临时用电安全技术规范》(JGJ46—2016)13、本企业的资源优势及建设同类工程的施工经验、施工能力、科技成果等14、《xx高速(G30)xx境内xx至xx改扩建项目XWGJ-1标总体施工组织设计》15、现场踏勘及调查了解的施工环境、条件等16、指挥部、监理等下发的质量管理文件1.2、编制原则1、严格按照xx维吾尔自治区公路施工标准化手册要求,切实做好箱梁架设及运输工作。2、坚持“安全第一,预防为主,综合治理”的安全生产原则,始终把安全工作放在第一位,确保桥梁上部结构成桥施工的安全。3、坚持全员、全面、全过程的安全、质量管理,在每道工序施工中,严格按设计及规范要求施工,并确保安全措施到位。4、做到精心设计,合理组织,严格管理,科学施工,在确保安全的前提下优质、高效地完成工程任务。5、坚持实事求是,一切从实际出发的原则,使方案成为指导工程施工的技术文件。1.3、编制范围本方案适用于xx交通建设集团股份有限公司承建的xx高速小乌改建一标40m箱梁运输及安装工程。1.4、编制目的针对箱梁架设的各项工序,确定箱梁预制计划,通过合理的资源配置、先进的施工方法、科学的施工组织,达到箱梁预制与架设的平衡,保证施工进度计划的完成。第二章工程概况2.1、项目概况xx高速(G30)xx境内xx至xx段改扩建项目XWGJ-1标段共有大桥3座、互通式立交2座(上部结构为现浇预应力混凝土连续箱梁)、中桥5座、小桥4座,预制梁共计409片,其中40m预制箱梁91片、30m预制箱梁206片、20m预制箱梁21片、20m预制空心板梁18片、8m空心板梁73片。本标段内40m预制箱工程数量及桥型布置情况详见下表:桥梁桥型布置表交角桩号(度)SK3480+3690°7.5大桥SK3481+0090°土简支箱梁装配式预应力混凝装配式预应力混凝16×30+3×40/U型桥台、桩基础构,第5联为40m预制箱梁上部结构形式(m)柱式墩、肋板式桥台全桥共5联,先简直后连续结孔数及跨径下...

1、当您付费下载文档后,您只拥有了使用权限,并不意味着购买了版权,文档只能用于自身使用,不得用于其他商业用途(如 [转卖]进行直接盈利或[编辑后售卖]进行间接盈利)。
2、本站所有内容均由合作方或网友上传,本站不对文档的完整性、权威性及其观点立场正确性做任何保证或承诺!文档内容仅供研究参考,付费前请自行鉴别。
3、如文档内容存在违规,或者侵犯商业秘密、侵犯著作权等,请点击“违规举报”。

碎片内容

高速公路40m预制箱梁运输及安装专项方案

您可能关注的文档

确认删除?
VIP
微信客服
  • 扫码咨询
会员Q群
  • 会员专属群点击这里加入QQ群
客服邮箱
回到顶部