电脑桌面
添加小米粒文库到电脑桌面
安装后可以在桌面快捷访问

装饰装修转换层方案VIP免费

装饰装修转换层方案_第1页
1/7
装饰装修转换层方案_第2页
2/7
装饰装修转换层方案_第3页
3/7
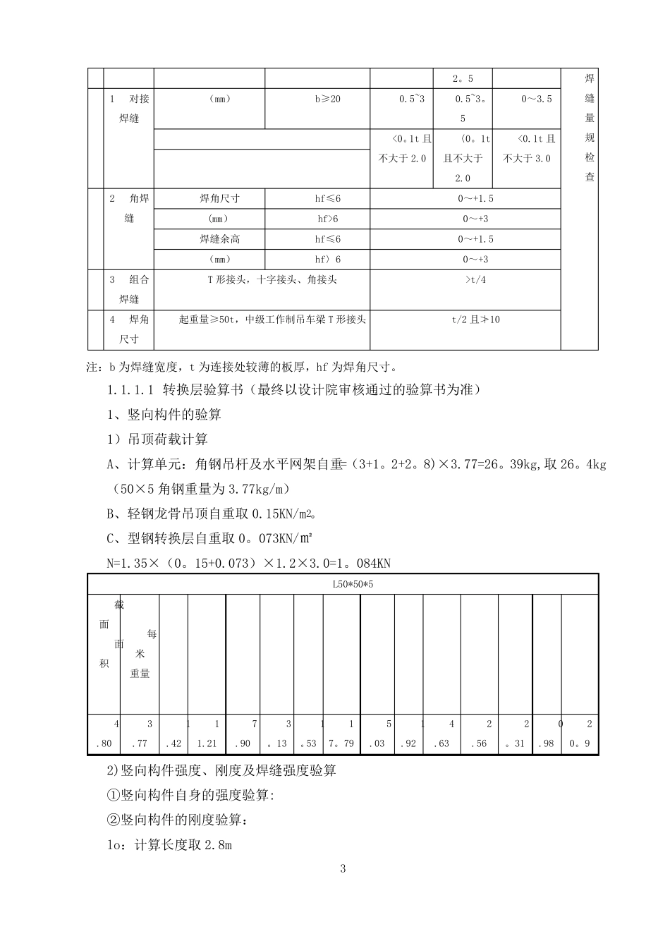
1.1.1型钢转换层施工方案施工部位:有吊顶的房间1.1.1.1施工准备1)材料准备50×50×5角钢,胀栓,防锈漆材料技术参数满足国标和图纸较高标准。2)机具准备一般应备有电焊机、切割机、扫帚、剪刀、皮卷尺、小线绳、粉笔、消防器材等.3)作业条件①安装完顶棚内的各种管线及设备,确定好灯位、通风口及各种露明孔口位置。②各种材料全部配套备齐,且复试合格。③顶棚罩面板安装前,应做完墙、地湿作业工程项目。④搭好顶棚施工操作平台架子。1.1.1.2工艺流程1.1.1.3施工要点1)测量放线清理现场,复测轴线、标高线控制线,根据吊顶转换层深化图纸,在顶板上弹线定位,吊点间距为3000mm×1200mm。2)打孔埋胀栓根据定位使用电钻打孔,清孔后将胀栓砸如孔中。3)安装角钢吊杆将已开孔的50×50×5角码与角钢一端焊接(角钢长度根据吊顶高度确定),此端与顶板内胀栓连接拧紧.部分房间应顶板下布满管线,无法安装吊杆,或者房间跨度较大(超过2。5m),吊顶转换层高度较大的则需要在不影响天花标高的情况下,在墙面上设置直角三角形反支撑点,横向使用方钢管直接与支撑点焊接,具备设置吊杆条件的,方钢管要与吊杆栓接或焊接,具体是否需要设置三角反支撑点,需要在现场实测实量后确定,如需设置参考此节内容,部分无法生根的型钢转换层可根据现场实际情况墙面生根用穿墙螺栓连接。4)焊接转换层钢架根据下图将角钢焊接形成装换层。转换层角钢末端用角码与墙体固定.转换层水平网架由50角钢组成,间距3000mm×1200mm,竖向构件间距亦为3000mm×1200mm,网架边缘部分距墙200mm设置50角钢边框,走廊等狭窄空间装换层必须形成“井”字框架体系以1增加整体刚度。转换层平面布置图转换层剖面图5)涂刷防锈漆涂刷灰色防锈漆,分三遍涂刷.6)验收转换层完成后报总包、监理、业主单位验收.1.1.1.4成品保护措施:晾放24小时至48小时(具体时间视环境温度而定,一般情况下,温度愈高所需时间愈短)。高温天气下,防水层应防止暴晒,可用遮阳布或其他物品遮盖。1.1.1.5质量要求1)保证项目①焊接材料应符合设计要求和有关标准的规定,应检查质量证明书及烘焙记录。②焊工必须经考试合格,检查焊工相应施焊条件的合格证及考核日期。③Ⅰ、Ⅱ级焊缝必须经探伤检验,并应符合设计要求和施工及验收规范的规定,检查焊缝探伤报告。④焊缝表面Ⅰ、Ⅱ级焊缝不得有裂纹、焊瘤、烧穿、坑等缺陷。Ⅱ级焊缝不得有表面气孔、夹渣、坑、裂纹、电擦伤等缺陷,且Ⅰ级焊缝不得有咬边、未焊满等缺陷。2)基本项目①焊缝外观:焊缝外形均匀,焊道与焊道、焊道与基本金属之间过渡平滑,焊渣和飞溅物清除干净。②表面气孔:Ⅰ、Ⅱ级焊缝不允许;Ⅲ级焊缝每50mm长度焊缝内允许直径≤0。4t;且≤3mm气孔2个;气孔间距≤6倍孔径.③咬边:Ⅰ级焊缝不允许。Ⅱ级焊缝:咬边深度≤0.05t,且≤0.5mm,连续长度≤100mm,且两侧咬边总长≤10%焊缝长度。Ⅲ级焊缝:咬边深度≤0.lt,且≤lmm。3)允许偏差项目,见下表项允许偏差(mm)检验次Ⅰ级Ⅱ级Ⅲ级方法焊缝余高b〈200。5~20.5~0.5~3。5用22。51对接焊缝<0。1t且不大于2.0(mm)b≥200.5~30.5~3。5〈0。1t且不大于2.02角焊缝焊角尺寸(mm)焊缝余高(mm)3组合焊缝4焊角尺寸起重量≥50t,中级工作制吊车梁T形接头t/2且≯10hf≤6hf>6hf≤6hf〉60~+1.50~+30~+1.50~+3>t/4<0.1t且不大于3.00~3.5焊缝量规检查T形接头,十字接头、角接头注:b为焊缝宽度,t为连接处较薄的板厚,hf为焊角尺寸。1.1.1.1转换层验算书(最终以设计院审核通过的验算书为准)1、竖向构件的验算1)吊顶荷载计算A、计算单元:角钢吊杆及水平网架自重=(3+1。2+2。8)×3.77=26。39kg,取26。4kg(50×5角钢重量为3.77kg/m)B、轻钢龙骨吊顶自重取0.15KN/m2。C、型钢转换层自重取0。073KN/㎡N=1.35×(0。15+0.073)×1.2×3.0=1。084KNL50*50*5截面面积4.803.771.4211.217.903115.031.924.632.562020。9每米重量。13。537。79。31.982)竖向构件强度、刚度及焊缝强度验算①竖向构件自身的强度验算:②竖向构件的刚度验算:lo:计算长度取2.8m3i:回转半径取0.98cm③5#角钢(型号为50×50×5)下端角焊缝强度计算:该处为正面角...

1、当您付费下载文档后,您只拥有了使用权限,并不意味着购买了版权,文档只能用于自身使用,不得用于其他商业用途(如 [转卖]进行直接盈利或[编辑后售卖]进行间接盈利)。
2、本站所有内容均由合作方或网友上传,本站不对文档的完整性、权威性及其观点立场正确性做任何保证或承诺!文档内容仅供研究参考,付费前请自行鉴别。
3、如文档内容存在违规,或者侵犯商业秘密、侵犯著作权等,请点击“违规举报”。

碎片内容

装饰装修转换层方案

您可能关注的文档

确认删除?
VIP
微信客服
  • 扫码咨询
会员Q群
  • 会员专属群点击这里加入QQ群
客服邮箱
回到顶部