电脑桌面
添加小米粒文库到电脑桌面
安装后可以在桌面快捷访问

益阳职业技术学院汽车专业设备配置VIP免费

益阳职业技术学院汽车专业设备配置_第1页
1/14
益阳职业技术学院汽车专业设备配置_第2页
2/14
益阳职业技术学院汽车专业设备配置_第3页
3/14
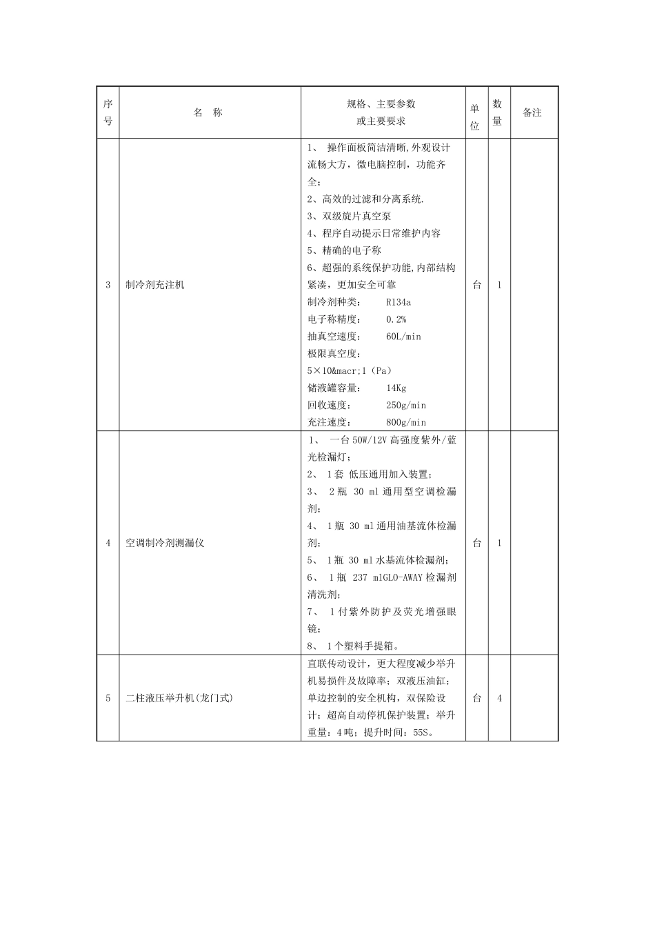
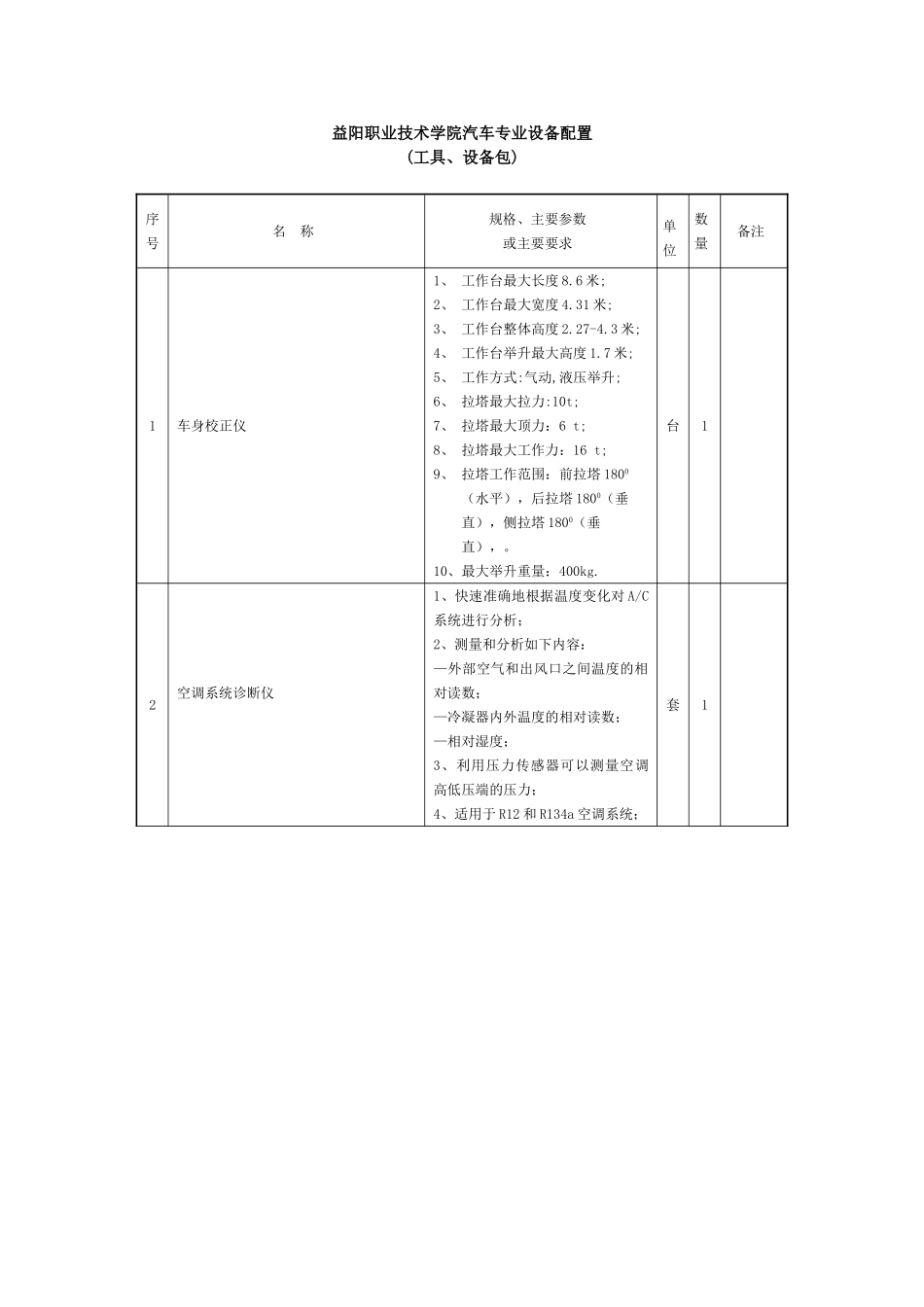
益阳职业技术学院汽车专业设备配置(工具、设备包)序号名称规格、主要参数或主要要求单位数量备注1车身校正仪1、工作台最大长度8.6米;2、工作台最大宽度4.31米;3、工作台整体高度2.27-4.3米;4、工作台举升最大高度1.7米;5、工作方式:气动,液压举升;6、拉塔最大拉力:10t;7、拉塔最大顶力:6t;8、拉塔最大工作力:16t;9、拉塔工作范围:前拉塔1800(水平),后拉塔1800(垂直),侧拉塔1800(垂直),。10、最大举升重量:400kg.台12空调系统诊断仪1、快速准确地根据温度变化对A/C系统进行分析;2、测量和分析如下内容:—外部空气和出风口之间温度的相对读数;—冷凝器内外温度的相对读数;—相对湿度;3、利用压力传感器可以测量空调高低压端的压力;4、适用于R12和R134a空调系统;套1序号名称规格、主要参数或主要要求单位数量备注3制冷剂充注机1、操作面板简洁清晰,外观设计流畅大方,微电脑控制,功能齐全;2、高效的过滤和分离系统.3、双级旋片真空泵4、程序自动提示日常维护内容5、精确的电子称6、超强的系统保护功能,内部结构紧凑,更加安全可靠制冷剂种类:R134a电子称精度:0.2%抽真空速度:60L/min极限真空度:5×10¯1(Pa)储液罐容量:14Kg回收速度:250g/min充注速度:800g/min台14空调制冷剂测漏仪1、一台50W/12V高强度紫外/蓝光检漏灯;2、1套低压通用加入装置;3、2瓶30ml通用型空调检漏剂;4、1瓶30ml通用油基流体检漏剂;5、1瓶30ml水基流体检漏剂;6、1瓶237mlGLO-AWAY检漏剂清洗剂;7、1付紫外防护及荧光增强眼镜;8、1个塑料手提箱。台15二柱液压举升机(龙门式)直联传动设计,更大程度减少举升机易损件及故障率;双液压油缸;单边控制的安全机构,双保险设计;超高自动停机保护装置;举升重量:4吨;提升时间:55S。台4序号名称规格、主要参数或主要要求单位数量备注6前照灯随动转向系统示教板1、选用全新帕萨特双氙灯系统;2、接近原车布局,展示了氙灯系统的结构和原理;3、示教板上装刻度盘、水平传感器及灯光电脑,可演示当移动刻度盘时,灯的平衡系统工作过程;4、配有OBDII诊断断口,可进行故障诊断;5、实验台采用可移动支架优质型材焊接,表面经过喷塑处理。台17前大灯检测仪1、测量标准大灯、辅助灯、雾灯、矩形灯、圆形灯和符合空气动力学的前大灯,无论尺寸大小都可以精确定位和测量低位置光束;2、可以测量灯光强度。台1FD-28轮胎平衡机适用于轿车、轻型商务车、轻型卡车;严格执行热处理工艺的高精度机械主轴,确保重复测量精度;具备动平衡,静平衡及铝合金轮辋的自贴平衡功能;最大车轮重量65KG,轮辋直径:265mm-615mm,轮辋宽度:40mm-510mm。台19抽油机储油罐容量:80L,显示罐容量:10L,台110燃油免拆清洗机采用美国双隔膜气动泵浦,空气动力;可清除发动机内部的积碳、积胶等粘结物;降低HC、CO等废气排放。台111连杆校正仪1、连杆大端涨卡孔径:Φ38∽66.5mm;误差:弯曲≤0.03mm;扭曲≤0.05mm;2、被测连杆中心距:110∽230mm;3、工作台面与芯轴中心高:70mm;溜板移动距离:140mm;4、外形尺寸:长570mmХ宽320mmХ高340mm。台8序号名称规格、主要参数或主要要求单位数量备注12CAN-BUS仿真实训台1、能清晰地显示CAN-BUS的拓扑结构和原理2、具有对系统信号采集和网络协议检测与修改,以及对系统故障检测、分析诊断等功能。3、该系统可以完成总线数据采集和发送、更改网络通信协议、改变控制数据、设置遥控装置以及系统故障诊断与排除等实验。在学生终端分机上可以检测到主实验设备的实时信号。其测量误差在±0.01V之内。4、具备实训手册及相应的软件。系统组成有舒适系统控制单元、四个门窗电机、电动倒视镜、中央防盗系统等,均采用原车部件。5、可以学习电控舒适系统的诊断,电控舒适系统的构成和总线信号电压的检测。6、系统配有两套检测软件:WIN51和PCAN。WIN51可以进行系统故障检测元件测试;PCAN可以读取总线的控制数据,通过解读总线的通讯协议,可以接收并编制控制数据发送控制指令。7、可进行系统故障设置,门窗电机、安全指示、总线控制电路等单个及复合故障数十个。台113钣金零件支架能放置保险杆、叶子板等钣喷零件,上支架可36...

1、当您付费下载文档后,您只拥有了使用权限,并不意味着购买了版权,文档只能用于自身使用,不得用于其他商业用途(如 [转卖]进行直接盈利或[编辑后售卖]进行间接盈利)。
2、本站所有内容均由合作方或网友上传,本站不对文档的完整性、权威性及其观点立场正确性做任何保证或承诺!文档内容仅供研究参考,付费前请自行鉴别。
3、如文档内容存在违规,或者侵犯商业秘密、侵犯著作权等,请点击“违规举报”。

碎片内容

益阳职业技术学院汽车专业设备配置

您可能关注的文档

书海行舟+ 关注
实名认证
内容提供者

热爱教学事业,对互联网知识分享很感兴趣

确认删除?
VIP
微信客服
  • 扫码咨询
会员Q群
  • 会员专属群点击这里加入QQ群
客服邮箱
回到顶部