电脑桌面
添加小米粒文库到电脑桌面
安装后可以在桌面快捷访问

预应力管桩沉桩分析(静压)VIP免费

预应力管桩沉桩分析(静压)_第1页
1/4
预应力管桩沉桩分析(静压)_第2页
2/4
预应力管桩沉桩分析(静压)_第3页
3/4
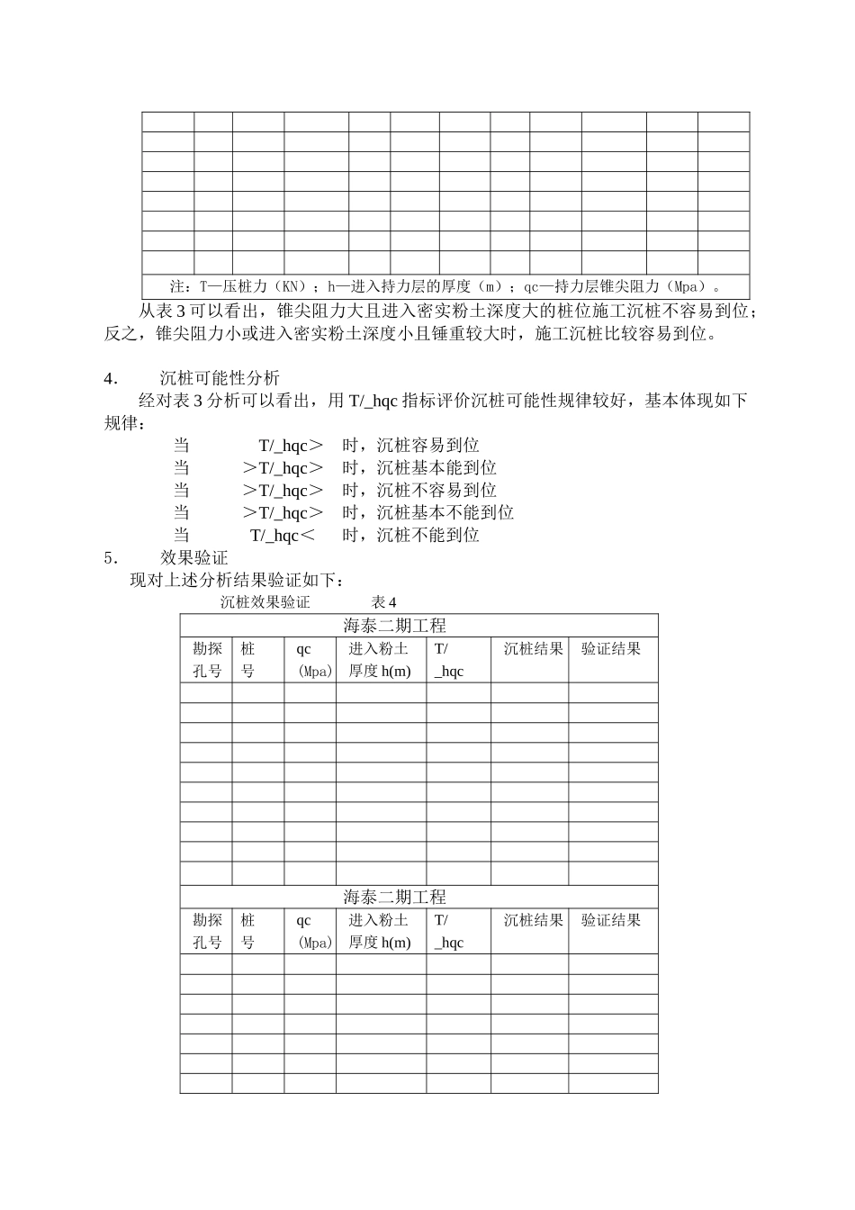
用锥尖阻力对静压沉桩可能性的初步判定高锋杨子民宋创斌(天津市勘察院,天津300191)[摘要]本文通过海泰产业园区一期和师范大学综合楼锤击预应力管桩施工的总结,初步总结利用静力触探锥尖阻力指标判定沉桩的可能性。[关键词]预应力管桩;锥尖阻力;密实粉土;静压;压桩力;沉桩1.简介预应力管桩在以密实粉土为持力层时,经常出现沉桩不到位的现象,既有土层太密实的原因,也有设备选型不合理的因素。海泰产业园区一期和师范大学综合楼均以密实粉土为持力层,采用锤击沉桩,但均发生了沉桩不到位或沉桩困难的现象。静力触探是公认比较准确的原位测试方法,本文通过对勘察资料中静力触探的分析,初步总结利用静力触探锥尖阻力指标判定沉桩的可能性。2.场地地层情况例1:海泰一期工程位于华苑新产业园区内,为5栋3-5层车间,设计采用∮400预应力管桩,壁厚8cm,有效桩长L=18.0m,桩端大沽标高为-16.15m,以密实状态的粉土作为桩端持力层,但该层粉土顶板标高有一定起伏,且水平向分布厚度及密实程度也有一定的变化,导致局部沉桩不到位或沉桩困难。场地地质条件如表1。地层分布及主要物理力学指标表表1层号土性厚度(m)W(%)eIpIlEs(Mpa)qc(Mpa)1素填土2a粘土2b粉质粘土3a粉质粘土3b粉质粘土3c粉质粘土4粘土5a粉质粘土5b粉土6a粉质粘土6b粉土例2:师范大学综合楼工程位于大学城内,为层,设计采用∮400预应力管桩,壁厚8cm,有效桩长L=16.0m,桩端大沽标高为-m,以密实状态的粉土作为桩端持力层,但该层粉土顶板标高有一定起伏,且水平向分布厚度及密实程度也有一定的变化,也导致局部沉桩不到位或沉桩困难。场地地质条件如表2。地层分布及主要物理力学指标表表2层号土性厚度(m)W(%)eIpIlEs(Mpa)qc(Mpa)1素填土2a粘土2b粉质粘土3a粉质粘土3b粉质粘土3c粉质粘土4粘土5a粉质粘土5b粉土6a粉质粘土6b粉土3.施工情况与锥尖阻力的对比根据场地静力触探资料,静探孔旁静压沉桩情况详见表3。施工情况与锥尖阻力对比表表3海泰一期工程勘探孔号桩号qc(Mpa)进入粉土厚度h(m)T/_hqc沉桩结果勘探孔号桩号qc(Mpa)进入粉土厚度h(m)T/_hqc沉桩结果师范大学综合楼勘探孔号桩号qc(Mpa)进入粉土厚度h(m)T/_hqc沉桩结果勘探孔号桩号qc(Mpa)进入粉土厚度h(m)T/_hqc沉桩结果注:T—压桩力(KN);h—进入持力层的厚度(m);qc—持力层锥尖阻力(Mpa)。从表3可以看出,锥尖阻力大且进入密实粉土深度大的桩位施工沉桩不容易到位;反之,锥尖阻力小或进入密实粉土深度小且锤重较大时,施工沉桩比较容易到位。4.沉桩可能性分析经对表3分析可以看出,用T/_hqc指标评价沉桩可能性规律较好,基本体现如下规律:当T/_hqc>时,沉桩容易到位当>T/_hqc>时,沉桩基本能到位当>T/_hqc>时,沉桩不容易到位当>T/_hqc>时,沉桩基本不能到位当T/_hqc<时,沉桩不能到位5.效果验证现对上述分析结果验证如下:沉桩效果验证表4海泰二期工程勘探孔号桩号qc(Mpa)进入粉土厚度h(m)T/_hqc沉桩结果验证结果海泰二期工程勘探孔号桩号qc(Mpa)进入粉土厚度h(m)T/_hqc沉桩结果验证结果海泰二期工程勘探孔号桩号qc(Mpa)进入粉土厚度h(m)T/_hqc沉桩结果验证结果从表4可以看出,大部分是准确的,总体是可行的,验证效果较理想。6.结束语经过效果检验,∮400预应力管桩利用T/_hqc指标评价沉桩可能性是可行的,因此,在承接锤击∮400预应力管桩施工前,应认真分析勘察报告,根据锥尖阻力、进入密实粉土厚度合理选择锤重,并认真分析沉桩可能性。

1、当您付费下载文档后,您只拥有了使用权限,并不意味着购买了版权,文档只能用于自身使用,不得用于其他商业用途(如 [转卖]进行直接盈利或[编辑后售卖]进行间接盈利)。
2、本站所有内容均由合作方或网友上传,本站不对文档的完整性、权威性及其观点立场正确性做任何保证或承诺!文档内容仅供研究参考,付费前请自行鉴别。
3、如文档内容存在违规,或者侵犯商业秘密、侵犯著作权等,请点击“违规举报”。

碎片内容

预应力管桩沉桩分析(静压)

您可能关注的文档

确认删除?
VIP
微信客服
  • 扫码咨询
会员Q群
  • 会员专属群点击这里加入QQ群
客服邮箱
回到顶部