电脑桌面
添加小米粒文库到电脑桌面
安装后可以在桌面快捷访问

某地产企业股份有限公司财务报表分析VIP免费

某地产企业股份有限公司财务报表分析_第1页
1/6
某地产企业股份有限公司财务报表分析_第2页
2/6
某地产企业股份有限公司财务报表分析_第3页
3/6
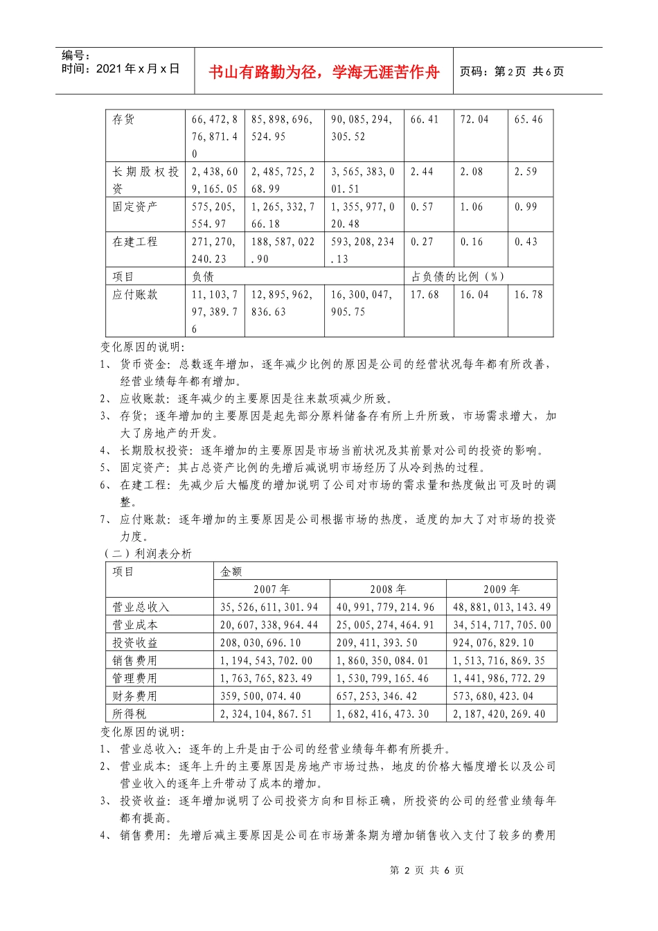
第1页共6页编号:时间:2021年x月x日书山有路勤为径,学海无涯苦作舟页码:第1页共6页万科企业股份有限公司财务报表分析一、公司简介万科公司概况:万科企业股份有限公司成立于1984年5月,是目前中国最大的专业住宅开发企业。2008年公司完成新开工面积523.3万平方米,竣工面积529.4万平方米,实现销售金额478.7亿元,结算收入404.9亿元,净利润40.3亿元。万科认为,坚守价值底线、拒绝利益诱惑,坚持以专业能力从市场获取公平回报,是万科获得成功的基石。公司致力于通过规范、透明的企业文化和稳健、专注的发展模式,成为最受客户、最受投资者、最受员工、最受合作伙伴欢迎,最受社会尊重的企业。凭借公司治理和道德准则上的表现,公司连续六次获得“中国最受尊敬企业”称号,2008年入选《华尔街日报》(亚洲版)“中国十大最受尊敬企业”。万科1988年进入房地产行业,1993年将大众住宅开发确定为公司核心业务。至2008年末,业务覆盖到以珠三角、长三角、环渤海三大城市经济圈为重点的31个城市。当年共销售住宅42500套,在全国商品住宅市场的占有率从2.07%提升到2.34%,其中市场占有率在深圳、上海、天津、佛山、厦门、沈阳、武汉、镇江、鞍山9个城市排名首位。万科1991年成为深圳证券交易所第二家上市公司,持续增长的业绩以及规范透明的公司治理结构,使公司赢得了投资者的广泛认可。过去二十年,万科营业收入复合增长率为31.4.%,净利润复合增长率为36.2%;公司在发展过程中先后入选《福布斯》“全球200家最佳中小企业”、“亚洲最佳小企业200强”、“亚洲最优50大上市公司”排行榜;多次获得《投资者关系》等国际权威媒体评出的最佳公司治理、最佳投资者关系等奖项。经过多年努力,万科逐渐确立了在住宅行业的竞争优势:“万科”成为行业第一个全国驰名商标,旗下“四季花城”、“城市花园”、“金色家园”等品牌得到各地消费者的接受和喜爱;公司研发的“情景花园洋房”是中国住宅行业第一个专利产品和第一项发明专利;公司物业服务通过全国首批ISO9002质量体系认证;公司创立的万客会是住宅行业的第一个客户关系组织。同时也是国内第一家聘请第三方机构,每年进行全方位客户满意度调查的住宅企业。二、资产负债表和利润表的纵向分析和横向分析(一)资产负债表分析项目资金占资产的比例(%)2007年2008年2009年07年08年09年货币资金17,046,504,584.3119,978,285,929.9223,001,923,830.8017.0316.7616.72应收账款864,883,012.55922,774,844.24713,191,906.140.860.770.52第2页共6页第1页共6页编号:时间:2021年x月x日书山有路勤为径,学海无涯苦作舟页码:第2页共6页存货66,472,876,871.4085,898,696,524.9590,085,294,305.5266.4172.0465.46长期股权投资2,438,609,165.052,485,725,268.993,565,383,001.512.442.082.59固定资产575,205,554.971,265,332,766.181,355,977,020.480.571.060.99在建工程271,270,240.23188,587,022.90593,208,234.130.270.160.43项目负债占负债的比例(%)应付账款11,103,797,389.7612,895,962,836.6316,300,047,905.7517.6816.0416.78变化原因的说明:1、货币资金:总数逐年增加,逐年减少比例的原因是公司的经营状况每年都有所改善,经营业绩每年都有增加。2、应收账款:逐年减少的主要原因是往来款项减少所致。3、存货;逐年增加的主要原因是起先部分原料储备存有所上升所致,市场需求增大,加大了房地产的开发。4、长期股权投资:逐年增加的主要原因是市场当前状况及其前景对公司的投资的影响。5、固定资产:其占总资产比例的先增后减说明市场经历了从冷到热的过程。6、在建工程:先减少后大幅度的增加说明了公司对市场的需求量和热度做出可及时的调整。7、应付账款:逐年增加的主要原因是公司根据市场的热度,适度的加大了对市场的投资力度。(二)利润表分析项目金额2007年2008年2009年营业总收入35,526,611,301.9440,991,779,214.9648,881,013,143.49营业成本20,607,338,964.4425,005,274,464.9134,514,717,705.00投资收益208,030,696.10209,411,393.50924,076,829.10销售费用1,194,543,702.001,860,350,084.011,513,716,869.35管理费用1,...

1、当您付费下载文档后,您只拥有了使用权限,并不意味着购买了版权,文档只能用于自身使用,不得用于其他商业用途(如 [转卖]进行直接盈利或[编辑后售卖]进行间接盈利)。
2、本站所有内容均由合作方或网友上传,本站不对文档的完整性、权威性及其观点立场正确性做任何保证或承诺!文档内容仅供研究参考,付费前请自行鉴别。
3、如文档内容存在违规,或者侵犯商业秘密、侵犯著作权等,请点击“违规举报”。

碎片内容

某地产企业股份有限公司财务报表分析

确认删除?
VIP
微信客服
  • 扫码咨询
会员Q群
  • 会员专属群点击这里加入QQ群
客服邮箱
回到顶部